LEMON Manuals: Even more car manuals for everyone: 1960-2025
Home >> Lexus >> 2012 >> RX 350 AWD >> Repair and Diagnosis >> Electrical >> Body Electrical >> OEM System Circuits >> Audio System (w/o LEXUS Navigation System) >> Notes
April 5, 2026: LEMON Manuals is launched! Read the announcement.

Audio System (w/o LEXUS Navigation System): Notes

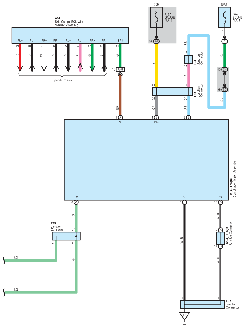
Fig 1: Audio System (W/O LEXUS Navigation System) - Wiring Diagram (1 Of 10)
G08938448Courtesy of © TOYOTA, LICENSE AGREEMENT TMS1002
Fig 2: Audio System (W/O LEXUS Navigation System) - Wiring Diagram (2 Of 10)
G08938449Courtesy of © TOYOTA, LICENSE AGREEMENT TMS1002
Fig 3: Audio System (W/O LEXUS Navigation System) - Wiring Diagram (3 Of 10)
G08938450Courtesy of © TOYOTA, LICENSE AGREEMENT TMS1002
Fig 4: Audio System (W/O LEXUS Navigation System) - Wiring Diagram (4 Of 10)
G08938451Courtesy of © TOYOTA, LICENSE AGREEMENT TMS1002
Fig 5: Audio System (W/O LEXUS Navigation System) - Wiring Diagram (5 Of 10)
G08938452Courtesy of © TOYOTA, LICENSE AGREEMENT TMS1002
Fig 6: Audio System (W/O LEXUS Navigation System) - Wiring Diagram (6 Of 10)
G08938453Courtesy of © TOYOTA, LICENSE AGREEMENT TMS1002
Fig 7: Audio System (W/O LEXUS Navigation System) - Wiring Diagram (7 Of 10)
G08938454Courtesy of © TOYOTA, LICENSE AGREEMENT TMS1002
Fig 8: Audio System (W/O LEXUS Navigation System) - Wiring Diagram (8 Of 10)
G08938455Courtesy of © TOYOTA, LICENSE AGREEMENT TMS1002
Fig 9: Audio System (W/O LEXUS Navigation System) - Wiring Diagram (9 Of 10)
G08938456Courtesy of © TOYOTA, LICENSE AGREEMENT TMS1002
Fig 10: Audio System (W/O LEXUS Navigation System) - Wiring Diagram (10 Of 10)
G08938457Courtesy of © TOYOTA, LICENSE AGREEMENT TMS1002