LEMON Manuals: Even more car manuals for everyone: 1960-2025
Home >> Lexus >> 2012 >> RX 350 FWD >> Repair and Diagnosis >> Electrical >> Body Electrical >> OEM System Circuits >> Automatic Light Control and Light Auto Turn Off System >> Notes
April 5, 2026: LEMON Manuals is launched! Read the announcement.

Automatic Light Control and Light Auto Turn Off System: Notes

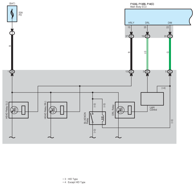
Fig 1: Automatic Light Control And Light Auto Turn Off System - Wiring Diagram (1 Of 5)
G08938351Courtesy of © TOYOTA, LICENSE AGREEMENT TMS1002
Fig 2: Automatic Light Control And Light Auto Turn Off System - Wiring Diagram (2 Of 5)
G08938352Courtesy of © TOYOTA, LICENSE AGREEMENT TMS1002
Fig 3: Automatic Light Control And Light Auto Turn Off System - Wiring Diagram (3 Of 5)
G08938353Courtesy of © TOYOTA, LICENSE AGREEMENT TMS1002
Fig 4: Automatic Light Control And Light Auto Turn Off System - Wiring Diagram (4 Of 5)
G08938354Courtesy of © TOYOTA, LICENSE AGREEMENT TMS1002
Fig 5: Automatic Light Control And Light Auto Turn Off System - Wiring Diagram (5 Of 5)
G08938355Courtesy of © TOYOTA, LICENSE AGREEMENT TMS1002