LEMON Manuals: Even more car manuals for everyone: 1960-2025
Home >> Lexus >> 2013 >> ES 300h >> Repair and Diagnosis (Single Page) >> Electrical >> Body Electrical >> OEM System Circuits >> Audio System (w/o LEXUS Navigation System w/Multi-Media Module Display) and Parking Assist (Rear View Monitor w/o LEXUS Navigation System) >> Notes
April 5, 2026: LEMON Manuals is launched! Read the announcement.

Audio System (w/o LEXUS Navigation System w/Multi-Media Module Display) and Parking Assist (Rear View Monitor w/o LEXUS Navigation System): Notes

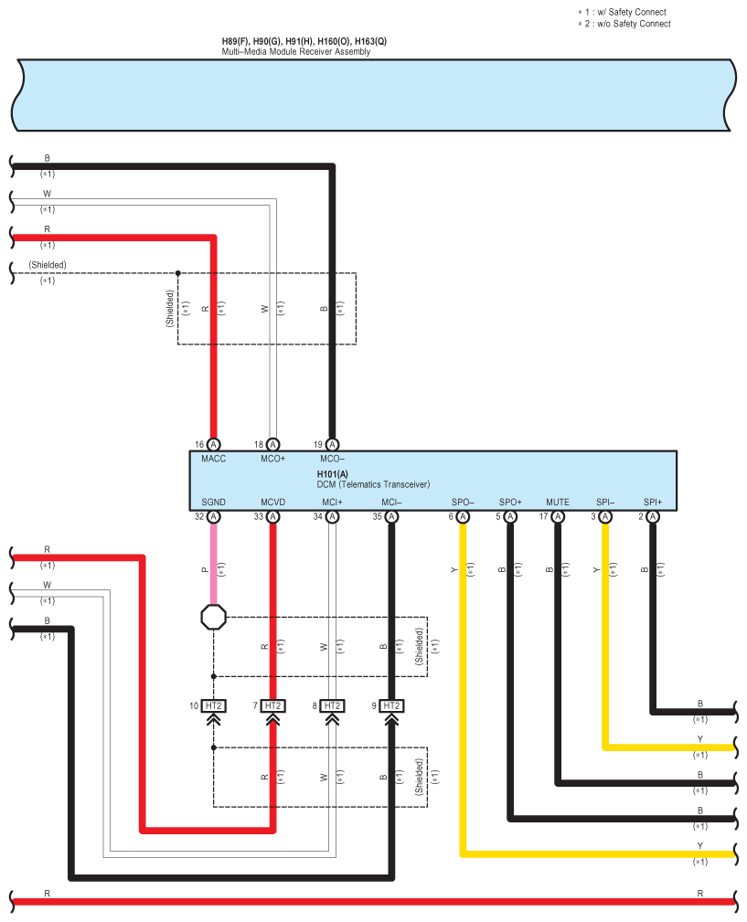
Fig 1: Audio System (W/O Lexus Navigation System W/ Multi-Media Module Display) And Parking Assist (Rear View Monitor W/O Lexus Navigation System) - Circuit Diagram (1 Of 10)
G08953868Courtesy of © TOYOTA, LICENSE AGREEMENT TMS1002
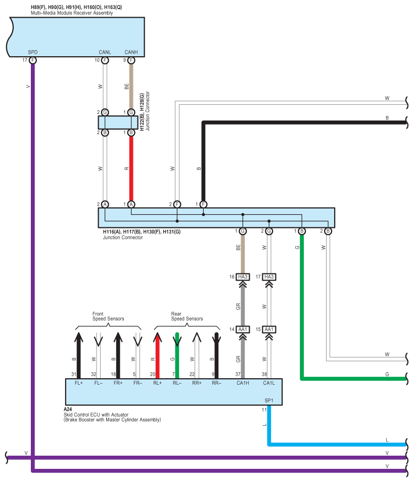
Fig 2: Audio System (W/O Lexus Navigation System W/ Multi-Media Module Display) And Parking Assist (Rear View Monitor W/O Lexus Navigation System) - Circuit Diagram (2 Of 10)
G08953869Courtesy of © TOYOTA, LICENSE AGREEMENT TMS1002
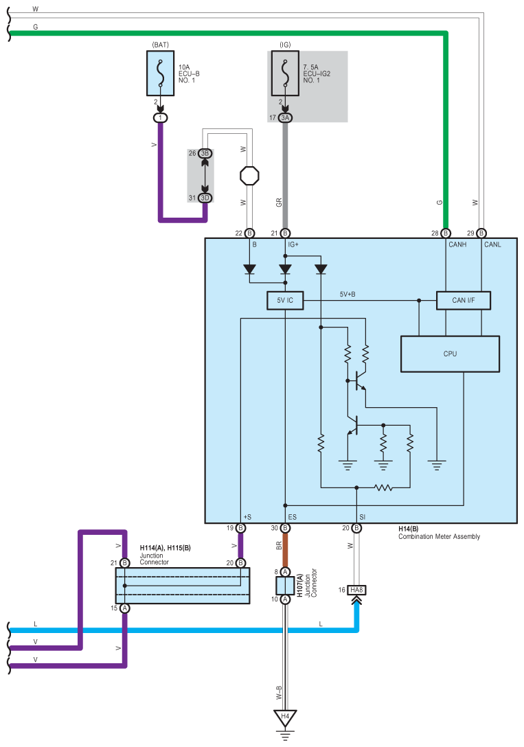
Fig 3: Audio System (W/O Lexus Navigation System W/ Multi-Media Module Display) And Parking Assist (Rear View Monitor W/O Lexus Navigation System) - Circuit Diagram (3 Of 10)
G08953870Courtesy of © TOYOTA, LICENSE AGREEMENT TMS1002
Fig 4: Audio System (W/O Lexus Navigation System W/ Multi-Media Module Display) And Parking Assist (Rear View Monitor W/O Lexus Navigation System) - Circuit Diagram (4 Of 10)
G08953871Courtesy of © TOYOTA, LICENSE AGREEMENT TMS1002
Fig 5: Audio System (W/O Lexus Navigation System W/ Multi-Media Module Display) And Parking Assist (Rear View Monitor W/O Lexus Navigation System) - Circuit Diagram (5 Of 10)
G08953872Courtesy of © TOYOTA, LICENSE AGREEMENT TMS1002
Fig 6: Audio System (W/O Lexus Navigation System W/ Multi-Media Module Display) And Parking Assist (Rear View Monitor W/O Lexus Navigation System) - Circuit Diagram (6 Of 10)
G08953873Courtesy of © TOYOTA, LICENSE AGREEMENT TMS1002
Fig 7: Audio System (W/O Lexus Navigation System W/ Multi-Media Module Display) And Parking Assist (Rear View Monitor W/O Lexus Navigation System) - Circuit Diagram (7 Of 10)
G08953874Courtesy of © TOYOTA, LICENSE AGREEMENT TMS1002
Fig 8: Audio System (W/O Lexus Navigation System W/ Multi-Media Module Display) And Parking Assist (Rear View Monitor W/O Lexus Navigation System) - Circuit Diagram (8 Of 10)
G08953875Courtesy of © TOYOTA, LICENSE AGREEMENT TMS1002
Fig 9: Audio System (W/O Lexus Navigation System W/ Multi-Media Module Display) And Parking Assist (Rear View Monitor W/O Lexus Navigation System) - Circuit Diagram (9 Of 10)
G08953876Courtesy of © TOYOTA, LICENSE AGREEMENT TMS1002
Fig 10: Audio System (W/O Lexus Navigation System W/ Multi-Media Module Display) And Parking Assist (Rear View Monitor W/O Lexus Navigation System) - Circuit Diagram (10 Of 10)
G08953877Courtesy of © TOYOTA, LICENSE AGREEMENT TMS1002