LEMON Manuals: Even more car manuals for everyone: 1960-2025
Home >> Lexus >> 2013 >> ES 300h >> Repair and Diagnosis >> Electrical >> Body Electrical >> OEM System Circuits >> Power Source >> Notes
April 5, 2026: LEMON Manuals is launched! Read the announcement.

Power Source: Notes

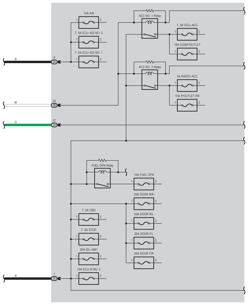
Fig 1: Power Source - Circuit Diagram (1 Of 6)
G08953568Courtesy of © TOYOTA, LICENSE AGREEMENT TMS1002
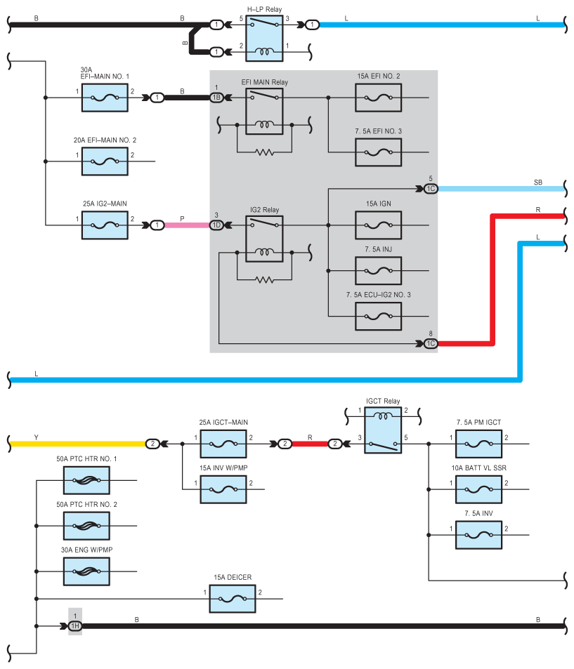
Fig 2: Power Source - Circuit Diagram (2 Of 6)
G08953569Courtesy of © TOYOTA, LICENSE AGREEMENT TMS1002
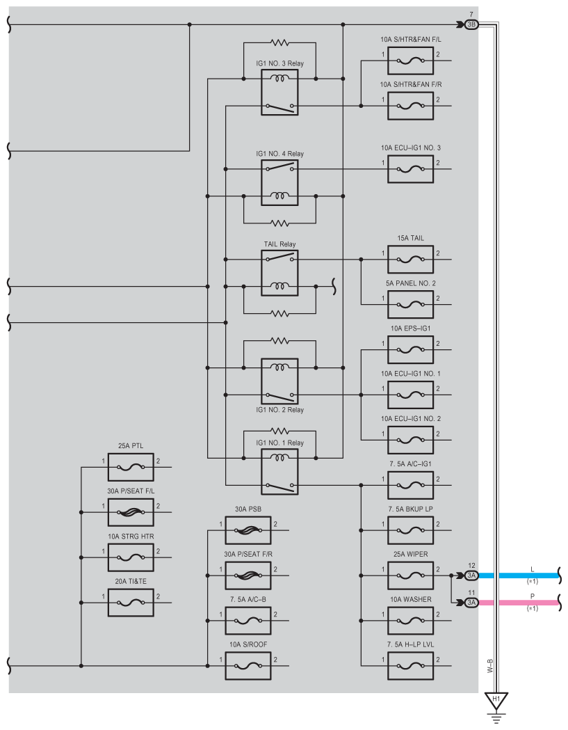
Fig 3: Power Source - Circuit Diagram (3 Of 6)
G08953570Courtesy of © TOYOTA, LICENSE AGREEMENT TMS1002
Fig 4: Power Source - Circuit Diagram (4 Of 6)
G08953571Courtesy of © TOYOTA, LICENSE AGREEMENT TMS1002
Fig 5: Power Source - Circuit Diagram (5 Of 6)
G08953572Courtesy of © TOYOTA, LICENSE AGREEMENT TMS1002
Fig 6: Power Source - Circuit Diagram (6 Of 6)
G08953573Courtesy of © TOYOTA, LICENSE AGREEMENT TMS1002