LEMON Manuals: Even more car manuals for everyone: 1960-2025
Home >> Lexus >> 2013 >> GS 450h >> Repair and Diagnosis >> Electrical >> Body Electrical >> OEM System Circuits >> Blind Spot Monitor System >> Notes
April 5, 2026: LEMON Manuals is launched! Read the announcement.

Blind Spot Monitor System: Notes

Fig 1: Blind Spot Monitor System Wiring Diagram (1 Of 6)
G09118066Courtesy of © TOYOTA, LICENSE AGREEMENT TMS1002
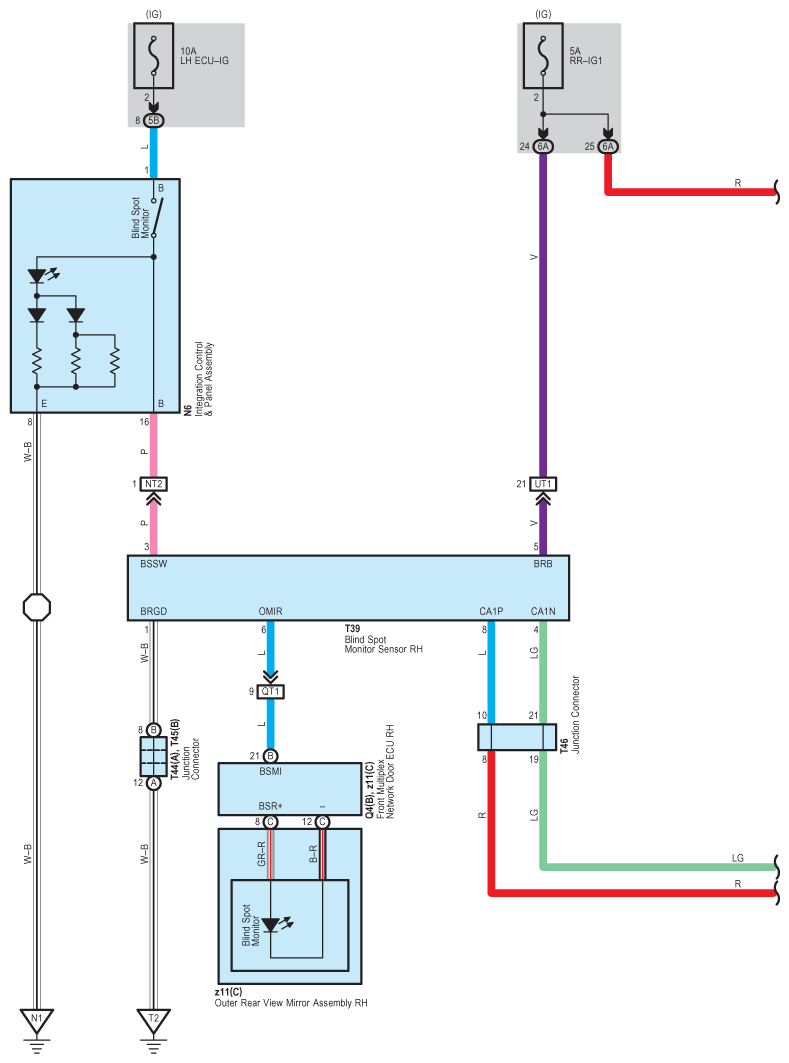
Fig 2: Blind Spot Monitor System Wiring Diagram (2 Of 6)
G09118067Courtesy of © TOYOTA, LICENSE AGREEMENT TMS1002
Fig 3: Blind Spot Monitor System Wiring Diagram (3 Of 6)
G09118068Courtesy of © TOYOTA, LICENSE AGREEMENT TMS1002
Fig 4: Blind Spot Monitor System Wiring Diagram (4 Of 6)
G09118069Courtesy of © TOYOTA, LICENSE AGREEMENT TMS1002
Fig 5: Blind Spot Monitor System Wiring Diagram (5 Of 6)
G09118070Courtesy of © TOYOTA, LICENSE AGREEMENT TMS1002
Fig 6: Blind Spot Monitor System Wiring Diagram (6 Of 6)
G09118071Courtesy of © TOYOTA, LICENSE AGREEMENT TMS1002