LEMON Manuals: Even more car manuals for everyone: 1960-2025
Home >> Lexus >> 2013 >> GS 450h >> Repair and Diagnosis >> Electrical >> Body Electrical >> OEM System Circuits >> Cruise Control >> Notes
April 5, 2026: LEMON Manuals is launched! Read the announcement.

Cruise Control: Notes

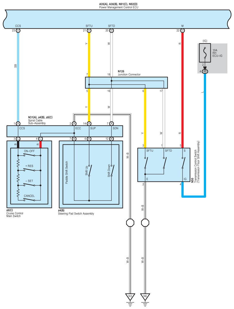
Fig 1: Cruise Control Wiring Diagram (1 Of 14)
G09117741Courtesy of © TOYOTA, LICENSE AGREEMENT TMS1002
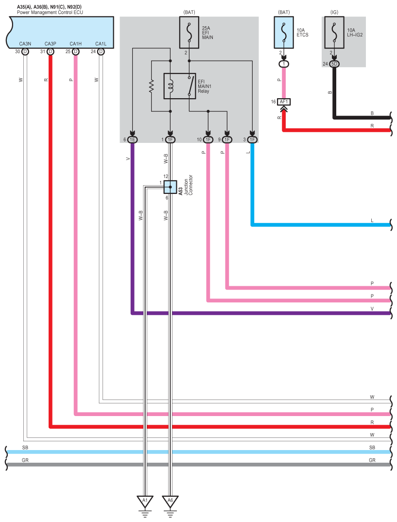
Fig 2: Cruise Control Wiring Diagram (2 Of 14)
G09117742Courtesy of © TOYOTA, LICENSE AGREEMENT TMS1002
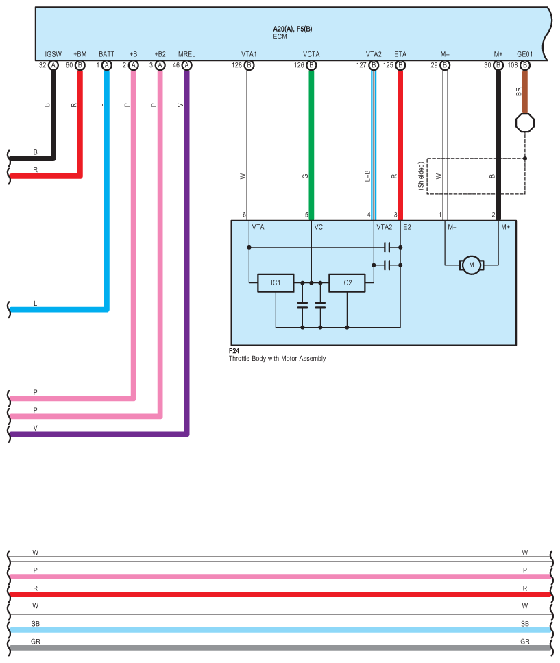
Fig 3: Cruise Control Wiring Diagram (3 Of 14)
G09117743Courtesy of © TOYOTA, LICENSE AGREEMENT TMS1002
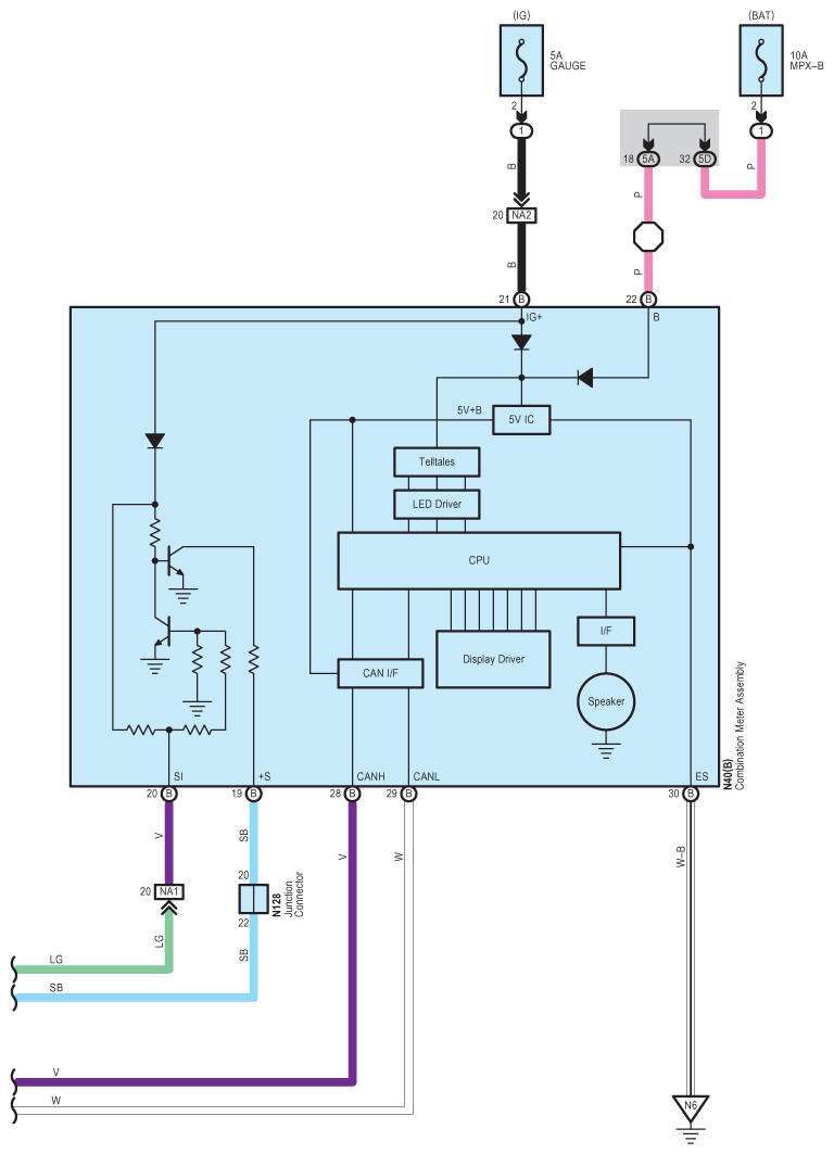
Fig 4: Cruise Control Wiring Diagram (4 Of 14)
G09117744Courtesy of © TOYOTA, LICENSE AGREEMENT TMS1002
Fig 5: Cruise Control Wiring Diagram (5 Of 14)
G09117745Courtesy of © TOYOTA, LICENSE AGREEMENT TMS1002
Fig 6: Cruise Control Wiring Diagram (6 Of 14)
G09117746Courtesy of © TOYOTA, LICENSE AGREEMENT TMS1002
Fig 7: Cruise Control Wiring Diagram (7 Of 14)
G09117747Courtesy of © TOYOTA, LICENSE AGREEMENT TMS1002
Fig 8: Cruise Control Wiring Diagram (8 Of 14)
G09117748Courtesy of © TOYOTA, LICENSE AGREEMENT TMS1002
Fig 9: Cruise Control Wiring Diagram (9 Of 14)
G09117749Courtesy of © TOYOTA, LICENSE AGREEMENT TMS1002
Fig 10: Cruise Control Wiring Diagram (10 Of 14)
G09117750Courtesy of © TOYOTA, LICENSE AGREEMENT TMS1002
Fig 11: Cruise Control Wiring Diagram (11 Of 14)
G09117751Courtesy of © TOYOTA, LICENSE AGREEMENT TMS1002
Fig 12: Cruise Control Wiring Diagram (12 Of 14)
G09117752Courtesy of © TOYOTA, LICENSE AGREEMENT TMS1002
Fig 13: Cruise Control Wiring Diagram (13 Of 14)
G09117753Courtesy of © TOYOTA, LICENSE AGREEMENT TMS1002
Fig 14: Cruise Control Wiring Diagram (14 Of 14)
G09117754Courtesy of © TOYOTA, LICENSE AGREEMENT TMS1002