LEMON Manuals: Even more car manuals for everyone: 1960-2025
Home >> Lexus >> 2013 >> GS 450h >> Repair and Diagnosis >> Electrical >> Body Electrical >> OEM System Circuits >> Hybrid System and Shift Control System >> Notes
April 5, 2026: LEMON Manuals is launched! Read the announcement.

Hybrid System and Shift Control System: Notes

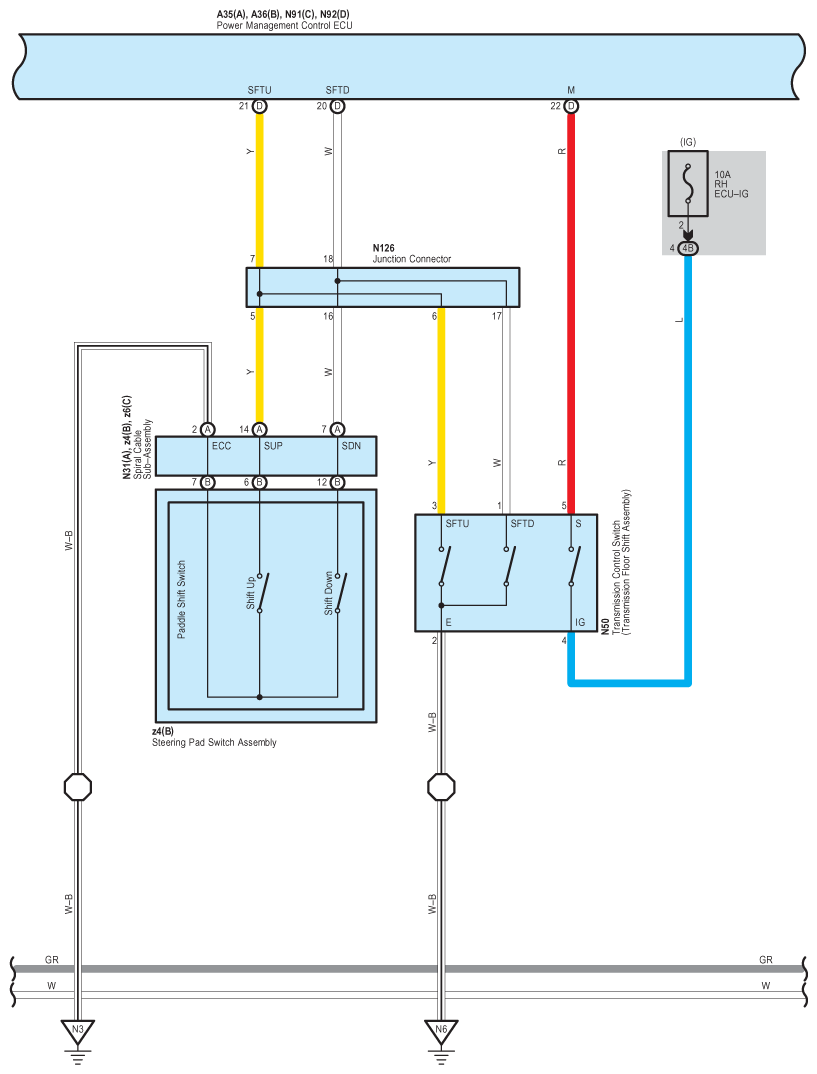
Fig 1: Hybrid And Shift Control System Wiring Diagram (1 Of 24)
G09117685Courtesy of © TOYOTA, LICENSE AGREEMENT TMS1002
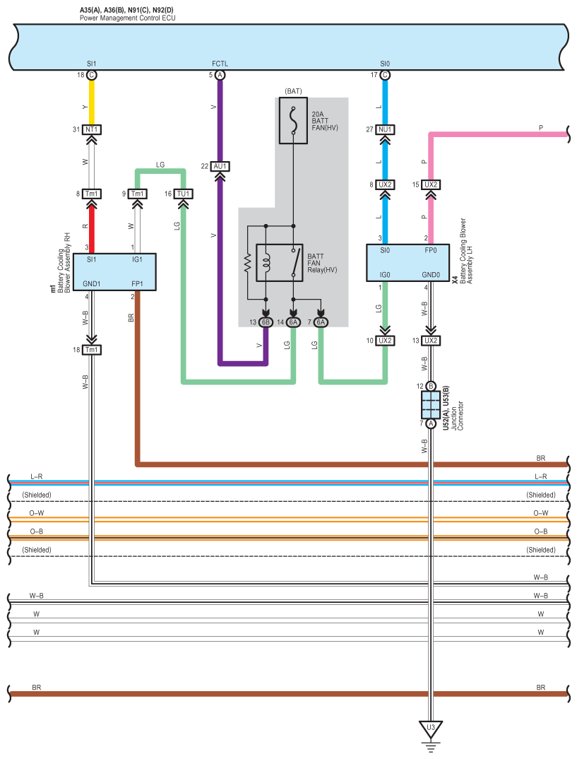
Fig 2: Hybrid And Shift Control System Wiring Diagram (2 Of 24)
G09117686Courtesy of © TOYOTA, LICENSE AGREEMENT TMS1002
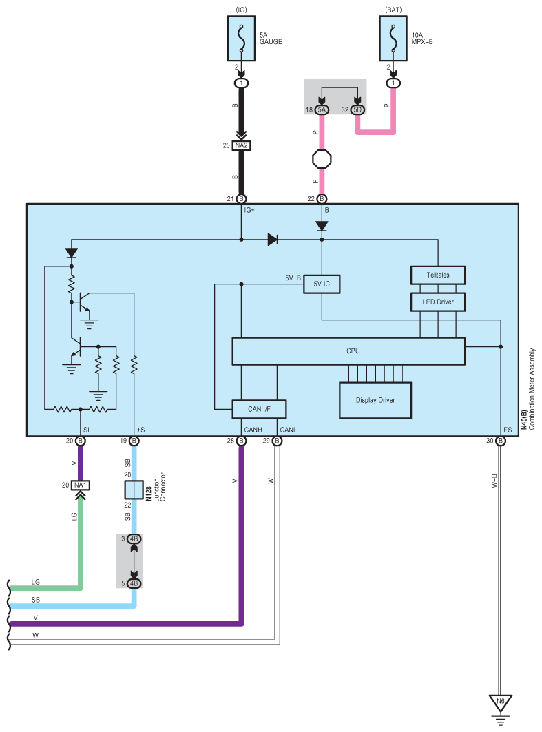
Fig 3: Hybrid And Shift Control System Wiring Diagram (3 Of 24)
G09117687Courtesy of © TOYOTA, LICENSE AGREEMENT TMS1002
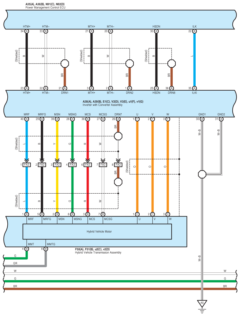
Fig 4: Hybrid And Shift Control System Wiring Diagram (4 Of 24)
G09117688Courtesy of © TOYOTA, LICENSE AGREEMENT TMS1002
Fig 5: Hybrid And Shift Control System Wiring Diagram (5 Of 24)
G09117689Courtesy of © TOYOTA, LICENSE AGREEMENT TMS1002
Fig 6: Hybrid And Shift Control System Wiring Diagram (6 Of 24)
G09117690Courtesy of © TOYOTA, LICENSE AGREEMENT TMS1002
Fig 7: Hybrid And Shift Control System Wiring Diagram (7 Of 24)
G09117691Courtesy of © TOYOTA, LICENSE AGREEMENT TMS1002
Fig 8: Hybrid And Shift Control System Wiring Diagram (8 Of 24)
G09117692Courtesy of © TOYOTA, LICENSE AGREEMENT TMS1002
Fig 9: Hybrid And Shift Control System Wiring Diagram (9 Of 24)
G09117693Courtesy of © TOYOTA, LICENSE AGREEMENT TMS1002
Fig 10: Hybrid And Shift Control System Wiring Diagram (10 Of 24)
G09117694Courtesy of © TOYOTA, LICENSE AGREEMENT TMS1002
Fig 11: Hybrid And Shift Control System Wiring Diagram (11 Of 24)
G09117695Courtesy of © TOYOTA, LICENSE AGREEMENT TMS1002
Fig 12: Hybrid And Shift Control System Wiring Diagram (12 Of 24)
G09117696Courtesy of © TOYOTA, LICENSE AGREEMENT TMS1002
Fig 13: Hybrid And Shift Control System Wiring Diagram (13 Of 24)
G09117697Courtesy of © TOYOTA, LICENSE AGREEMENT TMS1002
Fig 14: Hybrid And Shift Control System Wiring Diagram (14 Of 24)
G09117698Courtesy of © TOYOTA, LICENSE AGREEMENT TMS1002
Fig 15: Hybrid And Shift Control System Wiring Diagram (15 Of 24)
G09117699Courtesy of © TOYOTA, LICENSE AGREEMENT TMS1002
Fig 16: Hybrid And Shift Control System Wiring Diagram (16 Of 24)
G09117700Courtesy of © TOYOTA, LICENSE AGREEMENT TMS1002
Fig 17: Hybrid And Shift Control System Wiring Diagram (17 Of 24)
G09117701Courtesy of © TOYOTA, LICENSE AGREEMENT TMS1002
Fig 18: Hybrid And Shift Control System Wiring Diagram (18 Of 24)
G09117702Courtesy of © TOYOTA, LICENSE AGREEMENT TMS1002
Fig 19: Hybrid And Shift Control System Wiring Diagram (19 Of 24)
G09117703Courtesy of © TOYOTA, LICENSE AGREEMENT TMS1002
Fig 20: Hybrid And Shift Control System Wiring Diagram (20 Of 24)
G09117704Courtesy of © TOYOTA, LICENSE AGREEMENT TMS1002
Fig 21: Hybrid And Shift Control System Wiring Diagram (21 Of 24)
G09117705Courtesy of © TOYOTA, LICENSE AGREEMENT TMS1002
Fig 22: Hybrid And Shift Control System Wiring Diagram (22 Of 24)
G09117706Courtesy of © TOYOTA, LICENSE AGREEMENT TMS1002
Fig 23: Hybrid And Shift Control System Wiring Diagram (23 Of 24)
G09117707Courtesy of © TOYOTA, LICENSE AGREEMENT TMS1002
Fig 24: Hybrid And Shift Control System Wiring Diagram (24 Of 24)
G09117708Courtesy of © TOYOTA, LICENSE AGREEMENT TMS1002