LEMON Manuals: Even more car manuals for everyone: 1960-2025
Home >> Lexus >> 2013 >> GS 450h >> Repair and Diagnosis >> Electrical >> Body Electrical >> OEM System Circuits >> Vehicle Proximity Notification System >> Notes
April 5, 2026: LEMON Manuals is launched! Read the announcement.

Vehicle Proximity Notification System: Notes

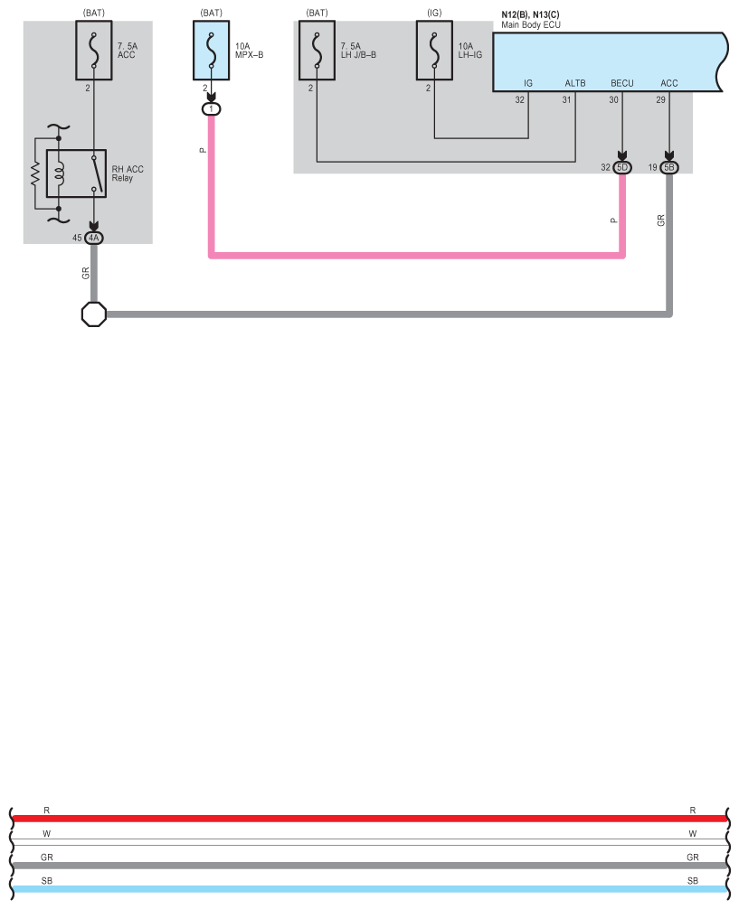
Fig 1: Vehicle Proximity Notification System Wiring Diagram (1 Of 6)
G09118050Courtesy of © TOYOTA, LICENSE AGREEMENT TMS1002
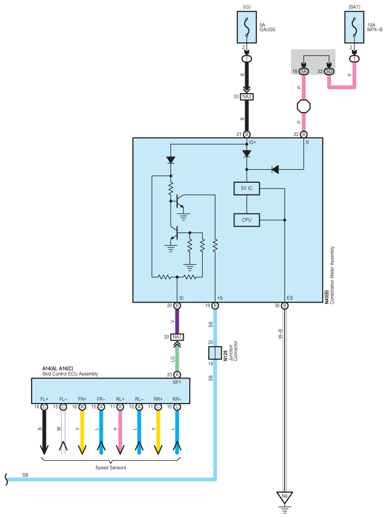
Fig 2: Vehicle Proximity Notification System Wiring Diagram (2 Of 6)
G09118051Courtesy of © TOYOTA, LICENSE AGREEMENT TMS1002
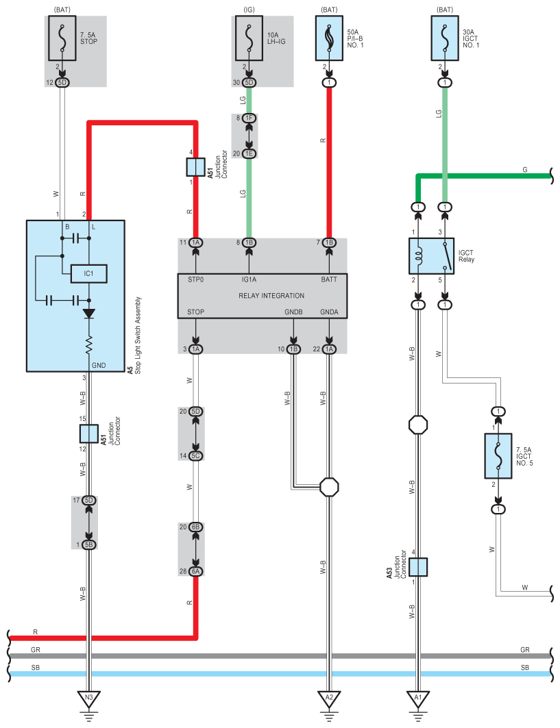
Fig 3: Vehicle Proximity Notification System Wiring Diagram (3 Of 6)
G09118052Courtesy of © TOYOTA, LICENSE AGREEMENT TMS1002
Fig 4: Vehicle Proximity Notification System Wiring Diagram (4 Of 6)
G09118053Courtesy of © TOYOTA, LICENSE AGREEMENT TMS1002
Fig 5: Vehicle Proximity Notification System Wiring Diagram (5 Of 6)
G09118054Courtesy of © TOYOTA, LICENSE AGREEMENT TMS1002
Fig 6: Vehicle Proximity Notification System Wiring Diagram (6 Of 6)
G09118055Courtesy of © TOYOTA, LICENSE AGREEMENT TMS1002