LEMON Manuals: Even more car manuals for everyone: 1960-2025
Home >> Lexus >> 2013 >> GX 460 Base >> Repair and Diagnosis >> Electrical >> Body Electrical >> OEM System Circuits >> Back-Up Light >> Notes
April 5, 2026: LEMON Manuals is launched! Read the announcement.

Back-Up Light: Notes

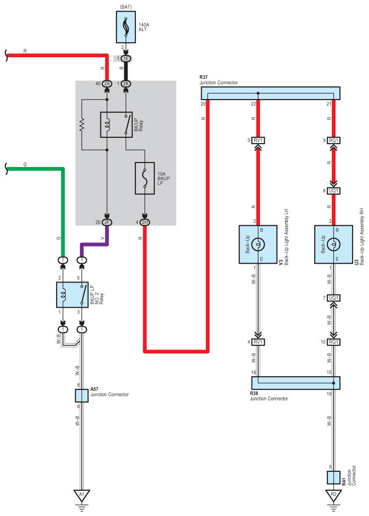
Fig 1: Back-Up Light - Wiring Diagram (1 Of 2)
G09114545Courtesy of © TOYOTA, LICENSE AGREEMENT TMS1002
Fig 2: Back-Up Light - Wiring Diagram (2 Of 2)
G09114546Courtesy of © TOYOTA, LICENSE AGREEMENT TMS1002