LEMON Manuals: Even more car manuals for everyone: 1960-2025
Home >> Lexus >> 2013 >> GX 460 Base >> Repair and Diagnosis >> Electrical >> Body Electrical >> OEM System Circuits >> Door Lock Control >> Notes
April 5, 2026: LEMON Manuals is launched! Read the announcement.

Door Lock Control: Notes

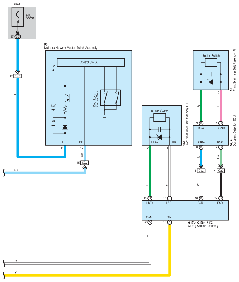
Fig 1: Door Lock Control - Wiring Diagram (1 Of 10)
G09114677Courtesy of © TOYOTA, LICENSE AGREEMENT TMS1002
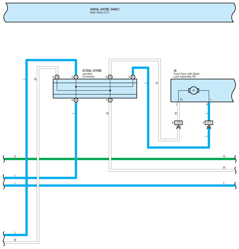
Fig 2: Door Lock Control - Wiring Diagram (2 Of 10)
G09114678Courtesy of © TOYOTA, LICENSE AGREEMENT TMS1002
Fig 3: Door Lock Control - Wiring Diagram (3 Of 10)
G09114679Courtesy of © TOYOTA, LICENSE AGREEMENT TMS1002
Fig 4: Door Lock Control - Wiring Diagram (4 Of 10)
G09114680Courtesy of © TOYOTA, LICENSE AGREEMENT TMS1002
Fig 5: Door Lock Control - Wiring Diagram (5 Of 10)
G09114681Courtesy of © TOYOTA, LICENSE AGREEMENT TMS1002
Fig 6: Door Lock Control - Wiring Diagram (6 Of 10)
G09114682Courtesy of © TOYOTA, LICENSE AGREEMENT TMS1002
Fig 7: Door Lock Control - Wiring Diagram (7 Of 10)
G09114683Courtesy of © TOYOTA, LICENSE AGREEMENT TMS1002
Fig 8: Door Lock Control - Wiring Diagram (8 Of 10)
G09114684Courtesy of © TOYOTA, LICENSE AGREEMENT TMS1002
Fig 9: Door Lock Control - Wiring Diagram (9 Of 10)
G09114685Courtesy of © TOYOTA, LICENSE AGREEMENT TMS1002
Fig 10: Door Lock Control - Wiring Diagram (10 Of 10)
G09114686Courtesy of © TOYOTA, LICENSE AGREEMENT TMS1002