LEMON Manuals: Even more car manuals for everyone: 1960-2025
Home >> Lexus >> 2013 >> GX 460 Base >> Repair and Diagnosis >> Electrical >> Body Electrical >> OEM System Circuits >> Headlight Cleaner >> Notes
April 5, 2026: LEMON Manuals is launched! Read the announcement.

Headlight Cleaner: Notes

Fig 1: Headlight Cleaner - Wiring Diagram (1 Of 3)
G09114602Courtesy of © TOYOTA, LICENSE AGREEMENT TMS1002
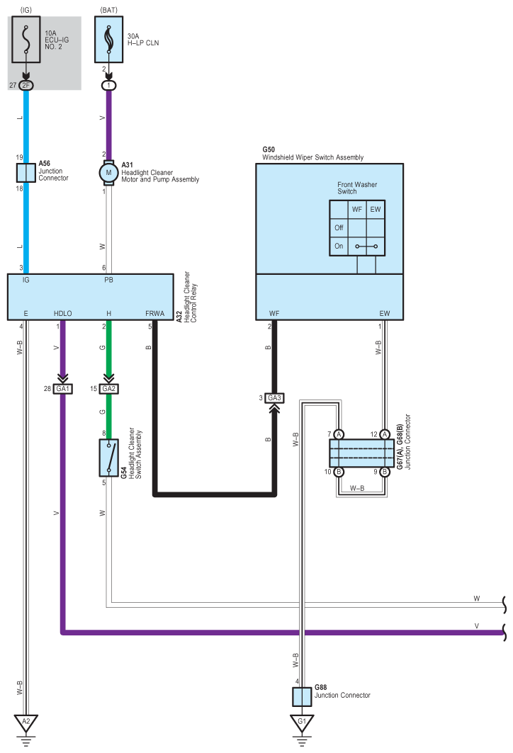
Fig 2: Headlight Cleaner - Wiring Diagram (2 Of 3)
G09114603Courtesy of © TOYOTA, LICENSE AGREEMENT TMS1002
Fig 3: Headlight Cleaner - Wiring Diagram (3 Of 3)
G09114604Courtesy of © TOYOTA, LICENSE AGREEMENT TMS1002