LEMON Manuals: Even more car manuals for everyone: 1960-2025
Home >> Lexus >> 2013 >> GX 460 Base >> Repair and Diagnosis >> Electrical >> Body Electrical >> OEM System Circuits >> Multiplex Communication System (CAN) >> Notes
April 5, 2026: LEMON Manuals is launched! Read the announcement.

Multiplex Communication System (CAN): Notes

Fig 1: Multiplex Communication System (CAN) - Wiring Diagram (1 Of 6)
G09114526Courtesy of © TOYOTA, LICENSE AGREEMENT TMS1002
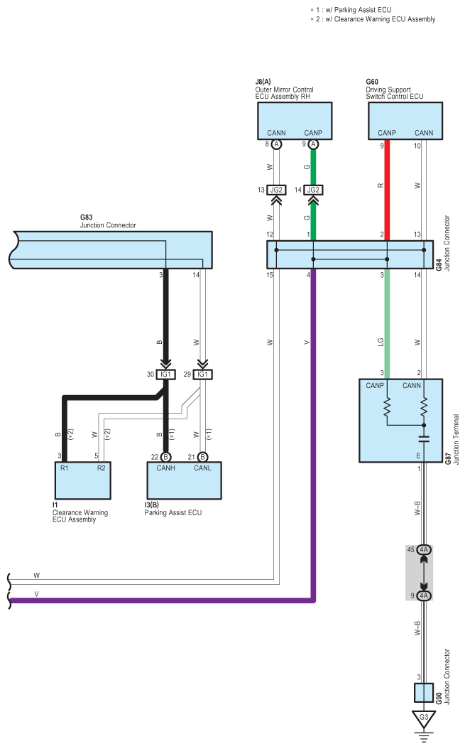
Fig 2: Multiplex Communication System (CAN) - Wiring Diagram (2 Of 6)
G09114527Courtesy of © TOYOTA, LICENSE AGREEMENT TMS1002
Fig 3: Multiplex Communication System (CAN) - Wiring Diagram (3 Of 6)
G09114528Courtesy of © TOYOTA, LICENSE AGREEMENT TMS1002
Fig 4: Multiplex Communication System (CAN) - Wiring Diagram (4 Of 6)
G09114529Courtesy of © TOYOTA, LICENSE AGREEMENT TMS1002
Fig 5: Multiplex Communication System (CAN) - Wiring Diagram (5 Of 6)
G09114530Courtesy of © TOYOTA, LICENSE AGREEMENT TMS1002
Fig 6: Multiplex Communication System (CAN) - Wiring Diagram (6 Of 6)
G09114531Courtesy of © TOYOTA, LICENSE AGREEMENT TMS1002