LEMON Manuals: Even more car manuals for everyone: 1960-2025
Home >> Lexus >> 2013 >> GX 460 Base >> Repair and Diagnosis >> Electrical >> Body Electrical >> OEM System Circuits >> Trailer Towing >> Notes
April 5, 2026: LEMON Manuals is launched! Read the announcement.

Trailer Towing: Notes

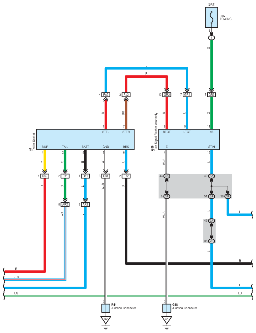
Fig 1: Trailer Towing - Wiring Diagram (1 Of 5)
G09114748Courtesy of © TOYOTA, LICENSE AGREEMENT TMS1002
Fig 2: Trailer Towing - Wiring Diagram (2 Of 5)
G09114749Courtesy of © TOYOTA, LICENSE AGREEMENT TMS1002
Fig 3: Trailer Towing - Wiring Diagram (3 Of 5)
G09114750Courtesy of © TOYOTA, LICENSE AGREEMENT TMS1002
Fig 4: Trailer Towing - Wiring Diagram (4 Of 5)
G09114751Courtesy of © TOYOTA, LICENSE AGREEMENT TMS1002
Fig 5: Trailer Towing - Wiring Diagram (5 Of 5)
G09114752Courtesy of © TOYOTA, LICENSE AGREEMENT TMS1002