LEMON Manuals: Even more car manuals for everyone: 1960-2025
Home >> Lexus >> 2013 >> IS 250 Base, AWD >> Repair and Diagnosis >> Electrical >> Body Electrical >> OEM System Circuits >> Cruise Control (2GR-FSE) >> Notes
April 5, 2026: LEMON Manuals is launched! Read the announcement.

Cruise Control (2GR-FSE): Notes

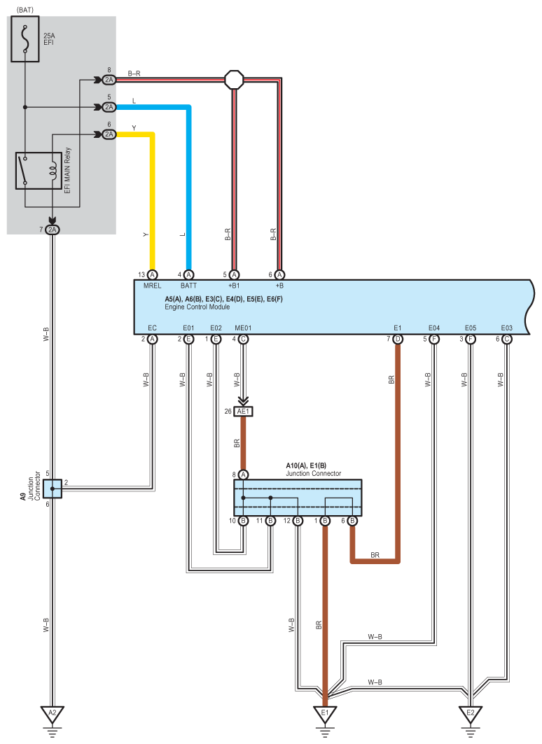
Fig 1: Cruise Control (2GR-FSE) System Wiring Diagram (1 Of 8)
G09119129Courtesy of © TOYOTA, LICENSE AGREEMENT TMS1002
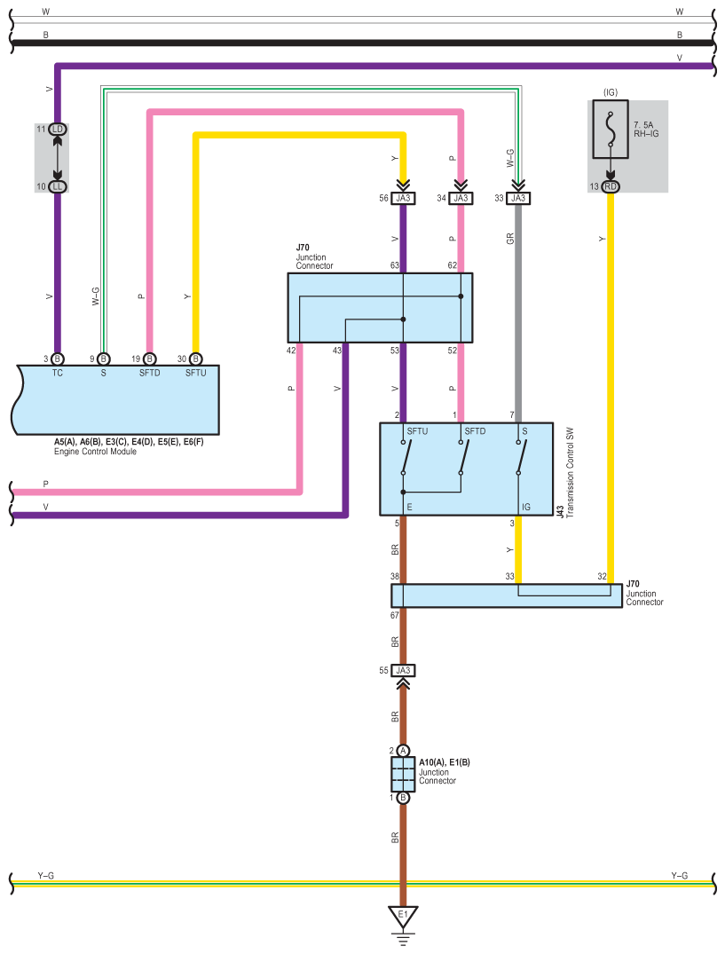
Fig 2: Cruise Control (2GR-FSE) System Wiring Diagram (2 Of 8)
G09119130Courtesy of © TOYOTA, LICENSE AGREEMENT TMS1002
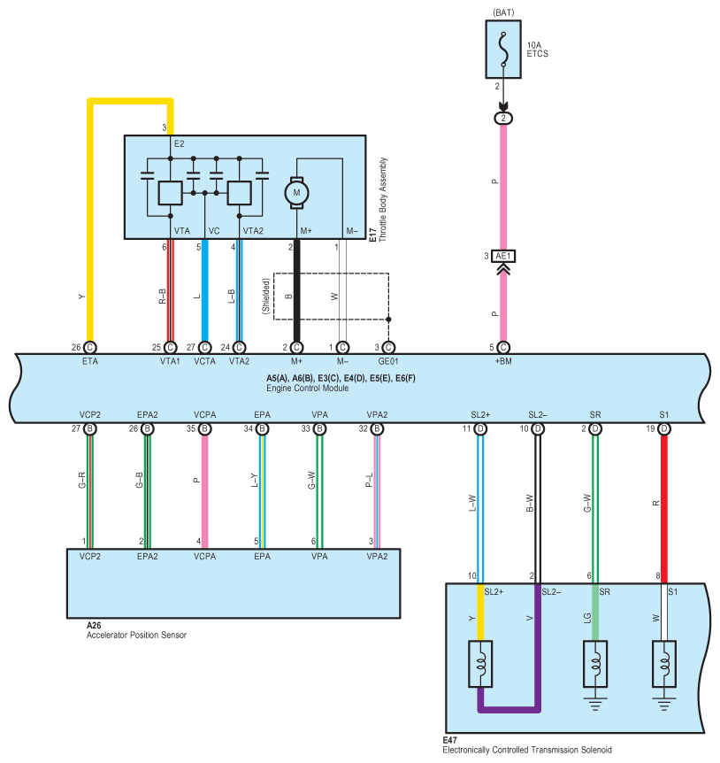
Fig 3: Cruise Control (2GR-FSE) System Wiring Diagram (3 Of 8)
G09119131Courtesy of © TOYOTA, LICENSE AGREEMENT TMS1002
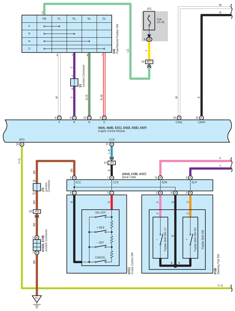
Fig 4: Cruise Control (2GR-FSE) System Wiring Diagram (4 Of 8)
G09119132Courtesy of © TOYOTA, LICENSE AGREEMENT TMS1002
Fig 5: Cruise Control (2GR-FSE) System Wiring Diagram (5 Of 8)
G09119133Courtesy of © TOYOTA, LICENSE AGREEMENT TMS1002
Fig 6: Cruise Control (2GR-FSE) System Wiring Diagram (6 Of 8)
G09119134Courtesy of © TOYOTA, LICENSE AGREEMENT TMS1002
Fig 7: Cruise Control (2GR-FSE) System Wiring Diagram (7 Of 8)
G09119135Courtesy of © TOYOTA, LICENSE AGREEMENT TMS1002
Fig 8: Cruise Control (2GR-FSE) System Wiring Diagram (8 Of 8)
G09119136Courtesy of © TOYOTA, LICENSE AGREEMENT TMS1002