LEMON Manuals: Even more car manuals for everyone: 1960-2025
Home >> Lexus >> 2013 >> IS 350 Base, AWD >> Repair and Diagnosis >> Electrical >> Body Electrical >> OEM System Circuits >> Remote Control Mirror (w/Seat Position Memory) >> Notes
April 5, 2026: LEMON Manuals is launched! Read the announcement.

Remote Control Mirror (w/Seat Position Memory): Notes

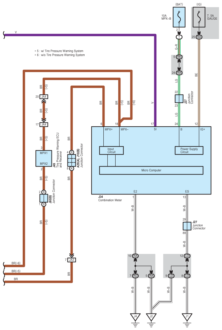
Fig 1: Remote Control Mirror (With Seat Position Memory) System Wiring Diagram (1 Of 7)
G09119213Courtesy of © TOYOTA, LICENSE AGREEMENT TMS1002
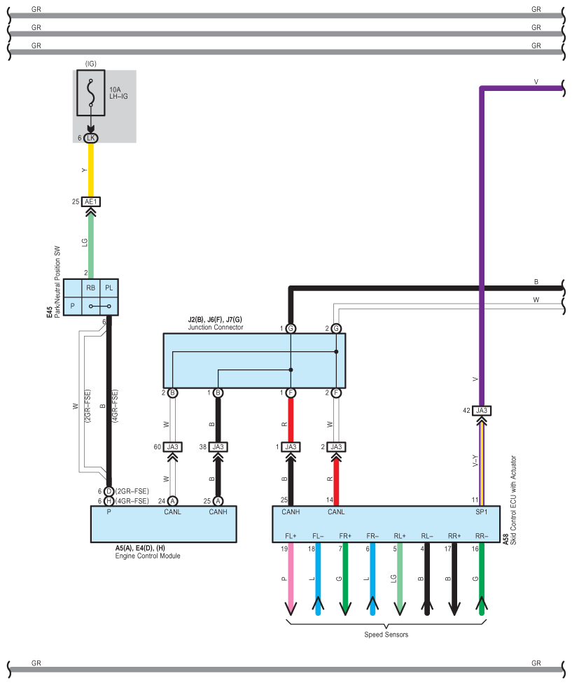
Fig 2: Remote Control Mirror (With Seat Position Memory) System Wiring Diagram (2 Of 7)
G09119214Courtesy of © TOYOTA, LICENSE AGREEMENT TMS1002
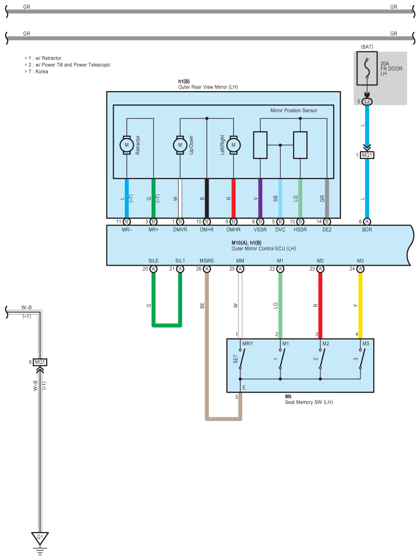
Fig 3: Remote Control Mirror (With Seat Position Memory) System Wiring Diagram (3 Of 7)
G09119215Courtesy of © TOYOTA, LICENSE AGREEMENT TMS1002
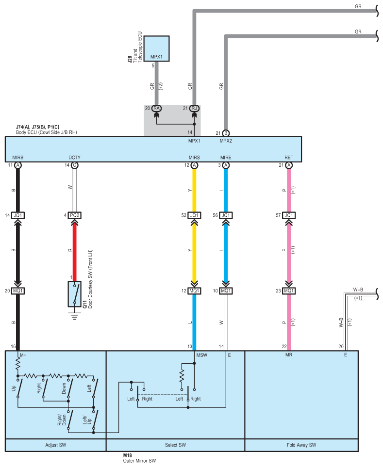
Fig 4: Remote Control Mirror (With Seat Position Memory) System Wiring Diagram (4 Of 7)
G09119216Courtesy of © TOYOTA, LICENSE AGREEMENT TMS1002
Fig 5: Remote Control Mirror (With Seat Position Memory) System Wiring Diagram (5 Of 7)
G09119217Courtesy of © TOYOTA, LICENSE AGREEMENT TMS1002
Fig 6: Remote Control Mirror (With Seat Position Memory) System Wiring Diagram (6 Of 7)
G09119218Courtesy of © TOYOTA, LICENSE AGREEMENT TMS1002
Fig 7: Remote Control Mirror (With Seat Position Memory) System Wiring Diagram (7 Of 7)
G09119219Courtesy of © TOYOTA, LICENSE AGREEMENT TMS1002