LEMON Manuals: Even more car manuals for everyone: 1960-2025
Home >> Lexus >> 2013 >> IS F >> Repair and Diagnosis >> Electrical >> Body Electrical >> OEM System Circuits >> Cruise Control >> Notes
April 5, 2026: LEMON Manuals is launched! Read the announcement.

Cruise Control: Notes

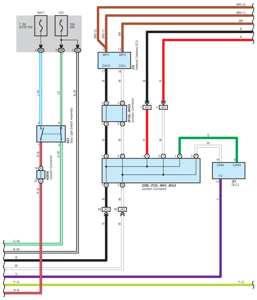
Fig 1: Cruise Control System Wiring Diagram (1 Of 10)
G09122281Courtesy of © TOYOTA, LICENSE AGREEMENT TMS1002
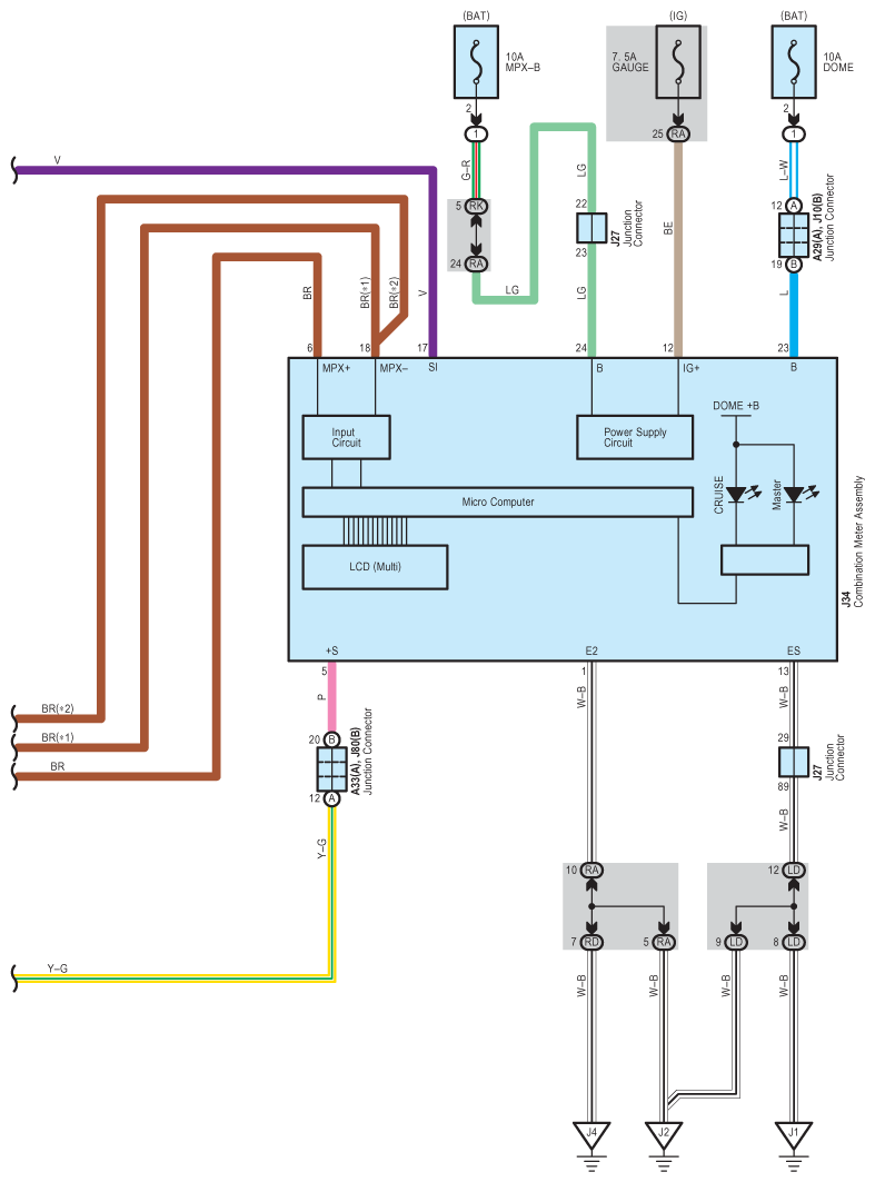
Fig 2: Cruise Control System Wiring Diagram (2 Of 10)
G09122282Courtesy of © TOYOTA, LICENSE AGREEMENT TMS1002
Fig 3: Cruise Control System Wiring Diagram (3 Of 10)
G09122283Courtesy of © TOYOTA, LICENSE AGREEMENT TMS1002
Fig 4: Cruise Control System Wiring Diagram (4 Of 10)
G09122284Courtesy of © TOYOTA, LICENSE AGREEMENT TMS1002
Fig 5: Cruise Control System Wiring Diagram (5 Of 10)
G09122285Courtesy of © TOYOTA, LICENSE AGREEMENT TMS1002
Fig 6: Cruise Control System Wiring Diagram (6 Of 10)
G09122286Courtesy of © TOYOTA, LICENSE AGREEMENT TMS1002
Fig 7: Cruise Control System Wiring Diagram (7 Of 10)
G09122287Courtesy of © TOYOTA, LICENSE AGREEMENT TMS1002
Fig 8: Cruise Control System Wiring Diagram (8 Of 10)
G09122288Courtesy of © TOYOTA, LICENSE AGREEMENT TMS1002
Fig 9: Cruise Control System Wiring Diagram (9 Of 10)
G09122289Courtesy of © TOYOTA, LICENSE AGREEMENT TMS1002
Fig 10: Cruise Control System Wiring Diagram (10 Of 10)
G09122290Courtesy of © TOYOTA, LICENSE AGREEMENT TMS1002