LEMON Manuals: Even more car manuals for everyone: 1960-2025
Home >> Lexus >> 2013 >> IS F >> Repair and Diagnosis >> Electrical >> Body Electrical >> OEM System Circuits >> Dynamic Radar Cruise Control >> Notes
April 5, 2026: LEMON Manuals is launched! Read the announcement.

Dynamic Radar Cruise Control: Notes

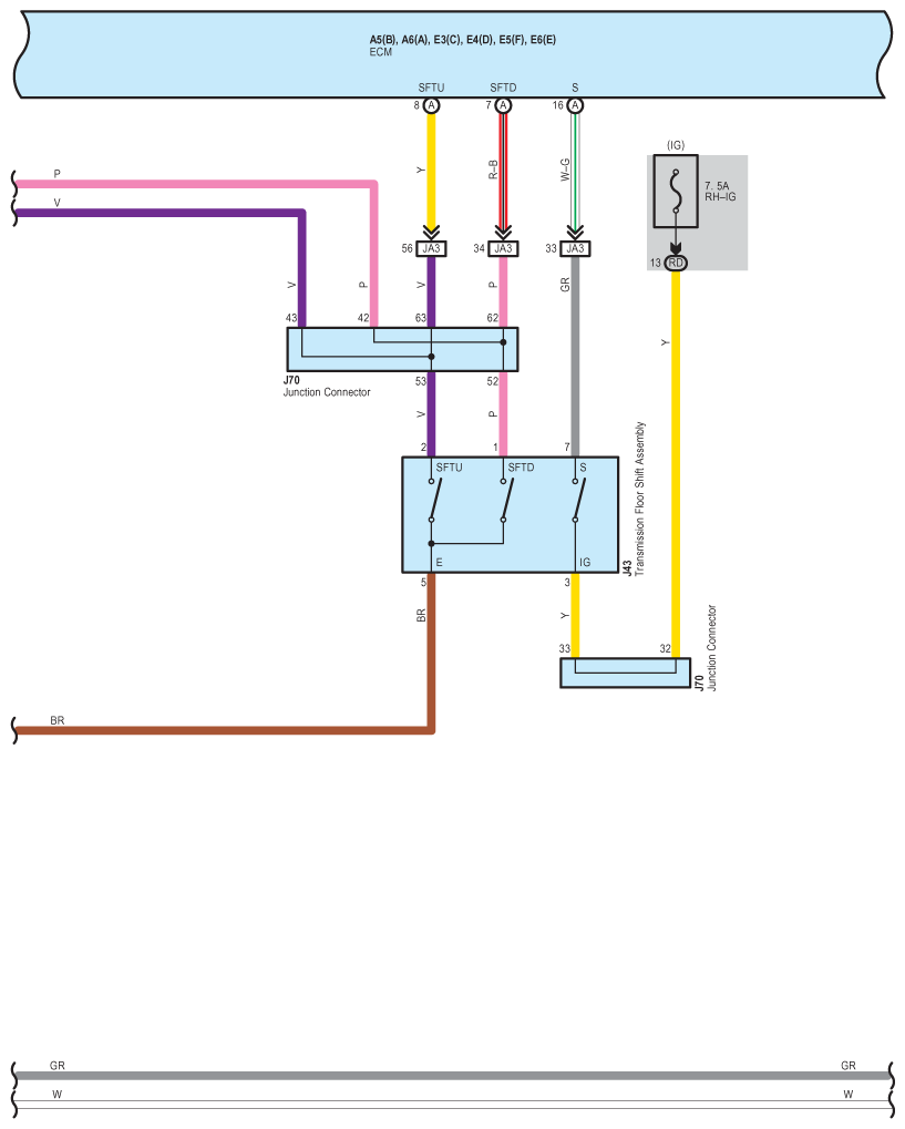
Fig 1: Dynamic Radar Cruise Control System Wiring Diagram (1 Of 18)
G09122263Courtesy of © TOYOTA, LICENSE AGREEMENT TMS1002
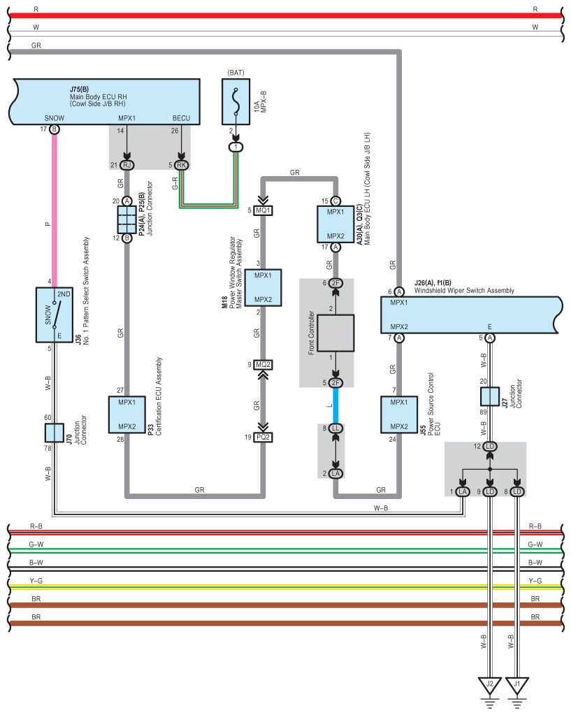
Fig 2: Dynamic Radar Cruise Control System Wiring Diagram (2 Of 18)
G09122264Courtesy of © TOYOTA, LICENSE AGREEMENT TMS1002
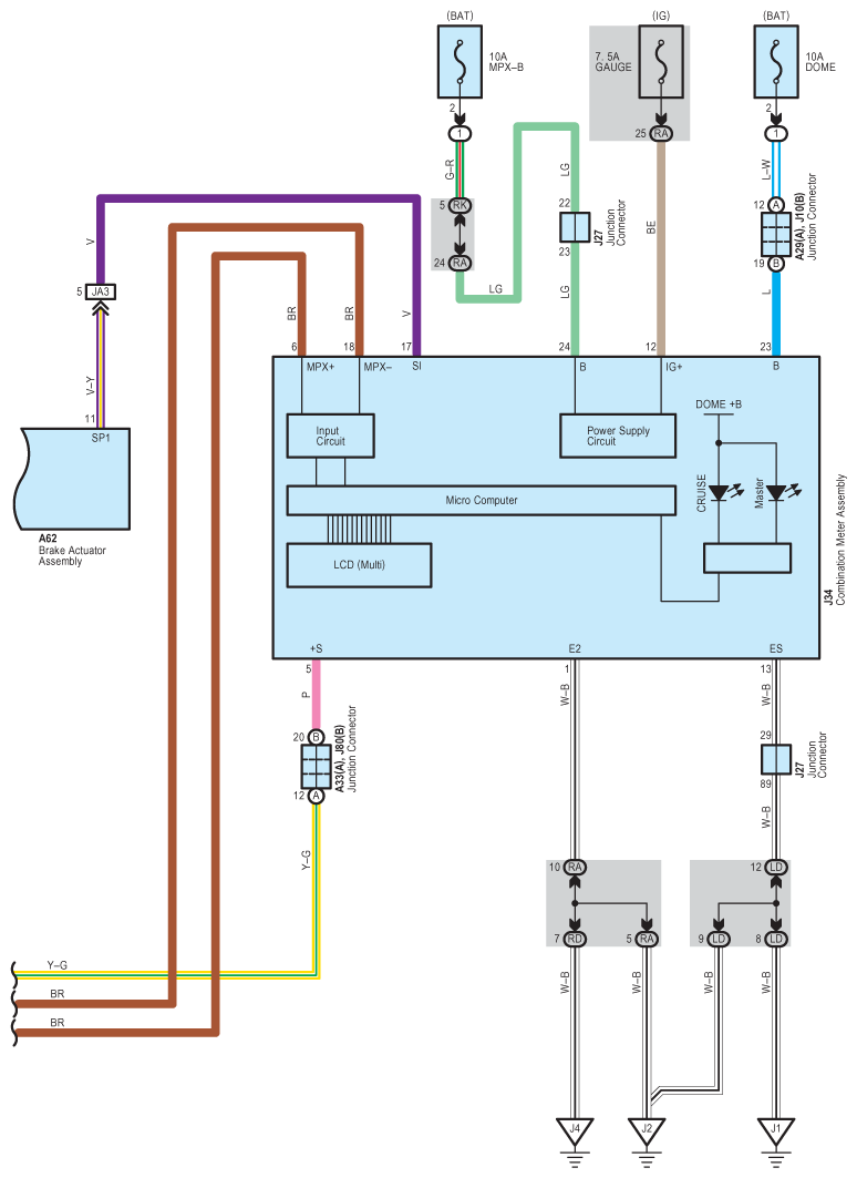
Fig 3: Dynamic Radar Cruise Control System Wiring Diagram (3 Of 18)
G09122265Courtesy of © TOYOTA, LICENSE AGREEMENT TMS1002
Fig 4: Dynamic Radar Cruise Control System Wiring Diagram (4 Of 18)
G09122266Courtesy of © TOYOTA, LICENSE AGREEMENT TMS1002
Fig 5: Dynamic Radar Cruise Control System Wiring Diagram (5 Of 18)
G09122267Courtesy of © TOYOTA, LICENSE AGREEMENT TMS1002
Fig 6: Dynamic Radar Cruise Control System Wiring Diagram (6 Of 18)
G09122268Courtesy of © TOYOTA, LICENSE AGREEMENT TMS1002
Fig 7: Dynamic Radar Cruise Control System Wiring Diagram (7 Of 18)
G09122269Courtesy of © TOYOTA, LICENSE AGREEMENT TMS1002
Fig 8: Dynamic Radar Cruise Control System Wiring Diagram (8 Of 18)
G09122270Courtesy of © TOYOTA, LICENSE AGREEMENT TMS1002
Fig 9: Dynamic Radar Cruise Control System Wiring Diagram (9 Of 18)
G09122271Courtesy of © TOYOTA, LICENSE AGREEMENT TMS1002
Fig 10: Dynamic Radar Cruise Control System Wiring Diagram (10 Of 18)
G09122272Courtesy of © TOYOTA, LICENSE AGREEMENT TMS1002
Fig 11: Dynamic Radar Cruise Control System Wiring Diagram (11 Of 18)
G09122273Courtesy of © TOYOTA, LICENSE AGREEMENT TMS1002
Fig 12: Dynamic Radar Cruise Control System Wiring Diagram (12 Of 18)
G09122274Courtesy of © TOYOTA, LICENSE AGREEMENT TMS1002
Fig 13: Dynamic Radar Cruise Control System Wiring Diagram (13 Of 18)
G09122275Courtesy of © TOYOTA, LICENSE AGREEMENT TMS1002
Fig 14: Dynamic Radar Cruise Control System Wiring Diagram (14 Of 18)
G09122276Courtesy of © TOYOTA, LICENSE AGREEMENT TMS1002
Fig 15: Dynamic Radar Cruise Control System Wiring Diagram (15 Of 18)
G09122277Courtesy of © TOYOTA, LICENSE AGREEMENT TMS1002
Fig 16: Dynamic Radar Cruise Control System Wiring Diagram (16 Of 18)
G09122278Courtesy of © TOYOTA, LICENSE AGREEMENT TMS1002
Fig 17: Dynamic Radar Cruise Control System Wiring Diagram (17 Of 18)
G09122279Courtesy of © TOYOTA, LICENSE AGREEMENT TMS1002
Fig 18: Dynamic Radar Cruise Control System Wiring Diagram (18 Of 18)
G09122280Courtesy of © TOYOTA, LICENSE AGREEMENT TMS1002