LEMON Manuals: Even more car manuals for everyone: 1960-2025
Home >> Lexus >> 2013 >> IS F >> Repair and Diagnosis >> Electrical >> Body Electrical >> OEM System Circuits >> Interior Light >> Notes
April 5, 2026: LEMON Manuals is launched! Read the announcement.

Interior Light: Notes

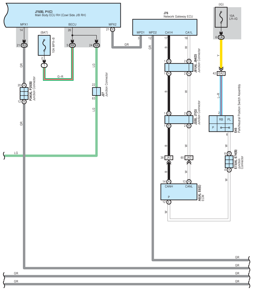
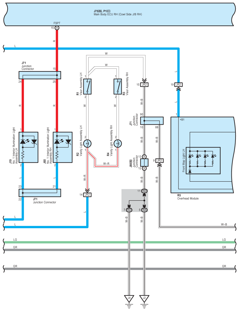
Fig 1: Interior Light System Wiring Diagram (1 Of 11)
G09122182Courtesy of © TOYOTA, LICENSE AGREEMENT TMS1002
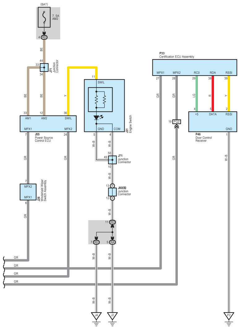
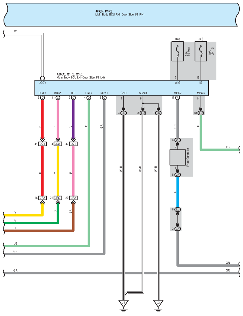
Fig 2: Interior Light System Wiring Diagram (2 Of 11)
G09122183Courtesy of © TOYOTA, LICENSE AGREEMENT TMS1002
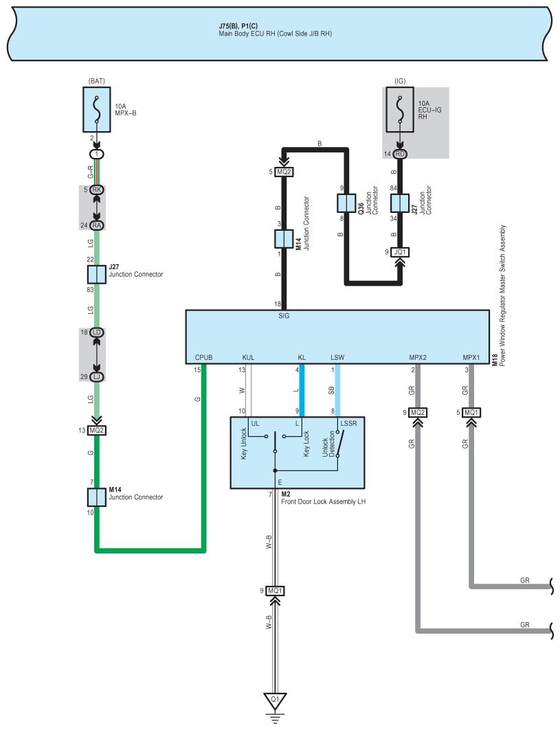
Fig 3: Interior Light System Wiring Diagram (3 Of 11)
G09122184Courtesy of © TOYOTA, LICENSE AGREEMENT TMS1002
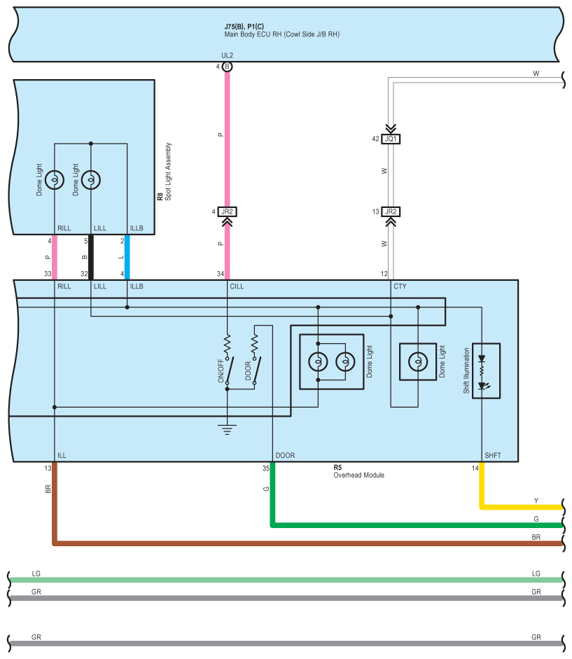
Fig 4: Interior Light System Wiring Diagram (4 Of 11)
G09122185Courtesy of © TOYOTA, LICENSE AGREEMENT TMS1002
Fig 5: Interior Light System Wiring Diagram (5 Of 11)
G09122186Courtesy of © TOYOTA, LICENSE AGREEMENT TMS1002
Fig 6: Interior Light System Wiring Diagram (6 Of 11)
G09122187Courtesy of © TOYOTA, LICENSE AGREEMENT TMS1002
Fig 7: Interior Light System Wiring Diagram (7 Of 11)
G09122188Courtesy of © TOYOTA, LICENSE AGREEMENT TMS1002
Fig 8: Interior Light System Wiring Diagram (8 Of 11)
G09122189Courtesy of © TOYOTA, LICENSE AGREEMENT TMS1002
Fig 9: Interior Light System Wiring Diagram (9 Of 11)
G09122190Courtesy of © TOYOTA, LICENSE AGREEMENT TMS1002
Fig 10: Interior Light System Wiring Diagram (10 Of 11)
G09122191Courtesy of © TOYOTA, LICENSE AGREEMENT TMS1002
Fig 11: Interior Light System Wiring Diagram (11 Of 11)
G09122192Courtesy of © TOYOTA, LICENSE AGREEMENT TMS1002