LEMON Manuals: Even more car manuals for everyone: 1960-2025
Home >> Lexus >> 2013 >> IS F >> Repair and Diagnosis >> Electrical >> Body Electrical >> OEM System Circuits >> Sliding Roof >> Notes
April 5, 2026: LEMON Manuals is launched! Read the announcement.

Sliding Roof: Notes

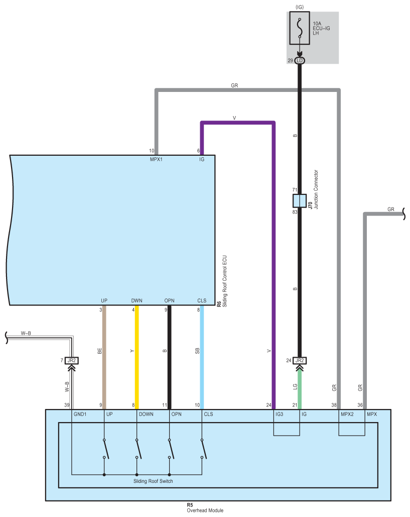
Fig 1: Sliding Roof System Wiring Diagram (1 Of 6)
G09122323Courtesy of © TOYOTA, LICENSE AGREEMENT TMS1002
Fig 2: Sliding Roof System Wiring Diagram (2 Of 6)
G09122324Courtesy of © TOYOTA, LICENSE AGREEMENT TMS1002
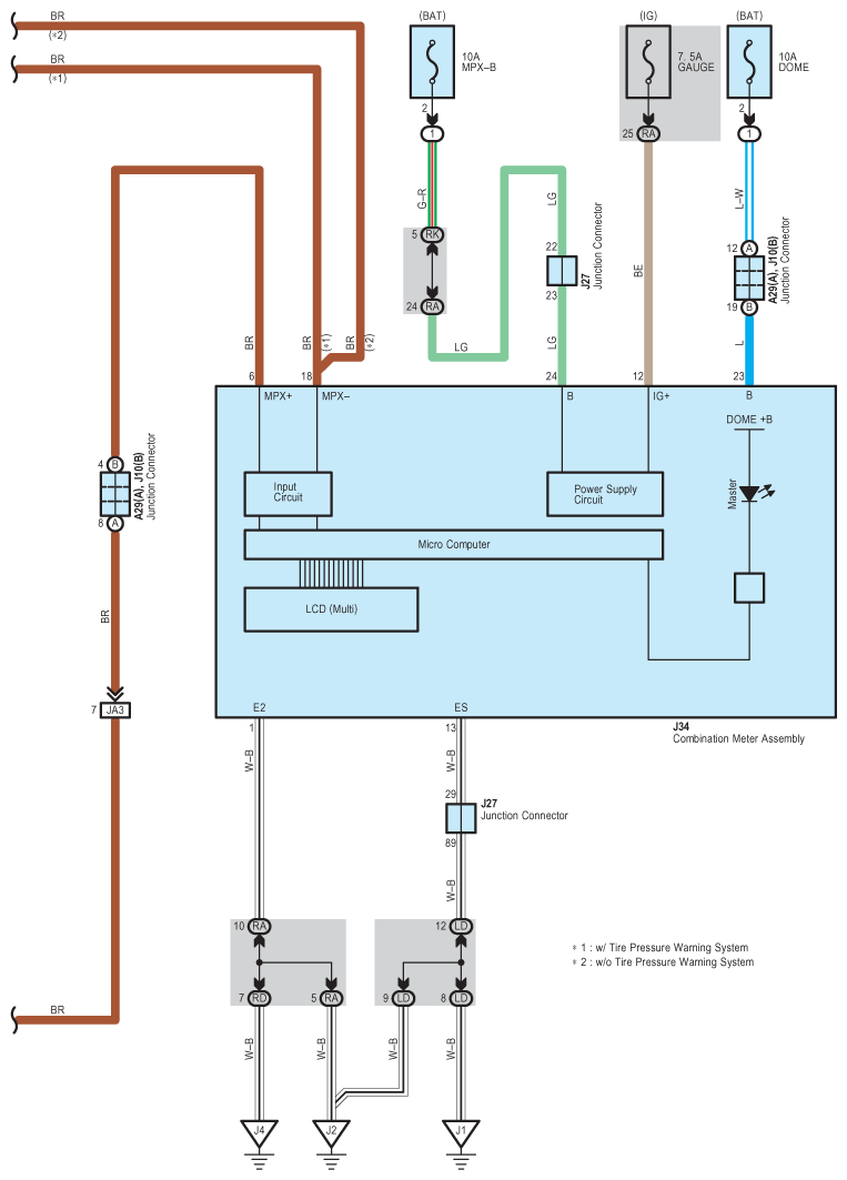
Fig 3: Sliding Roof System Wiring Diagram (3 Of 6)
G09122325Courtesy of © TOYOTA, LICENSE AGREEMENT TMS1002
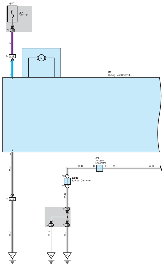
Fig 4: Sliding Roof System Wiring Diagram (4 Of 6)
G09122326Courtesy of © TOYOTA, LICENSE AGREEMENT TMS1002
Fig 5: Sliding Roof System Wiring Diagram (5 Of 6)
G09122327Courtesy of © TOYOTA, LICENSE AGREEMENT TMS1002
Fig 6: Sliding Roof System Wiring Diagram (6 Of 6)
G09122328Courtesy of © TOYOTA, LICENSE AGREEMENT TMS1002