LEMON Manuals: Even more car manuals for everyone: 1960-2025
Home >> Lexus >> 2013 >> LS 600hL >> Repair and Diagnosis >> Electrical >> Body Electrical >> OEM System Circuits >> Air Conditioning >> Notes
April 5, 2026: LEMON Manuals is launched! Read the announcement.

Air Conditioning: Notes

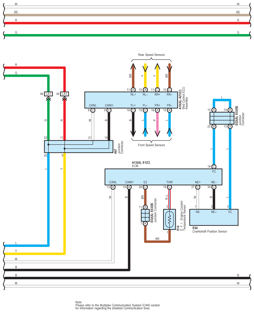
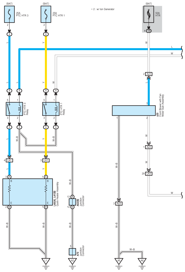
Fig 1: Air Conditioning System Wiring Diagram (1 Of 17)
G09123561Courtesy of © TOYOTA, LICENSE AGREEMENT TMS1002
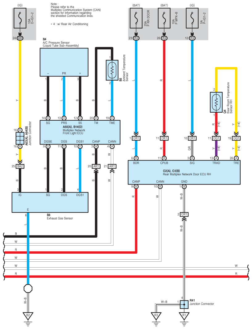
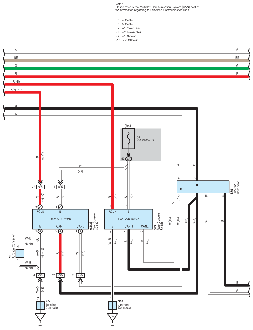
Fig 2: Air Conditioning System Wiring Diagram (2 Of 17)
G09123562Courtesy of © TOYOTA, LICENSE AGREEMENT TMS1002
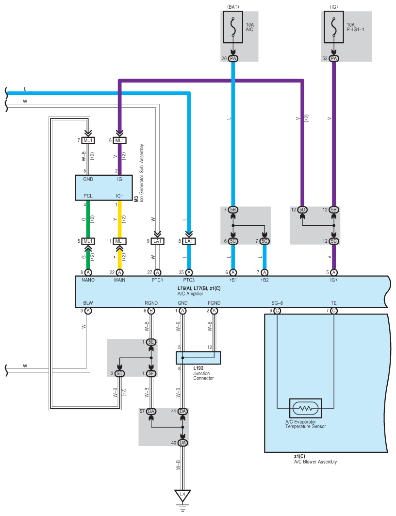
Fig 3: Air Conditioning System Wiring Diagram (3 Of 17)
G09123563Courtesy of © TOYOTA, LICENSE AGREEMENT TMS1002
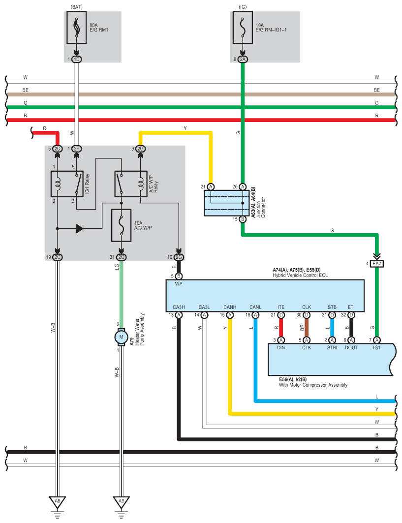
Fig 4: Air Conditioning System Wiring Diagram (4 Of 17)
G09123564Courtesy of © TOYOTA, LICENSE AGREEMENT TMS1002
Fig 5: Air Conditioning System Wiring Diagram (5 Of 17)
G09123565Courtesy of © TOYOTA, LICENSE AGREEMENT TMS1002
Fig 6: Air Conditioning System Wiring Diagram (6 Of 17)
G09123566Courtesy of © TOYOTA, LICENSE AGREEMENT TMS1002
Fig 7: Air Conditioning System Wiring Diagram (7 Of 17)
G09123567Courtesy of © TOYOTA, LICENSE AGREEMENT TMS1002
Fig 8: Air Conditioning System Wiring Diagram (8 Of 17)
G09123568Courtesy of © TOYOTA, LICENSE AGREEMENT TMS1002
Fig 9: Air Conditioning System Wiring Diagram (9 Of 17)
G09123569Courtesy of © TOYOTA, LICENSE AGREEMENT TMS1002
Fig 10: Air Conditioning System Wiring Diagram (10 Of 17)
G09123570Courtesy of © TOYOTA, LICENSE AGREEMENT TMS1002
Fig 11: Air Conditioning System Wiring Diagram (11 Of 17)
G09123571Courtesy of © TOYOTA, LICENSE AGREEMENT TMS1002
Fig 12: Air Conditioning System Wiring Diagram (12 Of 17)
G09123572Courtesy of © TOYOTA, LICENSE AGREEMENT TMS1002
Fig 13: Air Conditioning System Wiring Diagram (13 Of 17)
G09123573Courtesy of © TOYOTA, LICENSE AGREEMENT TMS1002
Fig 14: Air Conditioning System Wiring Diagram (14 Of 17)
G09123574Courtesy of © TOYOTA, LICENSE AGREEMENT TMS1002
Fig 15: Air Conditioning System Wiring Diagram (15 Of 17)
G09123575Courtesy of © TOYOTA, LICENSE AGREEMENT TMS1002
Fig 16: Air Conditioning System Wiring Diagram (16 Of 17)
G09123576Courtesy of © TOYOTA, LICENSE AGREEMENT TMS1002
Fig 17: Air Conditioning System Wiring Diagram (17 Of 17)
G09123577Courtesy of © TOYOTA, LICENSE AGREEMENT TMS1002