LEMON Manuals: Even more car manuals for everyone: 1960-2025
Home >> Lexus >> 2013 >> LS 600hL >> Repair and Diagnosis >> Electrical >> Body Electrical >> OEM System Circuits >> Power Source >> Notes
April 5, 2026: LEMON Manuals is launched! Read the announcement.

Power Source: Notes

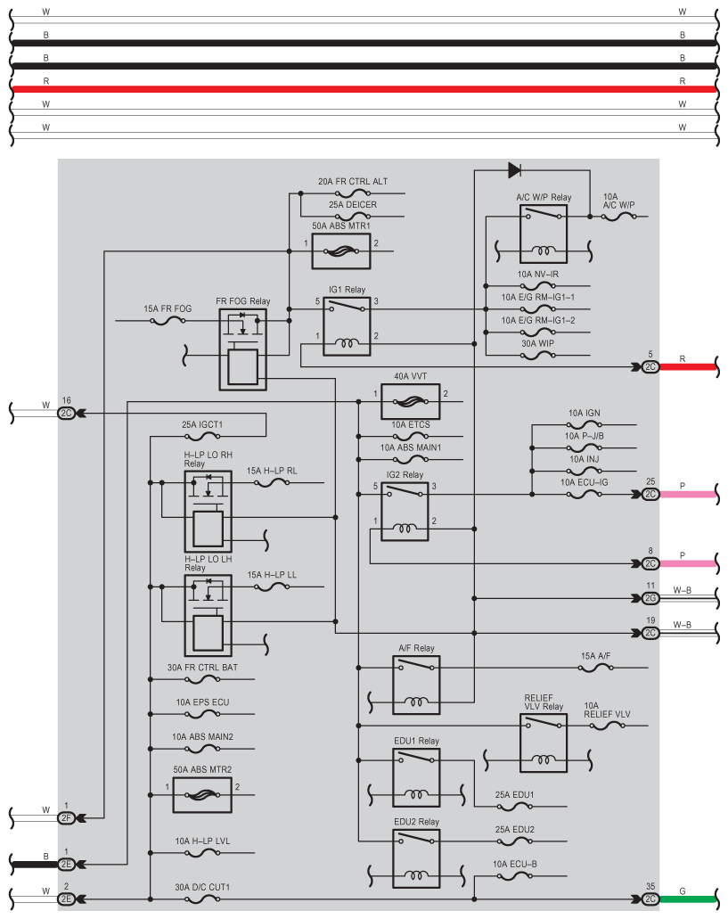
Fig 1: Power Source System Wiring Diagram (1 Of 9)
G09123065Courtesy of © TOYOTA, LICENSE AGREEMENT TMS1002
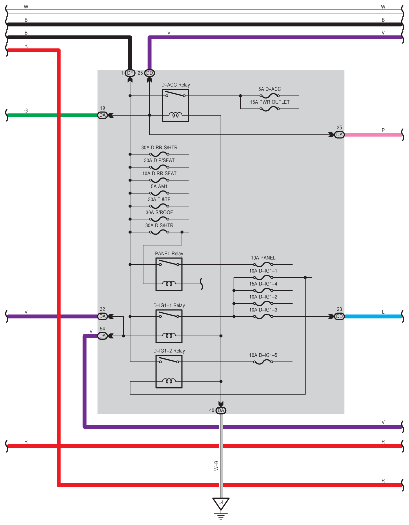
Fig 2: Power Source System Wiring Diagram (2 Of 9)
G09123066Courtesy of © TOYOTA, LICENSE AGREEMENT TMS1002
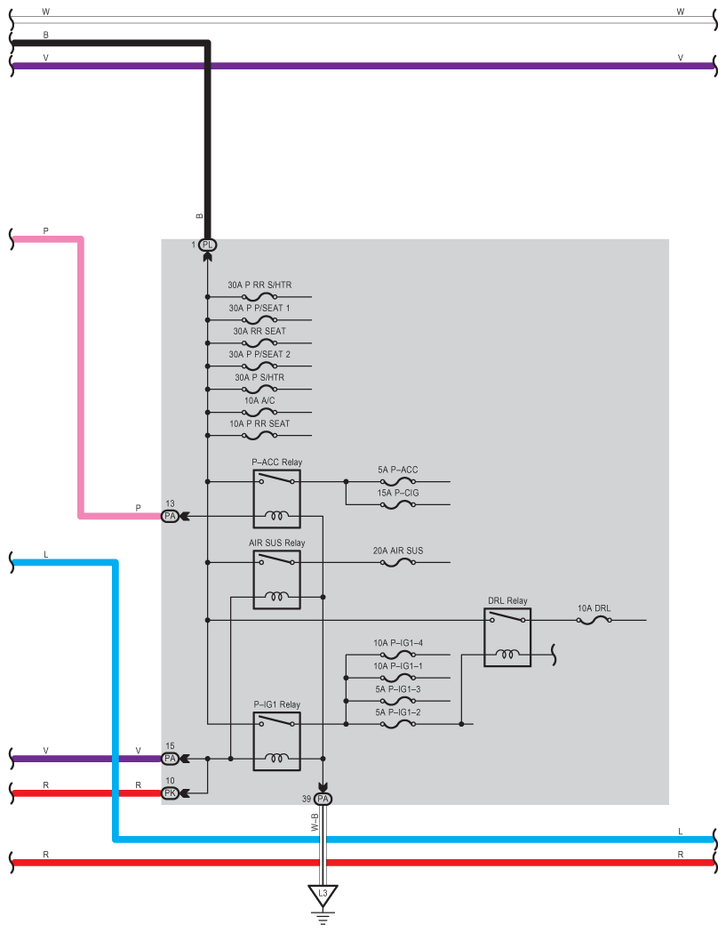
Fig 3: Power Source System Wiring Diagram (3 Of 9)
G09123067Courtesy of © TOYOTA, LICENSE AGREEMENT TMS1002
Fig 4: Power Source System Wiring Diagram (4 Of 9)
G09123068Courtesy of © TOYOTA, LICENSE AGREEMENT TMS1002
Fig 5: Power Source System Wiring Diagram (5 Of 9)
G09123069Courtesy of © TOYOTA, LICENSE AGREEMENT TMS1002
Fig 6: Power Source System Wiring Diagram (6 Of 9)
G09123070Courtesy of © TOYOTA, LICENSE AGREEMENT TMS1002
Fig 7: Power Source System Wiring Diagram (7 Of 9)
G09123071Courtesy of © TOYOTA, LICENSE AGREEMENT TMS1002
Fig 8: Power Source System Wiring Diagram (8 Of 9)
G09123072Courtesy of © TOYOTA, LICENSE AGREEMENT TMS1002
Fig 9: Power Source System Wiring Diagram (9 Of 9)
G09123073Courtesy of © TOYOTA, LICENSE AGREEMENT TMS1002