LEMON Manuals: Even more car manuals for everyone: 1960-2025
Home >> Lexus >> 2013 >> RX 350 Base, AWD >> Repair and Diagnosis (Single Page) >> Electrical >> Body Electrical >> OEM System Circuits >> Engine Immobilizer System, Remote Engine Starter System, Smart Access System with Push-Button Start, Starting, Steering Lock and Wireless Door Lock Control >> Notes
April 5, 2026: LEMON Manuals is launched! Read the announcement.

Engine Immobilizer System, Remote Engine Starter System, Smart Access System with Push-Button Start, Starting, Steering Lock and Wireless Door Lock Control: Notes

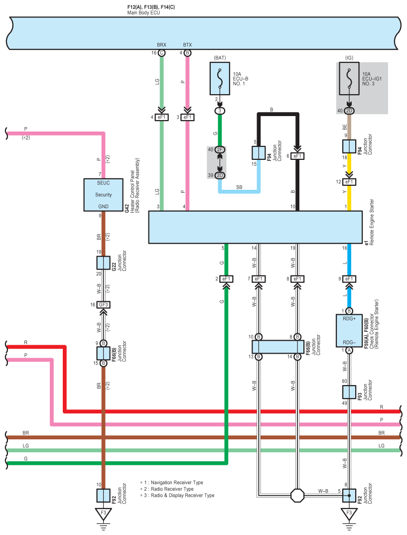
Fig 1: Engine Immobilizer, Remote Engine Starter, Smart Access, Starting, Steering Lock And Wireless Door Lock Control System Wiring Diagram (1 Of 23)
G09126601Courtesy of © TOYOTA, LICENSE AGREEMENT TMS1002
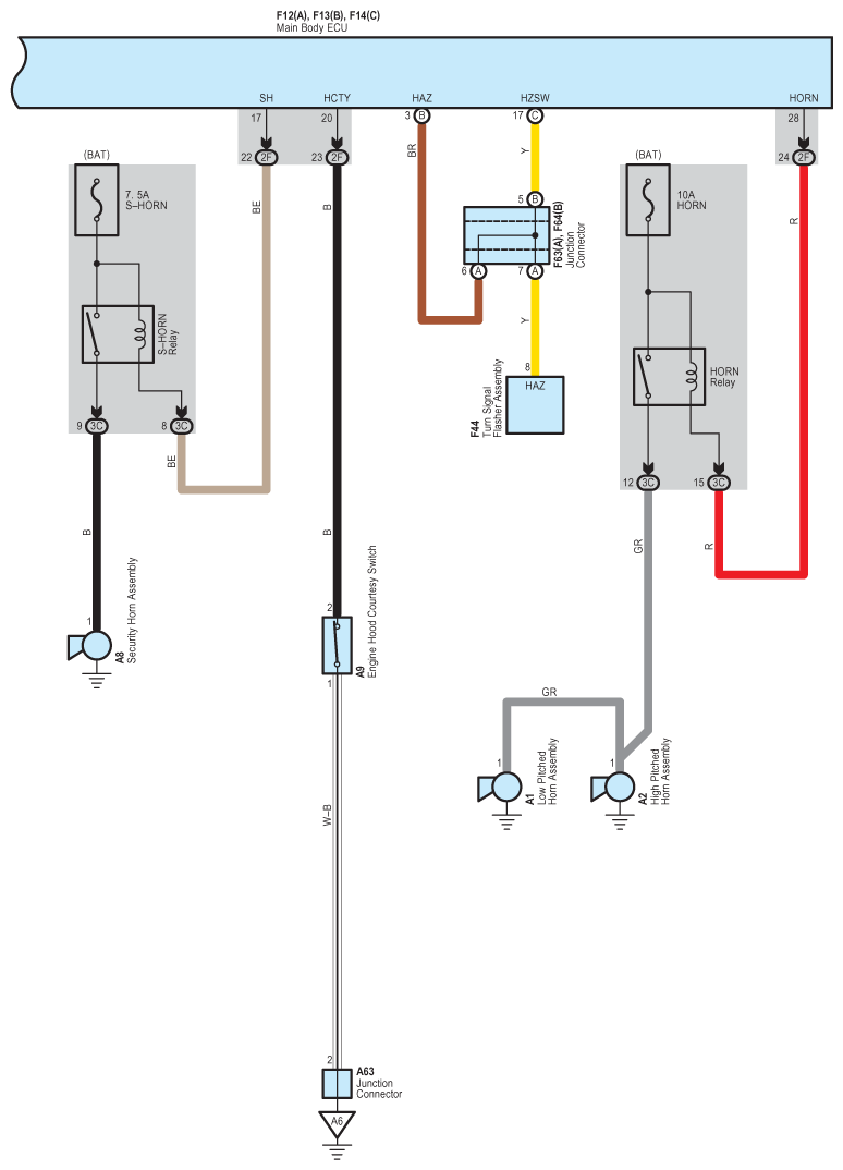
Fig 2: Engine Immobilizer, Remote Engine Starter, Smart Access, Starting, Steering Lock And Wireless Door Lock Control System Wiring Diagram (2 Of 23)
G09126602Courtesy of © TOYOTA, LICENSE AGREEMENT TMS1002
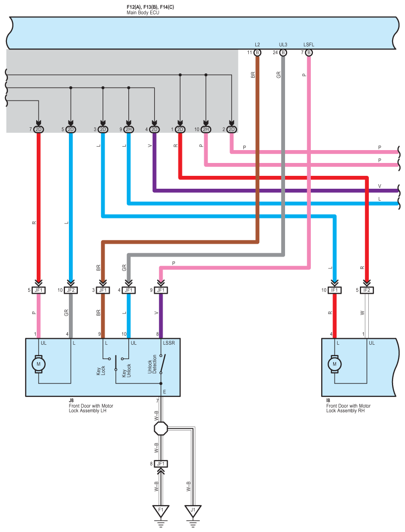
Fig 3: Engine Immobilizer, Remote Engine Starter, Smart Access, Starting, Steering Lock And Wireless Door Lock Control System Wiring Diagram (3 Of 23)
G09126603Courtesy of © TOYOTA, LICENSE AGREEMENT TMS1002
Fig 4: Engine Immobilizer, Remote Engine Starter, Smart Access, Starting, Steering Lock And Wireless Door Lock Control System Wiring Diagram (4 Of 23)
G09126604Courtesy of © TOYOTA, LICENSE AGREEMENT TMS1002
Fig 5: Engine Immobilizer, Remote Engine Starter, Smart Access, Starting, Steering Lock And Wireless Door Lock Control System Wiring Diagram (5 Of 23)
G09126605Courtesy of © TOYOTA, LICENSE AGREEMENT TMS1002
Fig 6: Engine Immobilizer, Remote Engine Starter, Smart Access, Starting, Steering Lock And Wireless Door Lock Control System Wiring Diagram (6 Of 23)
G09126606Courtesy of © TOYOTA, LICENSE AGREEMENT TMS1002
Fig 7: Engine Immobilizer, Remote Engine Starter, Smart Access, Starting, Steering Lock And Wireless Door Lock Control System Wiring Diagram (7 Of 23)
G09126607Courtesy of © TOYOTA, LICENSE AGREEMENT TMS1002
Fig 8: Engine Immobilizer, Remote Engine Starter, Smart Access, Starting, Steering Lock And Wireless Door Lock Control System Wiring Diagram (8 Of 23)
G09126608Courtesy of © TOYOTA, LICENSE AGREEMENT TMS1002
Fig 9: Engine Immobilizer, Remote Engine Starter, Smart Access, Starting, Steering Lock And Wireless Door Lock Control System Wiring Diagram (9 Of 23)
G09126609Courtesy of © TOYOTA, LICENSE AGREEMENT TMS1002
Fig 10: Engine Immobilizer, Remote Engine Starter, Smart Access, Starting, Steering Lock And Wireless Door Lock Control System Wiring Diagram (10 Of 23)
G09126610Courtesy of © TOYOTA, LICENSE AGREEMENT TMS1002
Fig 11: Engine Immobilizer, Remote Engine Starter, Smart Access, Starting, Steering Lock And Wireless Door Lock Control System Wiring Diagram (11 Of 23)
G09126611Courtesy of © TOYOTA, LICENSE AGREEMENT TMS1002
Fig 12: Engine Immobilizer, Remote Engine Starter, Smart Access, Starting, Steering Lock And Wireless Door Lock Control System Wiring Diagram (12 Of 23)
G09126612Courtesy of © TOYOTA, LICENSE AGREEMENT TMS1002
Fig 13: Engine Immobilizer, Remote Engine Starter, Smart Access, Starting, Steering Lock And Wireless Door Lock Control System Wiring Diagram (13 Of 23)
G09126613Courtesy of © TOYOTA, LICENSE AGREEMENT TMS1002
Fig 14: Engine Immobilizer, Remote Engine Starter, Smart Access, Starting, Steering Lock And Wireless Door Lock Control System Wiring Diagram (14 Of 23)
G09126614Courtesy of © TOYOTA, LICENSE AGREEMENT TMS1002
Fig 15: Engine Immobilizer, Remote Engine Starter, Smart Access, Starting, Steering Lock And Wireless Door Lock Control System Wiring Diagram (15 Of 23)
G09126615Courtesy of © TOYOTA, LICENSE AGREEMENT TMS1002
Fig 16: Engine Immobilizer, Remote Engine Starter, Smart Access, Starting, Steering Lock And Wireless Door Lock Control System Wiring Diagram (16 Of 23)
G09126616Courtesy of © TOYOTA, LICENSE AGREEMENT TMS1002
Fig 17: Engine Immobilizer, Remote Engine Starter, Smart Access, Starting, Steering Lock And Wireless Door Lock Control System Wiring Diagram (17 Of 23)
G09126617Courtesy of © TOYOTA, LICENSE AGREEMENT TMS1002
Fig 18: Engine Immobilizer, Remote Engine Starter, Smart Access, Starting, Steering Lock And Wireless Door Lock Control System Wiring Diagram (18 Of 23)
G09126618Courtesy of © TOYOTA, LICENSE AGREEMENT TMS1002
Fig 19: Engine Immobilizer, Remote Engine Starter, Smart Access, Starting, Steering Lock And Wireless Door Lock Control System Wiring Diagram (19 Of 23)
G09126619Courtesy of © TOYOTA, LICENSE AGREEMENT TMS1002
Fig 20: Engine Immobilizer, Remote Engine Starter, Smart Access, Starting, Steering Lock And Wireless Door Lock Control System Wiring Diagram (20 Of 23)
G09126620Courtesy of © TOYOTA, LICENSE AGREEMENT TMS1002
Fig 21: Engine Immobilizer, Remote Engine Starter, Smart Access, Starting, Steering Lock And Wireless Door Lock Control System Wiring Diagram (21 Of 23)
G09126621Courtesy of © TOYOTA, LICENSE AGREEMENT TMS1002
Fig 22: Engine Immobilizer, Remote Engine Starter, Smart Access, Starting, Steering Lock And Wireless Door Lock Control System Wiring Diagram (22 Of 23)
G09126622Courtesy of © TOYOTA, LICENSE AGREEMENT TMS1002
Fig 23: Engine Immobilizer, Remote Engine Starter, Smart Access, Starting, Steering Lock And Wireless Door Lock Control System Wiring Diagram (23 Of 23)
G09126623Courtesy of © TOYOTA, LICENSE AGREEMENT TMS1002