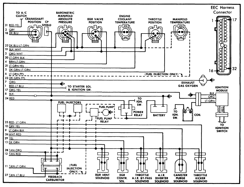
Testing & Diagnosis: Notes
- TESTING FORD MOTOR CO. ELECTRONIC ENGINE CONTROL SYSTEM - Due to the complexity of the EEC system, the following test equipment is required for thorough diagnosis and testing: Digital volt/ohm meter (DVOM), EEC diagnostic tester, sensitive tachometer, inductive timing light, sensitive vacuum gauge, hand vacuum pump/tester and throttle RPM tool. In addition, EFI models require an EFI adapter harness and a fuel injection pressure gauge.
NOTE:
If testing an EEC-II equipped vehicle, change Test Sequence II TAB timeout from "60±5 Secs." to "within 180 Sees." to conform to 1980 calibrations.
Without the special test equipment, the EEC system cannot be fully tested, but a number of preliminary checks can be made in the case of an "intermittent" or "won't start" condition.