LEMON Manuals: Even more car manuals for everyone: 1960-2025
Home >> Lincoln >> 1987 >> Mark VII Base >> Repair and Diagnosis >> Body & Frame >> Door Locks >> Keyless Entry System >> Testing >> Preliminary Information
April 5, 2026: LEMON Manuals is launched! Read the announcement.

Preliminary Information

Before testing specific components of the keyless entry system, make sure door lock actuator motors and trunk release solenoid operate correctly when activated by manual switches. Check for binding linkages and poor wire connections. Lubricate or repair as necessary.

The keyless entry module cannot be serviced and must be replaced as an assembly. Perform QUICK TEST to determine which component needs to be serviced and perform tests as directed. Do not make any other repairs until tests are completed. After repairs, perform QUICK TEST to ensure system works properly.

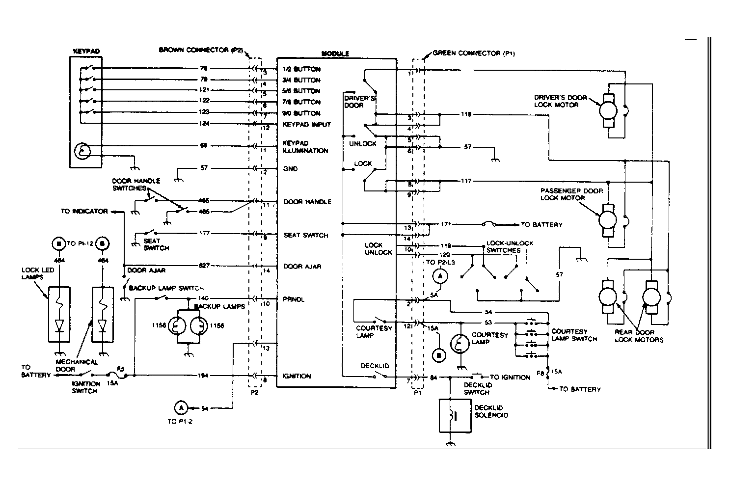
Fig 1: Keyless Entry System Wiring Diagram
G8058Courtesy of FORD MOTOR CO.