LEMON Manuals: Even more car manuals for everyone: 1960-2025
Home >> Lincoln >> 2000 >> Navigator RWD >> Repair and Diagnosis >> Body & Frame >> Windows >> Power Window System >> Component Tests >> Mini Relays
April 5, 2026: LEMON Manuals is launched! Read the announcement.

Mini Relays

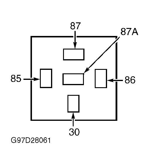
  1. Remove relay to be tested. Check continuity between relay terminals. Continuity should exist between terminals No. 85 and 86, and between terminals No. 30 and 87A. Continuity should not exist between terminals No. 30 and 87. See Figure . If continuity exists as specified, go to next step.
  2. Connect jumper wire between battery positive terminal and relay terminal No. 85. Connect second jumper wire between relay terminal No. 86 and negative battery terminal. Continuity should now exist between terminals No. 30 and 87. If continuity exists as specified, relay is okay at this time. If continuity does not exist as specified, replace relay.