LEMON Manuals: Even more car manuals for everyone: 1960-2025
Home >> Lincoln >> 2001 >> Continental >> Repair and Diagnosis >> Body & Frame >> Power Memory Mirrors >> Connector Identification
April 5, 2026: LEMON Manuals is launched! Read the announcement.

Connector Identification

CONNECTOR IDENTIFICATION DIRECTORY

Connector See Fig.
Driver's Door Lock Switch Harness Connector C505 Fig 4
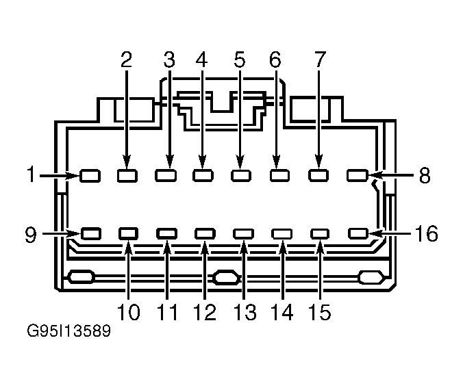
Driver's Door Module (DDM) Harness Connector C506 Fig 8
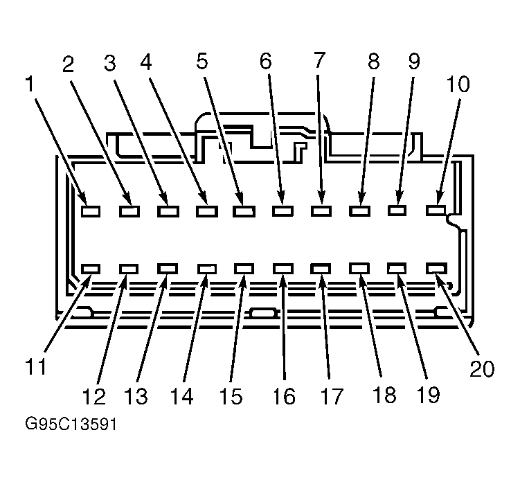
Driver's Door Module (DDM) Harness Connector C523 Fig 10
Driver's Door Module (DDM) Harness Connector C524 Fig 7
Driver's Heated Seat Module Harness Connector C352 Fig 7
Driver's Lumbar Motor Harness Connector C315 (1)
Driver's Lumbar Switch Harness Connector C348 Fig 2
Driver's Mirror Harness Connector C515 Fig 5
Driver's Mirror Harness Connector C521 Fig 1
Driver's Seat Control Switch Harness Connector C520 Fig 6
Driver's Seat Module (DSM) Harness Connector C342 Fig 11
Driver's Seat Module (DSM) Harness Connector C361 Fig 9
Inside Mirror Harness Connector C917 Fig 3
Keyless Entry Keypad Harness Connector C525 Fig 5
Mirror Control Switch Harness Connector C550 Fig 4
Passenger's Door Lock Switch Harness Connector C602 Fig 4
Passenger's Mirror Harness Connector C605 Fig 1
Passenger's Mirror Harness Connector C606 Fig 5
(1) Driver's lumbar motor harness connector C315 is a Black 4-pin connector. Identify by wire colors. See WIRING DIAGRAMS  .
Fig 1: Identifying 4-Pin Harness Connector Terminals (C521 & C605)
G98H01588Courtesy of FORD MOTOR CO.
Fig 2: Identifying 5-Pin Harness Connector Terminals (C348)
G98B00878Courtesy of FORD MOTOR CO.
Fig 3: Identifying 7-Pin Harness Connector Terminals (C917)
G00009250Courtesy of FORD MOTOR CO.
Fig 4: Identifying 8-Pin Harness Connector Terminals (C505, C550 & C602)
G95G13587Courtesy of FORD MOTOR CO.
Fig 5: Identifying 10-Pin Harness Connector Terminals (C515, C525 & C606)
G96E30274Courtesy of FORD MOTOR CO.
Fig 6: Identifying 10-Pin Harness Connector Terminals (C520)
G98G00873Courtesy of FORD MOTOR CO.
Fig 7: Identifying 14-Pin Harness Connector Terminals (C524 & C352)
G95E13593Courtesy of FORD MOTOR CO.
Fig 8: Identifying 16-Pin Harness Connector Terminals (C506)
G95I13589Courtesy of FORD MOTOR CO.
Fig 9: Identifying 16-Pin Harness Connector Terminals (C361)
G95F14261Courtesy of FORD MOTOR CO.
Fig 10: Identifying 20-Pin Harness Connector Terminals (C523)
G95C13591Courtesy of FORD MOTOR CO.
Fig 11: Identifying 26-Pin Harness Connector Terminals (C342)
G95G13595Courtesy of FORD MOTOR CO.