LEMON Manuals: Even more car manuals for everyone: 1960-2025
Home >> Lincoln >> 2007 >> MKZ AWD >> Repair and Diagnosis >> External Pages >> Different car >> Section 1227 (Module Communications Network) >> Diagnosis And Testing >> Communications Network >> Pinpoint Tests >> Pinpoint Test B: The ABS Module Does Not Respond To The Scan Tool >> Pinpoint Test B: The Abs Module Does Not Respond To The Scan Tool
April 5, 2026: LEMON Manuals is launched! Read the announcement.

Pinpoint Test B: The Abs Module Does Not Respond To The Scan Tool

WARNING: This page is about a different car, the 2010 Mercury Milan, 2010 Lincoln MKZ, and 2010 Ford Fusion. However, it is still accessible from the selected car via links, so may be relevant.
NOTE: Use the correct probe adapter(s) when making measurements. Failure to use the correct probe adapter(s) may damage the connector.
NOTE: Failure to disconnect the battery when instructed will result in false resistance readings. Refer to BATTERY, MOUNTING AND CABLES .
  1. B1 CHECK THE ABS MODULE VOLTAGE SUPPLY CIRCUITS FOR AN OPEN 
    • Ignition OFF.
    • Disconnect: ABS Module C135.
    • Ignition ON.
    • Measure the voltage between the ABS module C135-8, circuit CBP42 (GN) (gasoline engine) or C135-8, circuit CBK03 (GY), harness side and ground.
      Fig 1: Checking ABS Module Voltage Supply Circuits For An Open
      G06258920Courtesy of FORD MOTOR CO.
    • Is the voltage greater than 10 volts? 
      • Yes  : GO to  B2.
      • No  : VERIFY the Battery Junction Box (BJB) fuse 42 (10A) (gasoline engine) or fuse 47 (10A) (hybrid) is OK. If OK, REPAIR the circuit in question. If not OK, refer to the appropriate SYSTEM WIRING DIAGRAMS article to identify the possible causes of the circuit short. CLEAR the DTCs. REPEAT the network test with the scan tool.
  2. B2 CHECK THE ABS MODULE GROUND CIRCUIT FOR AN OPEN 
    • Ignition OFF.
    • Disconnect: Negative Battery Cable.
    • For gasoline engine, measure the resistance between the ABS module C135-16, circuit GD123 (BK/GY), harness side and ground.
      Fig 2: Measuring Resistance Between ABS Module C135-16, Circuit GD123 (BK/GY), Harness Side And Ground
      G06258921Courtesy of FORD MOTOR CO.
    • For hybrid engine, measure the resistance between the ABS module C135-16, circuit GD121 (BK/YE), harness side and ground; and between the ABS module C135-47, circuit GD121 (BK/YE), harness side and ground.
      Fig 3: Checking ABS Module Ground Circuit For An Open
      G06258922Courtesy of FORD MOTOR CO.
    • Are the resistances less than 5 ohms? 
    • Yes  : For gasoline engine, GO to  B3.

      For hybrid engine, GO to  B5.

    • No  : REPAIR the circuit. CLEAR the DTCs. REPEAT the network test with the scan tool.
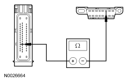
  3. B3 CHECK THE HS-CAN TERMINATION RESISTANCE 
    • Disconnect the scan tool cable from the Data Link Connector (DLC).
    • Measure the resistance between the DLC C251-6, circuit VDB04 (WH/BU), harness side and the DLC C251-14, circuit VDB05 (WH), harness side.
      Fig 4: Checking HS-CAN Termination Resistance
      G06258923Courtesy of FORD MOTOR CO.
    • Is the resistance between 54 and 66 ohms? 
    • Yes  : GO to  B5.
    • No  : GO to  B4.
  4. B4 CHECK THE HS-CAN CIRCUITS BETWEEN THE ABS MODULE AND THE DLC FOR AN OPEN 
    • Measure the resistance between the ABS module C135-12, circuit VDB04 (WH/BU), harness side and the Data Link Connector (DLC) C251-6, circuit VDB04 (WH/BU), harness side.
      Fig 5: Checking HS-CAN Circuits Between ABS Module And DLC For An Open (1 Of 2)
      G06258924Courtesy of FORD MOTOR CO.
    • Measure the resistance between the ABS module C135-13, circuit VDB05 (WH), harness side and the DLC C251-14, circuit VDB05 (WH), harness side.
      Fig 6: Checking HS-CAN Circuits Between ABS Module And DLC For An Open (2 Of 2)
      G06258925Courtesy of FORD MOTOR CO.
    • Are the resistances less than 5 ohms? 
    • Yes  : CONNECT the negative battery cable. GO to  B5.
    • No  : REPAIR the circuit in question. CONNECT the negative battery cable. CLEAR the DTCs. REPEAT the network test with the scan tool.
  5. B5 CHECK FOR CORRECT ABS MODULE OPERATION