LEMON Manuals: Even more car manuals for everyone: 1960-2025
Home >> Lincoln >> 2007 >> Navigator RWD >> Repair and Diagnosis >> Accessories & Equipment >> Accessories Control Systems >> Component Testing >> Component Testing >> Power window switch, RH side front - Navigator >> Window switch - Schematic
April 5, 2026: LEMON Manuals is launched! Read the announcement.

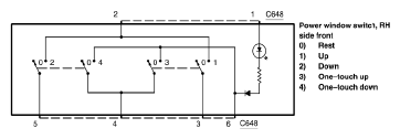
Window switch - Schematic

Fig 1: Power Window Switch, RH Side Front - Navigator - Schematic
G05179019Courtesy of FORD MOTOR CO.