LEMON Manuals: Even more car manuals for everyone: 1960-2025
Home >> Lincoln >> 2008 >> MKZ AWD >> Repair and Diagnosis (Single Page) >> Accessories & Equipment >> Accessories Control Systems >> Component Testing >> Component testing >> Multifunction switch >> Schematic
April 5, 2026: LEMON Manuals is launched! Read the announcement.

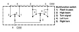
Multifunction switch: Schematic

Fig 1: Multifunction Switch - Schematic
G05604950Courtesy of FORD MOTOR CO.