LEMON Manuals: Even more car manuals for everyone: 1960-2025
Home >> Lincoln >> 2008 >> MKZ AWD >> Repair and Diagnosis >> External Pages >> Different car >> Section 1183 (Component Testing) >> Component Testing >> Window control switch, passenger side - MKZ >> Window switch - Schematic Terminals
April 5, 2026: LEMON Manuals is launched! Read the announcement.

Window switch - Schematic Terminals

WARNING: This page is about a different car, the 2009 Mercury Milan, 2009 Lincoln MKZ, and 2009 Ford Fusion. However, it is still accessible from the selected car via links, so may be relevant.
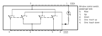
Fig 1: Window Control Switch, Passenger Side - MKZ Schematic
G05777138Courtesy of FORD MOTOR CO.