LEMON Manuals: Even more car manuals for everyone: 1960-2025
Home >> Lincoln >> 2009 >> MKX AWD V6-3.5L >> Repair and Diagnosis >> Powertrain Management >> Computers and Control Systems >> Fuel Level Sensor >> Service and Repair >> Fuel Tank and Filler Pipe - Exploded View
April 5, 2026: LEMON Manuals is launched! Read the announcement.

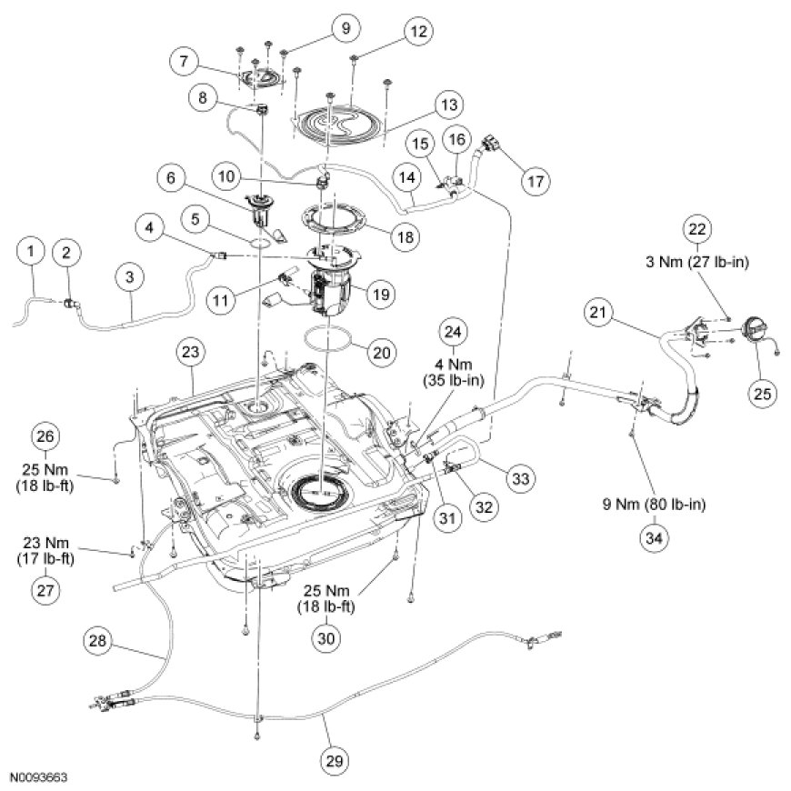
Fuel Tank and Filler Pipe - Exploded View




Fuel Tank and Filler Pipe - Exploded View



All-Wheel Drive (AWD) Vehicles











Front Wheel Drive (FWD) Vehicles











All Vehicles









1. For additional information, refer to the procedures.