LEMON Manuals: Even more car manuals for everyone: 1960-2025
Home >> Lincoln >> 2009 >> MKX AWD V6-3.5L >> Repair and Diagnosis >> Powertrain Management >> Computers and Control Systems >> Information Bus >> Testing and Inspection >> Pinpoint Tests >> Pinpoint Test L: The Audio Digital Signal Processing (DSP) Module Does Not Respond To The Scan Tool
April 5, 2026: LEMON Manuals is launched! Read the announcement.

Pinpoint Test L: The Audio Digital Signal Processing (DSP) Module Does Not Respond To The Scan Tool




Communications Network

Pinpoint Tests

Pinpoint Test L: The Audio Digital Signal Processing (DSP) Module Does Not Respond To The Scan Tool

Refer to Wiring Diagram Set 14, Module Communications Network for schematic and connector information. Diagrams By Number

Refer to Wiring Diagram Set 130, Audio System/Navigation for schematic and connector information. Diagrams By Number

Normal Operation

The audio Digital Signal Processing (DSP) module communicates with the scan tool through the Medium Speed Controller Area Network (MS-CAN). Circuits VDB06 (GY/OG) (MS-CAN +) and VDB07 (VT/OG) (MS-CAN -) provide the network connection to the audio DSP module. Voltage for the audio DSP module is provided by circuits SBP38 (BN/RD) and SBP18 (YE/RD). Circuits GD114 (BK/BU) and GD148 (BK/YE) provide ground.

This pinpoint test is intended to diagnose the following:

- Fuse
- Wiring, terminals or connectors
- Audio DSP module



PINPOINT TEST L: THE AUDIO DSP MODULE DOES NOT RESPOND TO THE SCAN TOOL

NOTICE: Use the correct probe adapter(s) when making measurements. Failure to use the correct probe adapter(s) may damage the connector.

NOTE: Failure to disconnect the battery when instructed will result in false resistance readings. Refer to Battery.

-------------------------------------------------
L1 CHECK THE AUDIO DSP MODULE VOLTAGE SUPPLY CIRCUITS FOR AN OPEN


- Ignition OFF.
- Disconnect: Audio DSP Module C4348c.
- Ignition ON.
- Measure the voltage between the audio DSP module, harness side and ground as follows:





- Are the voltages greater than 10 volts?

Yes
GO to L2.

No
VERIFY the SJB fuse 38 (20A) or fuse 18 (20A) is OK. If OK, REPAIR the circuit in question. If not OK, REFER to the Wiring Diagrams to identify the possible causes of the circuit short. CLEAR the DTCs. REPEAT the network test with the scan tool.

-------------------------------------------------
L2 CHECK THE AUDIO DSP MODULE GROUND CIRCUITS FOR AN OPEN


- Ignition OFF.
- Disconnect: Negative Battery Cable.
- Measure the resistance between the audio DSP module, harness side and ground as follows:





- Are the resistances less than 5 ohms?

Yes
GO to L3.

No
REPAIR the circuit. CONNECT the negative battery cable. CLEAR the DTCs. REPEAT the network test with the scan tool.

-------------------------------------------------
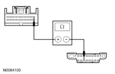
L3 CHECK THE MS-CAN CIRCUITS BETWEEN THE AUDIO DSP MODULE AND THE DLC FOR AN OPEN


- Disconnect: Audio DSP Module C4348a.
- Measure the resistance between the audio DSP module C4348c-11, circuit VDB06 (GY/OG), harness side and the DLC C251-3, circuit VDB06 (GY/OG), harness side.




- Measure the resistance between the audio DSP module C4348c-1, circuit VDB07 (VT/OG), harness side and the DLC C251-11, circuit VDB07 (VT/OG), harness side.




- Are the resistances less than 5 ohms?

Yes
CONNECT the negative battery cable. GO to L4.

No
REPAIR the circuit in question. CONNECT the negative battery cable. CLEAR the DTCs. REPEAT the network test with the scan tool.

-------------------------------------------------
L4 CHECK FOR CORRECT AUDIO DSP MODULE OPERATION


- Disconnect all the audio DSP module connectors.
- Check for:
- corrosion
- damaged pins
- pushed-out pins
- Connect all the audio DSP module connectors and make sure they seat correctly.
- Operate the system and verify the concern is still present.
- Is the concern still present?

Yes
INSTALL a new audio DSP module. CLEAR the DTCs. REPEAT the network test with the scan tool.

No
The system is operating correctly at this time. The concern may have been caused by a loose or corroded connector. CLEAR the DTCs. REPEAT the network test with the scan tool.


-------------------------------------------------