LEMON Manuals: Even more car manuals for everyone: 1960-2025
Home >> Lincoln >> 2009 >> Navigator RWD >> Repair and Diagnosis >> Accessories & Equipment >> Accessories Control Systems >> Component Testing >> Introduction >> Power window switch, RH side front - Expedition >> Schematic
April 5, 2026: LEMON Manuals is launched! Read the announcement.

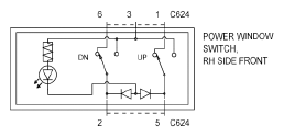
Power window switch, RH side front - Expedition: Schematic

Fig 1: Power Window Switch, RH Side Front - Expedition Schematic
G05753236Courtesy of FORD MOTOR CO.