LEMON Manuals: Even more car manuals for everyone: 1960-2025
Home >> Lincoln >> 2010 >> MKT Base, AWD >> Repair and Diagnosis >> Accessories & Equipment >> Accessories Control Systems >> Component Testing >> Component Testing >> Start/Stop switch >> Schematic
April 5, 2026: LEMON Manuals is launched! Read the announcement.

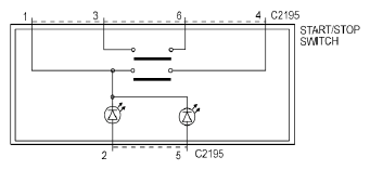
Start/Stop switch: Schematic

Fig 1: Start/Stop Switch - Schematic
G06380823Courtesy of FORD MOTOR CO.