LEMON Manuals: Even more car manuals for everyone: 1960-2025
Home >> Lincoln >> 2010 >> MKT Base, FWD >> Repair and Diagnosis >> External Pages >> Different car >> Section 1480 (Module Communications Network) >> Diagnosis And Testing >> Communications Network >> Pinpoint Tests >> Pinpoint Test L: The HVAC Module Does Not Respond To The Scan Tool >> Pinpoint Test L: The HVAC Module Does Not Respond To The Scan Tool
April 5, 2026: LEMON Manuals is launched! Read the announcement.

Pinpoint Test L: The HVAC Module Does Not Respond To The Scan Tool

WARNING: This page is about a different car, the 2010 Mercury Mariner and 2010 Ford Escape. However, it is still accessible from the selected car via links, so may be relevant.
NOTE: Use the correct probe adapter(s) when making measurements. Failure to use the correct probe adapter(s) may damage the connector.
NOTE: Failure to disconnect the battery when instructed will result in false resistance readings. Refer to BATTERY, MOUNTING AND CABLES .
  1. L1 CHECK THE HVAC MODULE VOLTAGE SUPPLY CIRCUIT FOR AN OPEN 
    • Ignition OFF.
    • Disconnect: HVAC Module C2356a (DATC  ) or C2357a (EMTC  ).
    • Ignition ON.
    • For gasoline engines (without hybrid), measure the voltage between the HVAC module C2356a-12 or C2357a-12, circuit CBP37 (WH), harness side and ground; and between the HVAC module C2356a-13 or C2357a-13, circuit SBP15 (WH/RD), harness side and ground.
      Fig 1: Checking HVAC Module Voltage Supply Circuit For An Open (1 Of 2)
      G06099341Courtesy of FORD MOTOR CO.
    • For hybrid, measure the voltage between the HVAC module C2356a-12 circuit CH122 (WH/OG), harness side and ground; and between the HVAC module C2356a-13, circuit SBP15 (WH/RD), harness side and ground.
      Fig 2: Checking HVAC Module Voltage Supply Circuit For An Open (1 Of 2)
      G06099341Courtesy of FORD MOTOR CO.
    • Are the voltages greater than 10 volts? 
    • Yes:  GO to L2  .
    • No:  VERIFY the Smart Junction Box (SJB) fuse 15 (10A) or fuse 37 (10A) is OK. If OK, REPAIR the circuit in question. If not OK, REFER to the appropriate SYSTEM WIRING DIAGRAMS article to identify the possible causes of the circuit short. CLEAR the DTCs. REPEAT the network test with the scan tool.
  2. L2 CHECK THE HVAC MODULE GROUND CIRCUIT FOR AN OPEN 
    • Ignition OFF.
    • Disconnect: Negative Battery Cable.
    • Measure the resistance between the HVAC module C2356a-23 or C2357a-23, circuit GD114 (BK/BU), harness side and ground.
      Fig 3: Measuring Resistance Between HVAC Module C2356A-23 Or C2357A-23, Circuit GD114 (BK/BU), Harness Side And Ground
      G06065468Courtesy of FORD MOTOR CO.
    • Is the resistance less than 5 ohms? 
    • Yes:  GO to L3  .
    • No:  REPAIR the circuit. CONNECT the negative battery cable. CLEAR the DTCs. REPEAT the network test with the scan tool.
  3. L3 CHECK THE MS-CAN CIRCUITS BETWEEN THE HVAC MODULE AND THE DLC FOR AN OPEN 
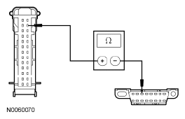
    • Measure the resistance between the HVAC module C2356a-25 or C2357a-25, circuit VDB06 (GY/OG), harness side and the Data Link Connector (DLC) C251-3, circuit VDB06 (GY/OG), harness side.
      Fig 4: Measuring Resistance Between HVAC Module C2356A-25 Or C2357A-25, Circuit VDB06 (GY/OG) And Dlc C251-3, VDB06 (GY/OG)
      G06065469Courtesy of FORD MOTOR CO.
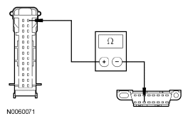
    • Measure the resistance between the HVAC module C2356a-26 or C2357a-26, circuit VDB07 (VT/OG), harness side and the DLC  C251- 11, circuit VDB07 (VT/OG), harness side.
      Fig 5: Measuring Resistance Between HVAC Module C2356A-26 Or C2357A-26, Circuit VDB07 (VT/OG) And DLC C251- 11, VDB07 (VT/OG)
      G06065470Courtesy of FORD MOTOR CO.
    • Are the resistances less than 5 ohms? 
    • Yes:  CONNECT the negative battery cable. GO to L4  .
    • No:  REPAIR the circuit in question. CONNECT the negative battery cable. CLEAR the DTCs. REPEAT the network test with the scan tool.
  4. L4 CHECK FOR CORRECT HVAC MODULE OPERATION 
    • Disconnect all the HVAC module connectors.
    • Check for:
      • corrosion
      • damaged pins
      • pushed-out pins
    • Connect all the HVAC module connectors and make sure they seat correctly.
    • Operate the system and verify the concern is still present.
    • Is the concern still present? 
    • Yes:  INSTALL a new HVAC module. REFER to CLIMATE CONTROL . CLEAR the DTCs. REPEAT the network test with the scan tool.
    • No:  The system is operating correctly at this time. The concern may have been caused by a loose or corroded connector.