LEMON Manuals: Even more car manuals for everyone: 1960-2025
Home >> Lincoln >> 2011 >> MKS AWD V6-3.7L >> Repair and Diagnosis >> Powertrain Management >> Computers and Control Systems >> Information Bus >> Testing and Inspection >> Pinpoint Tests >> Pinpoint Test N: The Front Controls Interface Module (FCIM) Does Not Respond To The Scan Tool
April 5, 2026: LEMON Manuals is launched! Read the announcement.

Pinpoint Test N: The Front Controls Interface Module (FCIM) Does Not Respond To The Scan Tool




Communications Network

Pinpoint Tests

Pinpoint Test N: The Front Controls Interface Module (FCIM) Does Not Respond To The Scan Tool

Refer to Wiring Diagram Set 14, Module Communications Network for schematic and connector information. Diagrams By Number

Refer to Wiring Diagram Set 130, Audio System/Navigation for schematic and connector information. Diagrams By Number

Normal Operation

The Front Controls Interface Module (FCIM) communicates with the scan tool through the Medium Speed Controller Area Network (MS-CAN).

This pinpoint test is intended to diagnose the following:

- Fuse
- Wiring, terminals or connectors
- FCIM

PINPOINT TEST N: THE FCIM DOES NOT RESPOND TO THE SCAN TOOL

NOTICE: Use the correct probe adapter(s) when making measurements. Failure to use the correct probe adapter(s) may damage the connector.

-------------------------------------------------
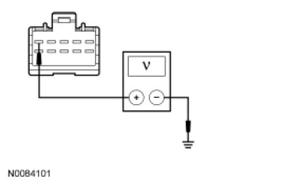
N1 CHECK THE FCIM VOLTAGE SUPPLY CIRCUIT FOR AN OPEN


- Ignition OFF.
- Disconnect: FCIM C2402 (Without Navigation ACM) or C2403 (With Navigation ACM) .
- Ignition ON.
- Measure the voltage between the FCIM C2402-1, circuit SBP16 (VT/RD), harness side and ground.




- For vehicles with a navigation ACM, measure the voltage between the FCIM C2403-5, circuit SBP16 (VT/RD), harness side and ground.




- Is the voltage greater than 10 volts?

Yes
GO to N2.

No
VERIFY the Smart Junction Box (SJB) fuse 16 (15A) is OK. If OK, REPAIR the circuit in question. If not OK, REFER to the Wiring Diagrams to identify the possible causes of the short circuit. CLEAR the DTCs. REPEAT the network test with the scan tool. Diagrams By Number

-------------------------------------------------
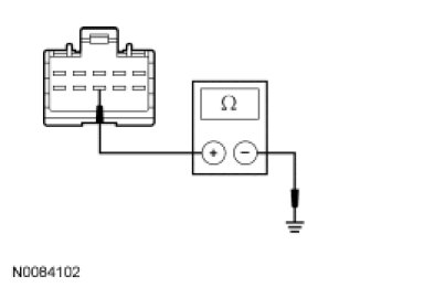
N2 CHECK THE FCIM GROUND CIRCUIT FOR AN OPEN


- Ignition OFF.
- Measure the resistance between the FCIM C2402-4, circuit GD114 (BK/BU), harness side and ground.




- For vehicles with a navigation ACM, measure the resistance between the FCIM C2403-8, circuit GD114 (BK/BU), harness side and ground.




- Is the resistance less than 5 ohms?

Yes
For vehicles without a navigation ACM, GO to N3.

For vehicles with a navigation ACM, GO to N4.

No
REPAIR the circuit. CLEAR the DTCs. REPEAT the network test with the scan tool.

-------------------------------------------------
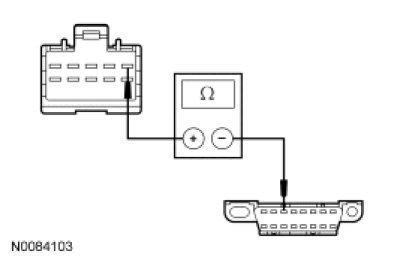
N3 CHECK THE MS-CAN CIRCUITS BETWEEN THE FCIM AND THE DLC FOR AN OPEN - WITHOUT A NAVIGATION ACM


- Measure the resistance between the FCIM C2402-2, circuit VDB06 (GY/OG), harness side and the DLC C251-3, circuit VDB06 (GY/OG), harness side.




- Measure the resistance between the FCIM C2402-3, circuit VDB07 (VT/OG), harness side and the DLC C251-11, circuit VDB07 (VT/OG), harness side.




- Are the resistances less than 5 ohms?

Yes
GO to N5.

No
REPAIR the circuit in question. CLEAR the DTCs. REPEAT the network test with the scan tool.

-------------------------------------------------
N4 CHECK THE MS-CAN CIRCUITS BETWEEN THE FCIM AND THE DLC FOR AN OPEN - WITH A NAVIGATION ACM


- Measure the resistance between the FCIM C2403-1, circuit VDB06 (GY/OG), harness side and the DLC C251-3, circuit VDB06 (GY/OG), harness side.




- Measure the resistance between the FCIM C2403-2, circuit VDB07 (VT/OG), harness side and the DLC C251-11, circuit VDB07 (VT/OG), harness side.




- Are the resistances less than 5 ohms?

Yes
GO to N5.

No
REPAIR the circuit in question. CLEAR the DTCs. REPEAT the network test with the scan tool.

-------------------------------------------------
N5 CHECK FOR CORRECT FCIM OPERATION


- Disconnect the FCIM connector.
- Check for:
- corrosion
- damaged pins
- pushed-out pins
- Connect the FCIM connector and make sure it seats correctly.
- Operate the system and verify the concern is still present.
- Is the concern still present?

Yes
INSTALL a new FCIM. REFER to Information and Entertainment Systems Service and Repair. CLEAR the DTCs. REPEAT the network test with the scan tool.

No
The system is operating correctly at this time. The concern may have been caused by a loose or corroded connector.

-------------------------------------------------