LEMON Manuals: Even more car manuals for everyone: 1960-2025
Home >> Lincoln >> 2011 >> MKS Base, AWD >> Repair and Diagnosis >> Accessories & Equipment >> Accessories Control Systems >> Component Testing >> Introduction >> Start switch >> Schematic
April 5, 2026: LEMON Manuals is launched! Read the announcement.

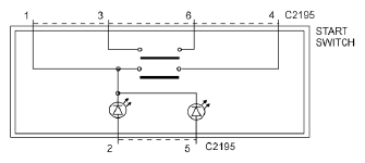
Start switch: Schematic

Fig 1: Start Switch - Schematic
G07329720Courtesy of FORD MOTOR CO.