LEMON Manuals: Even more car manuals for everyone: 1960-2025
Home >> Lincoln >> 2011 >> Navigator 4WD V8-5.4L >> Repair and Diagnosis >> Powertrain Management >> Computers and Control Systems >> Information Bus >> Testing and Inspection >> Pinpoint Tests >> Pinpoint Test T: The Global Positioning System Module (GPSM) Does Not Respond To The Scan Tool
April 5, 2026: LEMON Manuals is launched! Read the announcement.

Pinpoint Test T: The Global Positioning System Module (GPSM) Does Not Respond To The Scan Tool




Communications Network

Pinpoint Tests

Pinpoint Test T: The Global Positioning System Module (GPSM) Does Not Respond To The Scan Tool

Refer to Wiring Diagram Set 14, Module Communications Network for schematic and connector information. Diagrams By Number

Refer to Wiring Diagram Set 130, Audio System/Navigation for schematic and connector information. Diagrams By Number

Normal Operation

The Global Positioning System Module (GPSM) communicates with the scan tool through the Medium Speed Controller Area Network (MS-CAN).

This pinpoint test is intended to diagnose the following:

- Fuse
- Wiring, terminals or connectors
- GPSM

PINPOINT TEST T: THE GPSM DOES NOT RESPOND TO THE SCAN TOOL

NOTICE: Use the correct probe adapter(s) when making measurements. Failure to use the correct probe adapter(s) may damage the connector.

NOTE: Failure to disconnect the battery when instructed will result in false resistance readings. Refer to Battery, Mounting and Cables Battery Disconnect.

-------------------------------------------------
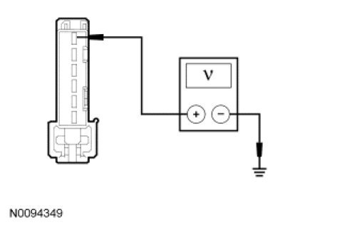
T1 CHECK THE GPSM VOLTAGE SUPPLY CIRCUIT FOR AN OPEN


- Ignition OFF.
- Disconnect: GPSM C2398.
- Ignition ON.
- Measure the voltage between the GPSM C2398-1, circuit SBP15 (WH/RD), harness side and ground.




- Is the voltage greater than 10 volts?

Yes
GO to T2.

No
VERIFY the Smart Junction Box (SJB) fuse 15 (10A) is OK. If OK, REPAIR the circuit in question. If not OK, REFER to the Wiring Diagrams to identify the possible causes of the circuit short. CLEAR the DTCs. REPEAT the network test with the scan tool. Diagrams By Number

-------------------------------------------------
T2 CHECK THE GPSM GROUND CIRCUIT FOR AN OPEN


- Ignition OFF.
- Disconnect: Negative Battery Cable.
- Measure the resistance between the GPSM C2398-6, circuit GD114 (BK/BU), harness side and ground.




- Is the resistance less than 5 ohms?

Yes
GO to T3.

No
REPAIR the circuit. CONNECT the negative battery cable. CLEAR the DTCs. REPEAT the network test with the scan tool.

-------------------------------------------------
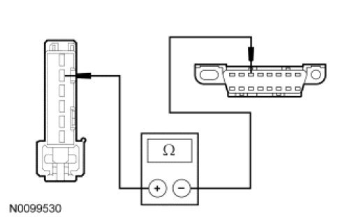
T3 CHECK THE MS-CAN CIRCUITS BETWEEN THE GPSM AND THE DLC FOR AN OPEN


- Measure the resistance between the GPSM C2398-2, circuit VDB06 (GY/OG), harness side and the Data Link Connector (DLC) C251-3, circuit VDB06 (GY/OG), harness side.




- Measure the resistance between the GPSM C2398-3, circuit VDB07 (VT/OG), harness side and the DLC C251-11, circuit VDB07 (VT/OG), harness side.




- Are the resistances less than 5 ohms?

Yes
CONNECT the negative battery cable. GO to T4.

No
REPAIR the circuit in question. CONNECT the negative battery cable. CLEAR the DTCs. REPEAT the network test with the scan tool.

-------------------------------------------------
T4 CHECK FOR CORRECT GPSM OPERATION


- Disconnect the GPSM connector.
- Check for:
- corrosion
- damaged pins
- pushed-out pins
- Connect the GPSM connector and make sure it seats correctly.
- Operate the system and verify the concern is still present.
- Is the concern still present?

Yes
INSTALL a new GPSM. REFER to Information and Entertainment Systems Service and Repair. CLEAR the DTCs. REPEAT the network test with the scan tool.

No
The system is operating correctly at this time. The concern may have been caused by a loose or corroded connector.

-------------------------------------------------