LEMON Manuals: Even more car manuals for everyone: 1960-2025
Home >> Lincoln >> 2012 >> MKT Base, FWD >> Repair and Diagnosis >> Brakes >> Traction Control >> Anti-Lock Brake System - Vehicle Dynamic Systems >> Diagnosis And Testing >> Anti-Lock Control >> Pinpoint Tests >> Pinpoint Test N: The Stability/Traction Control System Cannot be Disabled >> Pinpoint Test N: The Stability/Traction Control System Cannot Be Disabled
April 5, 2026: LEMON Manuals is launched! Read the announcement.

Pinpoint Test N: The Stability/Traction Control System Cannot Be Disabled

NOTE: Use the Flex Probe Kit for all test connections to prevent damage to the wiring terminals. Do not use standard multi-meter probes.
  1. N1 VERIFY THAT THE KEY IN USE IS NOT RESTRICTED 
    • Ignition ON.
    • Monitor the message center while pressing the stability/traction control switch.
    • Is ADVTRAC ON MY KEY SETTING displayed in the message center? 
      • Yes  : INFORM the customer that the key being used is MyKey™-restricted. If necessary, REFER to the Owner's Literature for information regarding the programming of MyKey™ features. Using an administrator key, TEST the system for normal operation.
      • No  : GO to N2.
  2. N2 ISOLATE THE STABILITY/TRACTION CONTROL SWITCH 
    • Disconnect: FCIMC2403.
    • Ignition ON.
    • Connect a fused jumper wire to FCIM C2403-7, circuit CCA15 (YE/GY), harness side and momentarily connect the other end of the jumper wire to ground.
      Fig 1: Connecting Fused Jumper Wire FCIM C2403-7, Circuit CCA15 (YE/GY), Harness Side And Ground
      G06280762Courtesy of FORD MOTOR CO.
    • As the jumper wire is connected to ground, observe the sliding-car OFF icon in the message center.
    • Does the sliding-car OFF icon illuminate when the jumper wire is connected to ground? 
  3. N3 CHECK THE STABILITY/TRACTION CONTROL SWITCH CIRCUIT FOR AN OPEN 
    • Ignition OFF.
    • Disconnect: IPCC220.
    • Measure the resistance between IPCC220-18, circuit CCA15 (YE/GY), harness side and FCIM C2403-7, circuit CCA15 (YE/GY), harness side.
      Fig 2: Checking Stability/Traction Control Switch Circuit For An Open
      G06280763Courtesy of FORD MOTOR CO.
    • Is the resistance less than 5 ohms? 
      • Yes  : GO to N4.
      • No  : REPAIR circuit CCA15 (YE/GY). TEST the system for normal operation.
  4. N4 CHECK THE STABILITY/TRACTION CONTROL SWITCH CIRCUIT FOR A SHORT TO GROUND 
    • Measure the resistance between IPC C220-18, circuit CCA15 (YE/GY), harness side and ground.
      Fig 3: Measuring Resistance Between IPC C220-18, Circuit CCA15 (YE/GY), Harness Side And Ground
      G06280764Courtesy of FORD MOTOR CO.
    • Is the resistance greater than 10, 000 ohms? 
      • Yes  : GO to N5.
      • No  : REPAIR circuit CCA15 (YE/GY). CLEAR the DTCs. REPEAT the self-test.
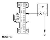
  5. N5 CHECK THE STABILITY/TRACTION CONTROL SWITCH CIRCUIT FOR A SHORT TO VOLTAGE 
    • Ignition ON.
    • Measure the voltage between IPC C220-18, circuit CCA15 (YE/GY), harness side and ground.
      Fig 4: Measuring Voltage Between IPC C220-18, Circuit CCA15 (YE/GY), Harness Side And Ground
      G06280765Courtesy of FORD MOTOR CO.
    • Is any voltage present? 
      • Yes  : REPAIR circuit CCA15 (YE/GY). CLEAR the DTCs. REPEAT the self-test.
      • No  : GO to N6.
  6. N6 CHECK FOR CORRECT IPC OPERATION 
    • Check IPC C220 for:
      • corrosion.
      • pushed-out pins.
      • spread terminals.
    • Connect the IPC connector and make sure it seats correctly.
    • Operate the system and verify the concern is still present.
    • Is the concern still present? 
      • Yes  : INSTALL a new IPC. REFER to INSTRUMENTATION, MESSAGE CENTER, AND WARNING CHIMES . CLEAR the DTCs. REPEAT the self-test.
      • No  : The system is operating correctly at this time. The concern may have been caused by a loose or corroded connector. CLEAR the DTCs. REPEAT the self-test.