LEMON Manuals: Even more car manuals for everyone: 1960-2025
Home >> Lincoln >> 2012 >> MKT FWD V6-3.7L >> Repair and Diagnosis >> Powertrain Management >> Computers and Control Systems >> Information Bus >> Testing and Inspection >> Pinpoint Tests >> Pinpoint Test B: The ABS Module Does Not Respond To The Scan Tool
April 5, 2026: LEMON Manuals is launched! Read the announcement.

Pinpoint Test B: The ABS Module Does Not Respond To The Scan Tool




Communications Network

Pinpoint Test B: The ABS Module Does Not Respond To The Scan Tool

Normal Operation

The ABS module communicates with the scan tool through the High Speed Controller Area Network (HS-CAN).

This pinpoint test is intended to diagnose the following:

- Fuse

- Wiring, terminals or connectors

- ABS module

PINPOINT TEST B : THE ABS MODULE DOES NOT RESPOND TO THE SCAN TOOL

NOTICE: Use the correct probe adapter(s) when making measurements. Failure to use the correct probe adapter(s) may damage the connector.

NOTE: Failure to disconnect the battery when instructed will result in false resistance readings.

B1 CHECK THE VOLTAGE SUPPLY CIRCUIT FOR AN OPEN

- Ignition OFF.

- Disconnect: ABS Module C135.

- Ignition ON.

- Measure the voltage between the ABS module C135-25, circuit SBB12 (GN/RD), harness side and ground; and between the ABS module C135-35, circuit SBP34 (VT/BN), harness side and ground.




Are the voltages greater than 10 volts?

Yes
GO to B2.

No
VERIFY the Battery Junction Box (BJB) fuse 12 (20A) or Smart Junction Box (SJB) fuse 34 (5A) is OK. If OK, REPAIR the circuit. If not OK, REFER to the Wiring Diagrams to identify the possible causes of the circuit short. CLEAR the DTCs. REPEAT the network test with the scan tool. Electrical Diagrams

B2 CHECK THE GROUND CIRCUIT FOR AN OPEN

- Ignition OFF.

- Disconnect: Negative Battery Cable.

- Measure the resistance between the ABS module C135-38, circuit GD120 (BK/GN), harness side and ground.




Is the resistance less than 5 ohms?

Yes
CONNECT the negative battery cable. GO to B3.

No
REPAIR the circuit. CONNECT the negative battery cable. CLEAR the DTCs. REPEAT the network test with the scan tool.

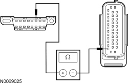
B3 CHECK THE HS-CAN (High Speed Controller Area Network) CIRCUITS BETWEEN THE DLC (Data Link Connector) AND THE ABS MODULE FOR AN OPEN

- Measure the resistance between the ABS module C135-26, circuit VDB04 (WH/BU), harness side and the DLC (Data Link Connector) C251-6, circuit VDB04 (WH/BU), harness side.




- Measure the resistance between the ABS module C135-14, circuit VDB05 (WH), harness side and the DLC (Data Link Connector) C251-14, circuit VDB05 (WH), harness side.




Are the resistances less than 5 ohms?

Yes
CONNECT the negative battery cable. GO to B4.

No
REPAIR the circuit in question. CONNECT the negative battery cable. CLEAR the DTCs. REPEAT the network test with the scan tool.

B4 CHECK FOR CORRECT ABS MODULE OPERATION

- Disconnect the ABS module connector.

- Check for:
- corrosion

- damaged pins

- pushed-out pins


- Connect the ABS module connector and make sure it seats correctly.

- Operate the system and verify the concern is still present.

Is the concern still present?

Yes
INSTALL a new ABS module. CLEAR the DTCs. REPEAT the network test with the scan tool.

No
The system is operating correctly at this time. The concern may have been caused by a loose or corroded connector.