LEMON Manuals: Even more car manuals for everyone: 1960-2025
Home >> Lincoln >> 2012 >> MKT FWD V6-3.7L >> Repair and Diagnosis >> Powertrain Management >> Computers and Control Systems >> Information Bus >> Testing and Inspection >> Pinpoint Tests >> Pinpoint Test O: The Liftgate/Trunk Module (LTM) Does Not Respond To The Scan Tool
April 5, 2026: LEMON Manuals is launched! Read the announcement.

Pinpoint Test O: The Liftgate/Trunk Module (LTM) Does Not Respond To The Scan Tool




Communications Network

Pinpoint Test O: The Liftgate/Trunk Module (LTM) Does Not Respond To The Scan Tool

Normal Operation

The Liftgate/Trunk Module (LTM) communicates with the scan tool through the Medium Speed Controller Area Network (MS-CAN).

This pinpoint test is intended to diagnose the following:

- Fuse

- Wiring, terminals or connectors

- LTM (Liftgate/Trunk Module)

PINPOINT TEST O : THE LTM (Liftgate/Trunk Module) DOES NOT RESPOND TO THE SCAN TOOL

NOTICE: Use the correct probe adapter(s) when making measurements. Failure to use the correct probe adapter(s) may damage the connector.

NOTE: Failure to disconnect the battery when instructed will result in false resistance readings.

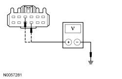
O1 CHECK THE FDIM (Front Display Interface Module) VOLTAGE SUPPLY CIRCUIT FOR AN OPEN

- Ignition OFF.

- Disconnect: LTM (Liftgate/Trunk Module) C4174A.

- Ignition ON.

- Measure the voltage between the LTM (Liftgate/Trunk Module) C4174A-4, circuit SBB34 (YE/RD), harness side and ground; and between the between the LTM (Liftgate/Trunk Module) C4174A-9, circuit SBP14 (BN/RD), harness side and ground.




Are the voltages greater than 10 volts?

Yes
GO to O2.

No
VERIFY the Battery Junction Box (BJB) fuse 34 (30A) or Smart Junction Box (SJB) fuse 14 (10A) is OK. If OK, REPAIR the circuit. If not OK, REFER to the Wiring Diagrams to identify the possible causes of the circuit short. CLEAR the DTCs. REPEAT the network test with the scan tool. Electrical Diagrams

O2 CHECK THE LTM (Liftgate/Trunk Module) GROUND CIRCUIT FOR AN OPEN

- Ignition OFF.

- Disconnect: Negative Battery Cable.

- Measure the resistance between the LTM (Liftgate/Trunk Module) C4174A-1, circuit GD149 (BK/GY), harness side and ground.




Is the resistance less than 5 ohms?

Yes
GO to O3.

No
REPAIR the circuit. CONNECT the negative battery cable. CLEAR the DTCs. REPEAT the network test with the scan tool.

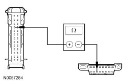
O3 CHECK THE MS-CAN (Medium Speed Controller Area Network) CIRCUITS BETWEEN THE LTM (Liftgate/Trunk Module) AND THE DLC (Data Link Connector) FOR AN OPEN

- Disconnect: LTM (Liftgate/Trunk Module) C4174B.

- Measure the resistance between the LTM (Liftgate/Trunk Module) C4174B-11, circuit VDB06 (GY/OG), harness side and the DLC (Data Link Connector) C251-3, circuit VDB06 (GY/OG), harness side.




- Measure the resistance between the LTM (Liftgate/Trunk Module) C4174B-10, circuit VDB07 (VT/OG), harness side and the DLC (Data Link Connector) C251-11, circuit VDB07 (VT/OG), harness side.




Are the resistances less than 5 ohms?

Yes
CONNECT the negative battery cable. GO to O4.

No
REPAIR the circuit in question. CONNECT the negative battery cable. CLEAR the DTCs. REPEAT the network test with the scan tool.

O4 CHECK FOR CORRECT LTM (Liftgate/Trunk Module) OPERATION

- Disconnect the LTM (Liftgate/Trunk Module) connector.

- Check for:
- corrosion

- damaged pins

- pushed-out pins


- Connect the LTM (Liftgate/Trunk Module) connector and make sure it seats correctly.

- Operate the system and verify the concern is still present.

Is the concern still present?

Yes
INSTALL a new LTM (Liftgate/Trunk Module). CLEAR the DTCs. REPEAT the network test with the scan tool.

No
The system is operating correctly at this time. The concern may have been caused by a loose or corroded connector.