LEMON Manuals: Even more car manuals for everyone: 1960-2025
Home >> Lincoln >> 2012 >> MKT FWD V6-3.7L >> Repair and Diagnosis >> Powertrain Management >> Computers and Control Systems >> Information Bus >> Testing and Inspection >> Pinpoint Tests >> Pinpoint Test R: The Headlamp Control Module 2 (HCM-2) Does Not Respond To The Scan Tool
April 5, 2026: LEMON Manuals is launched! Read the announcement.

Pinpoint Test R: The Headlamp Control Module 2 (HCM-2) Does Not Respond To The Scan Tool




Communications Network

Pinpoint Test R: The Headlamp Control Module 2 (HCM-2) Does Not Respond To The Scan Tool

Normal Operation

The Headlamp Control Module 2 (HCM-2) communicates with the scan tool through the Medium Speed Controller Area Network (MS-CAN).

This pinpoint test is intended to diagnose the following:

- Fuse

- Wiring, terminals or connectors

- HCM-2 (Headlamp Control Module 2)

PINPOINT TEST R : THE HCM-2 (Headlamp Control Module 2) DOES NOT RESPOND TO THE SCAN TOOL

NOTICE: Use the correct probe adapter(s) when making measurements. Failure to use the correct probe adapter(s) may damage the connector.

NOTE: Failure to disconnect the battery when instructed will result in false resistance readings.

NOTE: The steps in this pinpoint test are carried out from the headlamp jumper harness connection, not the module itself.

R1 CHECK THE HCM-2 (Headlamp Control Module 2) VOLTAGE SUPPLY CIRCUIT FOR AN OPEN

- Ignition OFF.

- Disconnect: HCM-2 (Headlamp Control Module 2) Inline C913.

- Ignition ON.

- Measure the voltage between the HCM-2 (Headlamp Control Module 2) inline C913-A, circuit CBP35 (YE/GY), harness (female) side and ground.




Is the voltage greater than 10 volts?

Yes
GO to R2.

No
VERIFY the Smart Junction Box (SJB) fuse 35 (10A) is OK. If OK, REPAIR the circuit. If not OK, REFER to the Wiring Diagrams to identify the possible causes of the circuit short. CLEAR the DTCs. REPEAT the network test with the scan tool. Electrical Diagrams

R2 CHECK THE HCM-2 (Headlamp Control Module 2) GROUND CIRCUIT FOR AN OPEN

- Disconnect: Negative Battery Cable.

- Measure the resistance between the HCM-2 (Headlamp Control Module 2) inline C913-E, circuit GD133 (BK), harness (female) side and ground.




Is the resistance less than 5 ohms?

Yes
GO to R3.

No
REPAIR the circuit. CONNECT the negative battery cable. CLEAR the DTCs. REPEAT the network test with the scan tool.

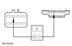
R3 CHECK THE MS-CAN (Medium Speed Controller Area Network) CIRCUITS BETWEEN THE HCM-2 (Headlamp Control Module 2) AND THE DLC (Data Link Connector) FOR AN OPEN

- Measure the resistance between the HCM-2 (Headlamp Control Module 2) inline C913-C, circuit VDB06 (GY/OG), harness (female) side and the DLC (Data Link Connector) C251-3, circuit VDB06 (GY/OG), harness side.




- Measure the resistance between the HCM-2 (Headlamp Control Module 2) inline C913-F, circuit VDB07 (VT/OG), harness (female) side and the DLC (Data Link Connector) C251-11, circuit VDB07 (VT/OG), harness side.




Are the resistances less than 5 ohms?

Yes
CONNECT the negative battery cable. GO to R4.

No
REPAIR the circuit in question. CONNECT the negative battery cable. CLEAR the DTCs. REPEAT the network test with the scan tool.

R4 CHECK FOR CORRECT HCM-2 (Headlamp Control Module 2) OPERATION

- Disconnect the inline HCM-2 (Headlamp Control Module 2) connector.

- Check for:
- corrosion

- damaged pins

- pushed-out pins


- Connect the inline HCM-2 (Headlamp Control Module 2) connector and make sure it seats correctly.

- Operate the system and verify the concern is still present.

Is the concern still present?

Yes
INSTALL a new HCM-2 (Headlamp Control Module 2). CLEAR the DTCs. REPEAT the network test with the scan tool.

No
The system is operating correctly at this time. The concern may have been caused by a loose or corroded connector.