LEMON Manuals: Even more car manuals for everyone: 1960-2025
Home >> Lincoln >> 2012 >> MKX AWD V6-3.7L >> Repair and Diagnosis >> Powertrain Management >> Computers and Control Systems >> Information Bus >> Testing and Inspection >> Pinpoint Tests >> Pinpoint Test AC: No Medium Speed Controller Area Network (MS-CAN) Communication, All Modules Are Not Responding >> Part 1
April 5, 2026: LEMON Manuals is launched! Read the announcement.

Part 1




Communications Network

Pinpoint Test AC: No Medium Speed Controller Area Network (MS-CAN) Communication, All Modules Are Not Responding

Refer to Wiring Diagram Set 14, Module Communications Network for schematic and connector information Electrical Diagrams.

Normal Operation

The Medium Speed Controller Area Network (MS-CAN) uses an unshielded twisted pair cable and provides the network connection to all modules on the network.

The termination modules for the MS-CAN (Medium Speed Controller Area Network) are the BCM-HVTB (Battery Control Module - High Voltage Traction Battery) and the HVAC module.

This pinpoint test is intended to diagnose the following:

- Wiring, terminals or connectors

- Data Link Connector (DLC)

- Accessory Protocol Interface Module (APIM) (if equipped)

- Body Control Module (BCM)

- Dual Climate Controlled Seat Module (DCSM) (if equipped)

- Driver Seat Module (DSM) (if equipped)

- Global Positioning System Module (GPSM) (if equipped)

- Heated Steering Wheel Module (HSWM) (if equipped)

- HVAC module

- Liftgate/Trunk Module (LTM) (if equipped)

- Remote Function Actuator (RFA) module (if equipped)

- Side Obstacle Detection Control Module - Left (SOD-L) (if equipped)

- Side Obstacle Detection Control Module - Right (SOD-R) (if equipped)

- Tire Pressure Monitor (TPM) module

PINPOINT TEST AC : NO MS-CAN (Medium Speed Controller Area Network) COMMUNICATION, ALL MODULES ARE NOT RESPONDING

NOTICE: Use the correct probe adapter(s) when making measurements. Failure to use the correct probe adapter(s) may damage the connector.

NOTE:
- Most faults are due to connector and/or wiring concerns. Carry out a thorough inspection and verification before proceeding with the pinpoint test. Communications Network

- Various modules set network DTCs during this test procedure. Clear DTCs from all modules after completing the diagnostic procedure.

- Failure to disconnect the battery when instructed results in false resistance readings.

AC1 CHECK THE DLC (Data Link Connector) PINS FOR DAMAGE

- Ignition OFF.

- Disconnect the scan tool cable from the Data Link Connector (DLC).

- Inspect the DLC (Data Link Connector) pins 3 and 11 for damage.






Are DLC (Data Link Connector) pins 3 and 11 OK?

Yes
GO to AC2.

No
REPAIR the DLC (Data Link Connector) as necessary. CLEAR the DTCs. REPEAT the Network Test with the scan tool.

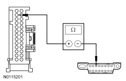
AC2 CHECK THE MS-CAN (Medium Speed Controller Area Network) TERMINATION RESISTANCE

- Disconnect: Negative Battery Cable.

- Measure the resistance between the DLC (Data Link Connector) C251-3, circuit VDB06 (GY/OG), harness side and the DLC (Data Link Connector) C251-11, circuit VDB07 (VT/OG), harness side.






Is the resistance between 54 and 66 ohms?

Yes
GO to AC3.

No
GO to AC5.

AC3 CHECK THE MS-CAN (Medium Speed Controller Area Network) (+) AND MS-CAN (Medium Speed Controller Area Network) (-) CIRCUITS FOR A SHORT TO GROUND

- Measure the resistance between the DLC (Data Link Connector) C251-3, circuit VDB06 (GY/OG), harness side and ground; and between the DLC (Data Link Connector) C251-11, circuit VDB07 (VT/OG), harness side and ground.






Are the resistances greater than 1,000 ohms?

Yes
GO to AC4.

No
GO to AC12.

AC4 CHECK THE MS-CAN (Medium Speed Controller Area Network) (+) AND MS-CAN (Medium Speed Controller Area Network) (-) CIRCUITS FOR A SHORT TO VOLTAGE

- Connect the negative battery cable.

- Ignition ON.

- Measure the voltage between the DLC (Data Link Connector) C251-3, circuit VDB06 (GY/OG), harness side and ground; and between the DLC (Data Link Connector) C251-11, circuit VDB07 (VT/OG), harness side and ground.






Are the voltages greater than 6 volts?

Yes
REPAIR the circuit in question. CLEAR the DTCs. REPEAT the Network Test with the scan tool.

No
GO to AC13.

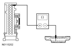
AC5 CHECK THE MS-CAN (Medium Speed Controller Area Network) TERMINATION RESISTOR

- Measure the resistance between the DLC (Data Link Connector) C251-3, circuit VDB06 (GY/OG), harness side and the DLC (Data Link Connector) C251-11, circuit VDB07 (VT/OG), harness side.






Is the resistance between 108 and 132 ohms?

Yes
GO to AC6.

No
GO to AC9.

AC6 CHECK THE MS-CAN (Medium Speed Controller Area Network) TERMINATION RESISTOR WITH THE BCM (Body Control Module) DISCONNECTED

- Disconnect: BCM (Body Control Module) C2280B.

- Measure the resistance between the DLC (Data Link Connector) C251-3, circuit VDB06 (GY/OG), harness side and the DLC (Data Link Connector) C251-11, circuit VDB07 (VT/OG), harness side.






Is the resistance between 108 and 132 ohms?

Yes
GO to AC7.

No
GO to AC8.

AC7 CHECK THE MS-CAN (Medium Speed Controller Area Network) CIRCUITS BETWEEN THE BCM (Body Control Module) AND THE DLC (Data Link Connector) FOR AN OPEN

- Measure the resistance between the BCM (Body Control Module) C2280B-38, circuit VDB06 (GY/OG), harness side and the DLC (Data Link Connector) C251-3, circuit VDB06 (GY/OG), harness side.






- Measure the resistance between the BCM (Body Control Module) C2280B-39, circuit VDB07 (VT/OG), harness side and the DLC (Data Link Connector) C251-11, circuit VDB07 (VT/OG), harness side.






Are the resistances less than 5 ohms?

Yes
CONNECT the negative battery cable. GO to AC21.

No
REPAIR the circuit in question. CONNECT the negative battery cable. CLEAR the DTCs. REPEAT the Network Test with the scan tool.

AC8 CHECK THE MS-CAN (Medium Speed Controller Area Network) CIRCUITS BETWEEN THE HVAC MODULE AND THE DLC (Data Link Connector) FOR AN OPEN

- Disconnect: HVAC module C2357 (EMTC (Electronic Manual Temperature Control)) or C228A (DATC (Dual Automatic Temperature Control)).

- Measure the resistance between the HVAC module C2357-12 (EMTC (Electronic Manual Temperature Control)) C228A-12 (DATC (Dual Automatic Temperature Control)), circuit VDB06 (GY/OG), harness side and the DLC (Data Link Connector) C251-3 circuit VDB06 (GY/OG), harness side.






- Measure the resistance between the HVAC module C2357-13 (EMTC (Electronic Manual Temperature Control)) C228A-13 (DATC (Dual Automatic Temperature Control)), circuit VDB07 (VT/OG), harness side and the DLC (Data Link Connector) C251-11, circuit VDB07 (VT/OG), harness side.






Are the resistances less than 5 ohms?

Yes
CONNECT the negative battery cable. GO to AC26.

No
REPAIR the circuit in question. CONNECT the negative battery cable. CLEAR the DTCs. REPEAT the Network Test with the scan tool.

AC9 CHECK THE MS-CAN (Medium Speed Controller Area Network) (+) AND MS-CAN (Medium Speed Controller Area Network) (-) CIRCUITS FOR A SHORT TOGETHER

- Measure the resistance between the DLC (Data Link Connector) C251-3, circuit VDB06 (GY/OG), harness side and the DLC (Data Link Connector) C251-11, circuit VDB07 (VT/OG), harness side.






Is the resistance less than 5 ohms?

Yes
GO to AC11.

No
GO to AC10.

AC10 CHECK THE MS-CAN (Medium Speed Controller Area Network) CIRCUITS BETWEEN THE BCM (Body Control Module) AND THE DLC (Data Link Connector) FOR AN OPEN

- Measure the resistance between the DLC (Data Link Connector) C251-3, circuit VDB06 (GY/OG), harness side and the DLC (Data Link Connector) C251-11, circuit VDB07 (VT/OG), harness side.






Is the resistance greater than 10,000 ohms?

Yes
REPAIR the DLC (Data Link Connector) or REPAIR the circuit in question. CLEAR the DTCs. REPEAT the Network Test with the scan tool.

No
A capacitor internal to a module may still be draining, causing irregular resistance readings. WAIT 5 minutes. REPEAT the pinpoint test.

AC11 CHECK THE MS-CAN (Medium Speed Controller Area Network) (+) AND MS-CAN (Medium Speed Controller Area Network) (-) CIRCUITS FOR A SHORT TOGETHER

- While measuring the resistance between the DLC (Data Link Connector) C251-3, circuit VDB06 (GY/OG), harness side and the DLC (Data Link Connector) C251-11, circuit VDB07 (VT/OG), harness side, disconnect the following modules one at a time until the resistance is greater than 5 ohms.
- APIM (Accessory Protocol Interface Module) C2383 (if equipped)

- BCM (Body Control Module) C2280B

- DSM (Driver Seat Module) C3299B (if equipped)

- DCSM (Dual Climate Controlled Seat Module) C3036C (if equipped)

- GPSM (Global Positioning System Module) C2398 (if equipped)

- HSWM (Heated Steering Wheel Module) C2406 (if equipped)

- LTM (Liftgate/Trunk Module) C4174B (if equipped)

- SOD-L (Side Obstacle Detection Control Module - Left) C4369 (if equipped)

- SOD-R (Side Obstacle Detection Control Module - Right) C4370 (if equipped)

- TPM (Tire Pressure Monitor) module C2406

- RFA (Remote Function Actuator) module C2153E (if equipped)

- HVAC module C2357 (EMTC (Electronic Manual Temperature Control)) or C228A (DATC (Dual Automatic Temperature Control))







Did the resistance change to greater than 5 ohms with one of the modules disconnected?

Yes
CONNECT the negative battery cable.

For the APIM (Accessory Protocol Interface Module), GO to AC20.

For the BCM (Body Control Module), GO to AC21.

For the DSM (Driver Seat Module), GO to AC22.

For the DCSM (Dual Climate Controlled Seat Module), GO to AC23.

For the GPSM (Global Positioning System Module), GO to AC24.

For the HSWM (Heated Steering Wheel Module), GO to AC25.

For the HVAC module, GO to AC26.

For the LTM (Liftgate/Trunk Module), GO to AC27.

For the RFA (Remote Function Actuator), GO to AC28.

For the SOD-L (Side Obstacle Detection Control Module - Left), GO to AC29.

For the SOD-R (Side Obstacle Detection Control Module - Right), GO to AC30.

For the TPM (Tire Pressure Monitor) module, GO to AC31.

No
REPAIR circuits VDB06 (GY/OG) and VDB07 (VT/OG) for being shorted together. CONNECT all modules. CONNECT the negative battery cable. CLEAR the DTCs. REPEAT the Network Test with the scan tool.

AC12 CHECK THE MS-CAN (Medium Speed Controller Area Network) (+) AND MS-CAN (Medium Speed Controller Area Network) (-) CIRCUITS FOR A SHORT TO GROUND WITH THE MODULES DISCONNECTED

- Measure the resistance between the DLC (Data Link Connector) C251-3, circuit VDB06 (GY/OG), harness side and ground; and between the DLC (Data Link Connector) C251-11, circuit VDB07 (VT/OG), harness side and ground. Check for the short to ground on both circuits after disconnecting each module. Disconnect the following modules one at a time until the resistance to ground is greater than 1,000 ohms.
- APIM (Accessory Protocol Interface Module) C2383 (if equipped)

- BCM (Body Control Module) C2280B

- DSM (Driver Seat Module) C3299B (if equipped)

- DCSM (Dual Climate Controlled Seat Module) C3036C (if equipped)

- GPSM (Global Positioning System Module) C2398 (if equipped)

- HSWM (Heated Steering Wheel Module) C2406 (if equipped)

- LTM (Liftgate/Trunk Module) C4174B (if equipped)

- SOD-L (Side Obstacle Detection Control Module - Left) C4369 (if equipped)

- SOD-R (Side Obstacle Detection Control Module - Right) C4370 (if equipped)

- TPM (Tire Pressure Monitor) module C2406

- RFA (Remote Function Actuator) module C2153E (if equipped)

- HVAC module C2357 (EMTC (Electronic Manual Temperature Control)) or C228A (DATC (Dual Automatic Temperature Control))







Did the resistance change to greater than 1,000 ohms with one of the modules disconnected?

Yes
CONNECT the negative battery cable.

For the APIM (Accessory Protocol Interface Module), GO to AC20.

For the BCM (Body Control Module), GO to AC21.

For the DSM (Driver Seat Module), GO to AC22.

For the DCSM (Dual Climate Controlled Seat Module), GO to AC23.

For the GPSM (Global Positioning System Module), GO to AC24.

For the HSWM (Heated Steering Wheel Module), GO to AC25.

For the HVAC module, GO to AC26.

For the LTM (Liftgate/Trunk Module), GO to AC27.

For the RFA (Remote Function Actuator), GO to AC28.

For the SOD-L (Side Obstacle Detection Control Module - Left), GO to AC29.

For the SOD-R (Side Obstacle Detection Control Module - Right), GO to AC30.

For the TPM (Tire Pressure Monitor) module, GO to AC31.

No
REPAIR the circuit in question. CLEAR the DTCs. REPEAT the Network Test with the scan tool.

AC13 CHECK FOR RESTORED COMMUNICATION WITH THE BCM (Body Control Module), GPSM (Global Positioning System Module), AND THE APIM (Accessory Protocol Interface Module) DISABLED

NOTE: When re-running the network test, close the Network Test application first or the screen display reverts back to the prior run Network Test results.

- Disconnect: BCM (Body Control Module) Fuses 18 (10A), 26 (5A) and 29 (20A).

- Enter the following diagnostic mode on the scan tool: Network Test.

- Repeat the network test.

Do all other MS-CAN (Medium Speed Controller Area Network) modules pass the network test?

Yes
INSTALL the removed fuses. If the vehicle is not equipped with 8-inch touchscreen, GO to Pinpoint Test I Pinpoint Test I: The Body Control Module (BCM) Does Not Respond To The Scan Tool.

If the vehicle is equipped with 8-inch touchscreen, GO to AC14.

No
INSTALL the removed fuses. GO to AC15.

AC14 CHECK FOR RESTORED COMMUNICATION WITH THE GPSM (Global Positioning System Module) AND THE APIM (Accessory Protocol Interface Module) DISCONNECTED

NOTE: When re-running the network test, close the Network Test application first or the screen display reverts back to the prior run Network Test results.

- Disconnect modules one at a time until other MS-CAN (Medium Speed Controller Area Network) modules pass the network test. Skip to the end once network operation is restored.

- Disconnect: GPSM (Global Positioning System Module) C2398 (if equipped).

- Enter the following diagnostic mode on the scan tool: Network Test.

- Disconnect: APIM (Accessory Protocol Interface Module) C2383 (if equipped).

- Enter the following diagnostic mode on the scan tool: Network Test.

Do all other MS-CAN (Medium Speed Controller Area Network) modules pass the network test?

Yes
CONNECT all modules.

For restored operation with the GPSM (Global Positioning System Module) disconnected, GO to Pinpoint Test P Pinpoint Test P: The Global Positioning System Module (GPSM) Does Not Respond To The Scan Tool.

For restored operation with the APIM (Accessory Protocol Interface Module) disconnected, GO to Pinpoint Test S Pinpoint Test S: The Accessory Protocol Interface Module (APIM) Does Not Respond To The Scan Tool.

No
CONNECT all modules.

GO to Pinpoint Test I Pinpoint Test I: The Body Control Module (BCM) Does Not Respond To The Scan Tool.

AC15 CHECK FOR RESTORED NETWORK COMMUNICATION WITH THE SOD-L (Side Obstacle Detection Control Module - Left), SOD-R (Side Obstacle Detection Control Module - Right), HVAC MODULE, DCSM (Dual Climate Controlled Seat Module), AND THE LTM (Liftgate/Trunk Module) DISABLED

NOTE: When re-running the network test, close the Network Test application first or the screen display reverts back to the prior run Network Test results.

- Disconnect: BJB (Battery Junction Box) Fuse 28 (30A) and BCM (Body Control Module) Fuses 34 (10A) and 9 (10A).

- Enter the following diagnostic mode on the scan tool: Network Test.

- Repeat the network test.

Do all other MS-CAN (Medium Speed Controller Area Network) modules pass the network test?

Yes
INSTALL the removed fuses. If the vehicle is not equipped with blind side monitor or power liftgate GO to Pinpoint Test J Pinpoint Test J: The HVAC Module Does Not Respond To The Scan Tool.

If the vehicle is equipped with blind side monitor or power liftgate GO to AC16

No
INSTALL the removed fuses. GO to AC17

AC16 CHECK FOR RESTORED COMMUNICATION WITH THE SOD-L (Side Obstacle Detection Control Module - Left), SOD-R (Side Obstacle Detection Control Module - Right), HVAC MODULE AND THE LTM (Liftgate/Trunk Module) DISCONNECTED

NOTE: When re-running the network test, close the Network Test application first or the screen display reverts back to the prior run Network Test results.

- Disconnect modules one at a time until other MS-CAN (Medium Speed Controller Area Network) modules pass the network test. Skip to the end once network operation is restored.

- Disconnect: SOD-L (Side Obstacle Detection Control Module - Left) C4369 (if equipped).

- Enter the following diagnostic mode on the scan tool: Network Test.

- Disconnect: SOD-R (Side Obstacle Detection Control Module - Right) C4370 (if equipped).

- Enter the following diagnostic mode on the scan tool: Network Test.

- Disconnect: LTM (Liftgate/Trunk Module) C4174B (if equipped).

- Enter the following diagnostic mode on the scan tool: Network Test.

- Disconnect: HVAC module C2357 (EMTC (Electronic Manual Temperature Control)) or C228A (DATC (Dual Automatic Temperature Control)).

- Enter the following diagnostic mode on the scan tool: Network Test.

Do all other MS-CAN (Medium Speed Controller Area Network) modules pass the network test?

Yes
CONNECT all modules.

For restored operation with the SOD-L (Side Obstacle Detection Control Module - Left) disconnected, GO to Pinpoint Test V Pinpoint Test V: The Side Obstacle Detection Control Module - Left (SOD-L) Does Not Respond To The Scan Tool.

For restored operation with the SOD-R (Side Obstacle Detection Control Module - Right) disconnected, GO to Pinpoint Test W Pinpoint Test W: The Side Obstacle Detection Control Module - Right (SOD-R) Does Not Respond To The Scan Tool.

For restored operation with the HVAC module disconnected, GO to Pinpoint Test J Pinpoint Test J: The HVAC Module Does Not Respond To The Scan Tool.

For restored operation with the LTM (Liftgate/Trunk Module) disconnected, GO to Pinpoint Test N Pinpoint Test N: The Liftgate/Trunk Module (LTM) Does Not Respond To The Scan Tool.

No
CONNECT all modules. The MS-CAN (Medium Speed Controller Area Network) tests within specification. VERIFY the correct operation of the scan tool on a known good vehicle.