LEMON Manuals: Even more car manuals for everyone: 1960-2025
Home >> Lincoln >> 2012 >> MKZ AWD V6-3.5L >> Repair and Diagnosis >> Powertrain Management >> Computers and Control Systems >> Information Bus >> Testing and Inspection >> Pinpoint Tests >> Pinpoint Test AD: Intermittent High Speed Controller Area Network Communication Modules Are Not Responding During Network Test
April 5, 2026: LEMON Manuals is launched! Read the announcement.

Pinpoint Test AD: Intermittent High Speed Controller Area Network Communication Modules Are Not Responding During Network Test




Communications Network

Pinpoint Test AD: Intermittent High Speed Controller Area Network Communication Modules Are Not Responding During Network Test

Normal Operation

When one of the 2 High Speed Controller Area Network (HS-CAN) circuits becomes open to a module on the network, intermittent or unreliable communication to all modules on the HS-CAN (High Speed Controller Area Network) may result.

The following modules communicate on the HS-CAN (High Speed Controller Area Network) :

- 4X4 control module (if equipped)

- ABS module

- Accessory Protocol Interface Module (APIM) (if equipped)

- Air Conditioning Compressor Module (ACCM) (Hybrid only)

- Battery Energy Control Module (BECM) (Hybrid only)

- DC/DC (DC to DC Converter Control Module) (Hybrid only)

- Headlamp Control Module (HCM) (if equipped)

- Instrument Panel Cluster (IPC)

- Occupant Classification System Module (OCSM)

- PCM

- Power Steering Control Module (PSCM) (if equipped)

- Restraints Control Module (RCM)

- Transmission Control Module (TCM) (if equipped)

This pinpoint test is intended to diagnose the following:

- Circuit VDB04 (WH/BU) (HS-CAN (High Speed Controller Area Network) +) open

- Circuit VDB05 (WH) (HS-CAN (High Speed Controller Area Network) -) open

PINPOINT TEST AD : INTERMITTENT NO HS-CAN (High Speed Controller Area Network) COMMUNICATION, ONE OR MORE MODULES ARE NOT RESPONDING DURING NETWORK TEST

NOTE: Most faults are due to connector and/or wiring concerns. Carry out a thorough inspection and verification before proceeding with the pinpoint test. Module Communications Network
NOTE: Various network DTCs will set while disabling modules in this test procedure which will need to be cleared after the diagnostic procedure is completed.

NOTE: Failure to disconnect the battery when instructed will result in false resistance readings.

AD1 CHECK THE DLC (Data Link Connector) PINS FOR DAMAGE

- Ignition OFF.

- Disconnect the scan tool cable from the DLC (Data Link Connector).

- Inspect DLC (Data Link Connector) pins 6 and 14 for damage.





Are DLC (Data Link Connector) pins 6 and 14 OK?

Yes
GO to AD2.

No
REPAIR the DLC (Data Link Connector) as necessary. CLEAR the DTCs. REPEAT the network test with the scan tool.

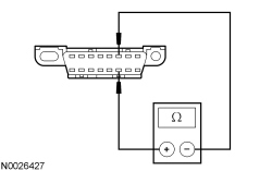
AD2 CHECK THE HS-CAN (High Speed Controller Area Network) TERMINATION RESISTANCE

- Ignition OFF.

- Disconnect: Negative Battery Cable.

- Measure the resistance between the DLC (Data Link Connector) C251-6, circuit VDB04 (WH/BU), harness side and the DLC (Data Link Connector) C251-14, circuit VDB05 (WH), harness side.





Is the resistance between 54 and 66 ohms?

Yes
GO to AD3.

No
GO to Pinpoint Test AE. Pinpoint Test AE: No High Speed Controller Area Network (HS-CAN) Communication, All Modules Are Not Responding

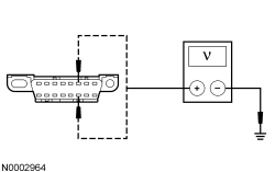
AD3 CHECK THE HS-CAN (High Speed Controller Area Network) (+) AND HS-CAN (High Speed Controller Area Network) (-) CIRCUITS FOR A SHORT TO GROUND

- Measure the resistance between the DLC (Data Link Connector) C251-6, circuit VDB04 (WH/BU), harness side and ground; and between the DLC (Data Link Connector) C251-14, circuit VDB05 (WH), harness side and ground.





Are the resistances greater than 1,000 ohms?

Yes
GO to AD4.

No
GO to Pinpoint Test W. Pinpoint Test W: The Audio Digital Signal Processing (DSP) Module Does Not Respond To The Scan Tool

AD4 CHECK THE HS-CAN (High Speed Controller Area Network) (+) AND HS-CAN (High Speed Controller Area Network) (-) CIRCUITS FOR A SHORT TO
VOLTAGE


- Connect: Negative Battery Cable.

- Ignition ON.

- Measure the voltage between the DLC (Data Link Connector) C251-6, circuit VDB04 (WH/BU), harness side and ground; and between the DLC (Data Link Connector) C251-14, circuit VDB05 (WH), harness side and ground.





Is the voltage greater than 6 volts?

Yes
REPAIR the circuit. CLEAR the DTCs. REPEAT the network test with the scan tool.

No
GO to AD5.

AD5 CHECK FOR RESTORED COMMUNICATION WITH THE PCM DISABLED

- Disconnect: Gasoline Engine- Battery Junction Box (BJB) Fuses 23 (10A) and 46 (15A).

- Disconnect: Hybrid- PCM C175B.

- Enter the following diagnostic mode on the scan tool: Network Test.

- Repeat the network test.

Do all other HS-CAN (High Speed Controller Area Network) modules pass the network test?

Yes
INSTALL the removed fuses (gasoline engine) or CONNECT the PCM (hybrid). GO to Pinpoint Test A. Pinpoint Test A: The PCM Does Not Respond To The Scan Tool
No
INSTALL the removed fuses (gasoline engine) or CONNECT the PCM (hybrid). If the vehicle is equipped with an Headlamp Control Module (HCM) and/or a Power Steering Control Module (PSCM), GO to AD6.

If the vehicle is not equipped with a HCM (Headlamp Control Module) , GO to AD8.

AD6 CHECK FOR RESTORED NETWORK COMMUNICATION WITH THE HCM (Headlamp Control Module) (IF EQUIPPED) AND PSCM (Power Steering Control Module) (IF EQUIPPED) DISABLED

- Disconnect: Smart Junction Box (SJB) Fuse 33 (10A).

- Enter the following diagnostic mode on the scan tool: Network Test.

- Repeat the network test.

Do all other HS-CAN (High Speed Controller Area Network) modules pass the network test?

Yes
INSTALL the removed fuse. If the vehicle is equipped with only a HCM (Headlamp Control Module) , GO to Pinpoint Test I. Pinpoint Test I: The Headlamp Control Module (HCM) Does Not Respond To The Scan Tool

If the vehicle is equipped with only a PSCM (Power Steering Control Module) , GO to Pinpoint Test D. Pinpoint Test D: The Power Steering Control Module (PSCM) Does Not Respond To The Scan Tool

If the vehicle is equipped with both a HCM (Headlamp Control Module) and PSCM (Power Steering Control Module) , GO to AD7.

No
INSTALL the removed fuse. GO to AD8.

AD7 CHECK FOR RESTORED NETWORK COMMUNICATION WITH THE HCM (Headlamp Control Module) DISCONNECTED

- Disconnect: HCM (Headlamp Control Module) C1600.

- Enter the following diagnostic mode on the scan tool: Network Test.

- Repeat the network test.

Do all other HS-CAN (High Speed Controller Area Network) modules pass the network test?

Yes
CONNECT the HCM (Headlamp Control Module). GO to Pinpoint Test I. Pinpoint Test I: The Headlamp Control Module (HCM) Does Not Respond To The Scan Tool
No
CONNECT the HCM (Headlamp Control Module). GO to Pinpoint Test D. Pinpoint Test D: The Power Steering Control Module (PSCM) Does Not Respond To The Scan Tool

AD8 CHECK FOR RESTORED NETWORK COMMUNICATION WITH THE RCM (Restraints Control Module) DISABLED

- Disconnect: SJB (Smart Junction Box) Fuse 32 (10A).

- Enter the following diagnostic mode on the scan tool: Network Test.

- Repeat the network test.

Do all other HS-CAN (High Speed Controller Area Network) modules pass the network test?

Yes
INSTALL the removed fuse. GO to Pinpoint Test E. Pinpoint Test E: The Restraints Control Module (RCM) Does Not Respond To The Scan Tool
No
INSTALL the removed fuse. For gasoline engine, GO to AD9. For hybrid, GO to AD10.

AD9 CHECK FOR RESTORED NETWORK COMMUNICATION WITH THE ABS MODULE DISABLED - GASOLINE ENGINE

- Disconnect: Battery Junction Box (BJB) Fuse 42 (10A).

- Enter the following diagnostic mode on the scan tool: Network Test.

- Repeat the network test.

Do all other HS-CAN (High Speed Controller Area Network) modules pass the network test?

Yes
INSTALL the removed fuse. GO to Pinpoint Test B. Pinpoint Test B: The ABS Module Does Not Respond To The Scan Tool
No
INSTALL the removed fuse. If the vehicle is equipped with a 4X4 control module, GO to AD13.

If the vehicle is not equipped with a 4X4 control module, GO to AD14.

AD10 CHECK FOR RESTORED NETWORK COMMUNICATION WITH THE ACCM (Air Conditioning Compressor Module) , DC/DC (DC to DC Converter Control Module) AND ABS MODULE DISABLED - HYBRID

- Disconnect: Battery Junction Box (BJB) Fuse 47 (10A).

- Enter the following diagnostic mode on the scan tool: Network Test.

- Repeat the network test.

Do all other HS-CAN (High Speed Controller Area Network) modules pass the network test?

Yes
INSTALL the removed fuse. GO to AD11.

No
INSTALL the removed fuse. If the vehicle is equipped with a 4X4 control module, GO to AD13.

If the vehicle is not equipped with a 4X4 control module, GO to AD14.

AD11 CHECK FOR RESTORED NETWORK COMMUNICATION WITH THE ACCM (Air Conditioning Compressor Module) DISCONNECTED

- Disconnect: ACCM (Air Conditioning Compressor Module) C1469A.

- Enter the following diagnostic mode on the scan tool: Network Test.

- Repeat the network test.

Do all other HS-CAN (High Speed Controller Area Network) modules pass the network test?

Yes
INSTALL the removed fuses. GO to Pinpoint Test K. Pinpoint Test K: The Air Conditioning Compressor Module (ACCM) Does Not Respond To The Scan Tool
No
INSTALL the removed fuses. GO to AD12.

AD12 CHECK FOR RESTORED NETWORK COMMUNICATION WITH THE DC/DC (DC to DC Converter Control Module) DISCONNECTED

- Disconnect: DC/DC (DC to DC Converter Control Module) C1457D.

- Enter the following diagnostic mode on the scan tool: Network Test.

- Repeat the network test.

Do all other HS-CAN (High Speed Controller Area Network) modules pass the network test?

Yes
INSTALL the removed fuses. GO to Pinpoint Test L. Pinpoint Test L: The DC to DC Converter Control Module (DC/DC) Does Not Respond To The Scan Tool
No
INSTALL the removed fuses. GO to Pinpoint Test B. Pinpoint Test B: The ABS Module Does Not Respond To The Scan Tool

AD13 CHECK FOR RESTORED NETWORK COMMUNICATION WITH THE 4X4 MODULE DISABLED

- Disconnect: SJB (Smart Junction Box) Fuses 11 (10A) and 35 (10A).

- Enter the following diagnostic mode on the scan tool: Network Test.

- Repeat the network test.

Do all other HS-CAN (High Speed Controller Area Network) modules pass the network test?

Yes
INSTALL the removed fuses. GO to Pinpoint Test H. Pinpoint Test H: The 4X4 Control Module Does Not Respond To The Scan Tool
No
INSTALL the removed fuses. GO to AD9.

AD14 CHECK FOR RESTORED NETWORK COMMUNICATION WITH THE IPC (Instrument Panel Cluster) DISABLED

- Disconnect: SJB (Smart Junction Box) Fuses 26 (15A) and 29 (5A).

- Enter the following diagnostic mode on the scan tool: Network Test.

- Repeat the network test.

Do all other HS-CAN (High Speed Controller Area Network) modules pass the network test?

Yes
INSTALL the removed fuses. GO to Pinpoint Test C. Pinpoint Test C: The Instrument Panel Cluster (IPC) Does Not Respond To The Scan Tool
No
INSTALL the removed fuses. If the vehicle is equipped with an Accessory Protocol Interface Module (APIM), GO to AD15.

If the vehicle is not equipped with an APIM (Accessory Protocol Interface Module) ,GO to AD16.

AD15 CHECK FOR RESTORED NETWORK COMMUNICATION WITH THE APIM (Accessory Protocol Interface Module) DISABLED

- Disconnect: SJB (Smart Junction Box) Fuse 13 (5A).

- Enter the following diagnostic mode on the scan tool: Network Test.

- Repeat the network test.

Do all other HS-CAN (High Speed Controller Area Network) modules pass the network test?

Yes
INSTALL the removed fuse. GO to Pinpoint Test AA. Pinpoint Test AA: The Accessory Protocol Interface Module (APIM) Does Not Respond To The Scan Tool
No
INSTALL the removed fuse. GO to AD16.

AD16 CHECK FOR RESTORED NETWORK COMMUNICATION WITH THE OCSM (Occupant Classification System Module) DISABLED

- Disconnect: SJB (Smart Junction Box) Fuse 46 (7.5A).

- Enter the following diagnostic mode on the scan tool: Network Test.

- Repeat the network test.

Do all other HS-CAN (High Speed Controller Area Network) modules pass the network test?

Yes
INSTALL the removed fuse. GO to Pinpoint Test F. Pinpoint Test F: The Occupant Classification System Module (OCSM) Does Not Respond To The Scan Tool
No
INSTALL the removed fuse. If the vehicle is equipped with a Transmission Control Module (TCM), GO to AD17.

If the vehicle is not equipped with a TCM (Transmission Control Module) , GO to AD18.

AD17 CHECK FOR RESTORED NETWORK COMMUNICATION WITH THE TCM (Transmission Control Module) DISABLED

- Disconnect: Gasoline Engine- SJB (Smart Junction Box) Fuse 44 (10A) and BJB (Battery Junction Box) Fuse 16 (5A).

- Disconnect: Hybrid- TCM (Transmission Control Module) C1458A.

- Enter the following diagnostic mode on the scan tool: Network Test.

- Repeat the network test.

Do all other HS-CAN (High Speed Controller Area Network) modules pass the network test?

Yes
INSTALL the removed fuses (gasoline engine) or CONNECT the TCM (Transmission Control Module) (hybrid). GO to Pinpoint Test G. Pinpoint Test G: The Transmission Control Module (TCM) Does Not Respond To The Scan Tool
No
INSTALL the removed fuses (gasoline engine) or CONNECT the TCM (Transmission Control Module) (hybrid). GO to AD18.

AD18 CHECK FOR RESTORED NETWORK COMMUNICATION WITH THE RCM (Restraints Control Module) DISABLED

- Disconnect: SJB (Smart Junction Box) Fuse 32 (10A).

- Enter the following diagnostic mode on the scan tool: Network Test.

- Repeat the network test.

Do all other HS-CAN (High Speed Controller Area Network) modules pass the network test?

Yes
INSTALL the removed fuse. GO to Pinpoint Test E. Pinpoint Test E: The Restraints Control Module (RCM) Does Not Respond To The Scan Tool
No
INSTALL the removed fuse. An intermittent fault is not present. GO to Pinpoint Test AC. Pinpoint Test AC: No Medium Speed Controller Area Network (MS-CAN) Communication, All Modules Are Not Responding