LEMON Manuals: Even more car manuals for everyone: 1960-2025
Home >> Lincoln >> 2012 >> MKZ Base, AWD >> Repair and Diagnosis >> External Pages >> Different car >> Section 212 (Component Testing) >> Component testing >> Master window adjust switch (14529A) >> Schematic
April 5, 2026: LEMON Manuals is launched! Read the announcement.

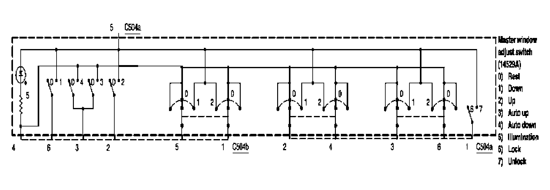
Master window adjust switch (14529A): Schematic

WARNING: This page is about a different car, the 2005 Mercury Montego, 2005 Ford Freestyle, and 2005 Ford Five Hundred. However, it is still accessible from the selected car via links, so may be relevant.
Fig 1: Master Window Adjust Switch (14529A) - Schematic
G03994277Courtesy of FORD MOTOR CO.