LEMON Manuals: Even more car manuals for everyone: 1960-2025
Home >> Lincoln >> 2014 >> MKS EcoBoost >> Repair and Diagnosis >> External Pages >> Different car >> Section 1765 (Module Communications Network) >> Diagnosis And Testing >> Communications Network >> Pinpoint Tests >> Pinpoint Test S: The Side Obstacle Detection Control Module - Right (SOD-R) Does Not Respond To The Scan Tool >> Pinpoint Test S: The Sod-R Does Not Respond To The Scan Tool
April 5, 2026: LEMON Manuals is launched! Read the announcement.

Pinpoint Test S: The Sod-R Does Not Respond To The Scan Tool

WARNING: This page is about a different car, the 2011 Mercury Milan, 2011 Lincoln MKZ, and 2011 Ford Fusion. However, it is still accessible from the selected car via links, so may be relevant.
NOTE: Use the correct probe adapter(s) when making measurements. Failure to use the correct probe adapter(s) may damage the connector.
NOTE: Failure to disconnect the battery when instructed will result in false resistance readings. Refer to BATTERY, MOUNTING & CABLES -- FUSION, MILAN & MKZ article.
  1. S1 CHECK THE SOD-R VOLTAGE SUPPLY CIRCUIT FOR AN OPEN 
    • Ignition OFF.
    • Disconnect: SOD-R C4229.
    • Ignition ON.
    • Measure the voltage between the SOD-R C4229-5, circuit CBP35 (YE/GY), harness side and ground.
      Fig 1: Measuring Voltage Between SOD-R C4229-5, Circuit CBP35 (YE/GY), Harness Side And Ground
      G06264170Courtesy of FORD MOTOR CO.
    • Is the voltage greater than 10 volts? 
    1. Yes  : GO to S2  .
    2. No  : VERIFY the Smart Junction Box (SJB) fuse 35 (10A) is OK. If OK, REPAIR the circuit in question. If not OK, REFER to the SYSTEM WIRING DIAGRAMS article to identify the possible causes of the circuit short. CLEAR the DTCs. REPEAT the network test with the scan tool.
  2. S2 CHECK THE SOD-R GROUND CIRCUIT FOR AN OPEN 
    • Ignition OFF.
    • Disconnect: Negative Battery Cable.
    • Measure the resistance between the SOD-R C4229-2, circuit GD171 (BK/GY), harness side and ground.
      Fig 2: Measuring Resistance Between SOD-R C4229-2, Circuit GD171 (BK/GY), Harness Side And Ground
      G06264171Courtesy of FORD MOTOR CO.
    • Is the resistance less than 5 ohms? 
    1. Yes  : GO to S3  .
    2. No  : REPAIR the circuit. CONNECT the negative battery cable. CLEAR the DTCs. REPEAT the network test with the scan tool.
  3. S3 CHECK THE MS-CAN CIRCUITS BETWEEN THE SOD-R AND THE DLC FOR AN OPEN 
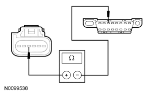
    • Measure the resistance between the SOD-R C4229-4, circuit VDB06 (GY/OG), harness side and the Data Link Connector (DLC) C251-3, circuit VDB06 (GY/OG), harness side.
      Fig 3: Measuring Resistance Between SOD-R C4229-4 And Data Link Connector C251-3, Circuit VDB06 (GY/OG), Harness Side
      G07788204Courtesy of FORD MOTOR CO.
    • Measure the resistance between the SOD-R C4229-3, circuit VDB07 (VT/OG), harness side and the DLC C251-11, circuit VDB07 (VT/OG), harness side.
      Fig 4: Measuring Resistance Between SOD-R C4229-3 And DLC C251-11, Circuit VDB07 (VT/OG), Harness Side
      G06254410Courtesy of FORD MOTOR CO.
    • Are the resistances less than 5 ohms? 
    1. Yes  : CONNECT the negative battery cable. GO to S4  .
    2. No  : REPAIR the circuit in question. CONNECT the negative battery cable. CLEAR the DTCs. REPEAT the network test with the scan tool.
  4. S4 CHECK FOR CORRECT SOD-R OPERATION 
    • Disconnect the SOD-R connector.
    • Check for:
      • corrosion
      • damaged pins
      • pushed-out pins
    • Connect the SOD-R connector and make sure it seats correctly.
    • Operate the system and verify the concern is still present.
    • Is the concern still present? 
    1. Yes  : INSTALL a new SOD-R. REFER to INFORMATION & ENTERTAINMENT SYSTEMS -- FUSION, MILAN & MKZ article. CLEAR the DTCs. REPEAT the network test with the scan tool.
    2. No  : The system is operating correctly at this time. The concern may have been caused by a loose or corroded connector. CLEAR the DTCs. REPEAT the network test with the scan tool.