LEMON Manuals: Even more car manuals for everyone: 1960-2025
Home >> Mazda >> 1982 >> GLC L4-1490cc 1.5L >> Repair and Diagnosis >> Powertrain Management >> Ignition System >> Locations
April 5, 2026: LEMON Manuals is launched! Read the announcement.

Ignition System: Locations

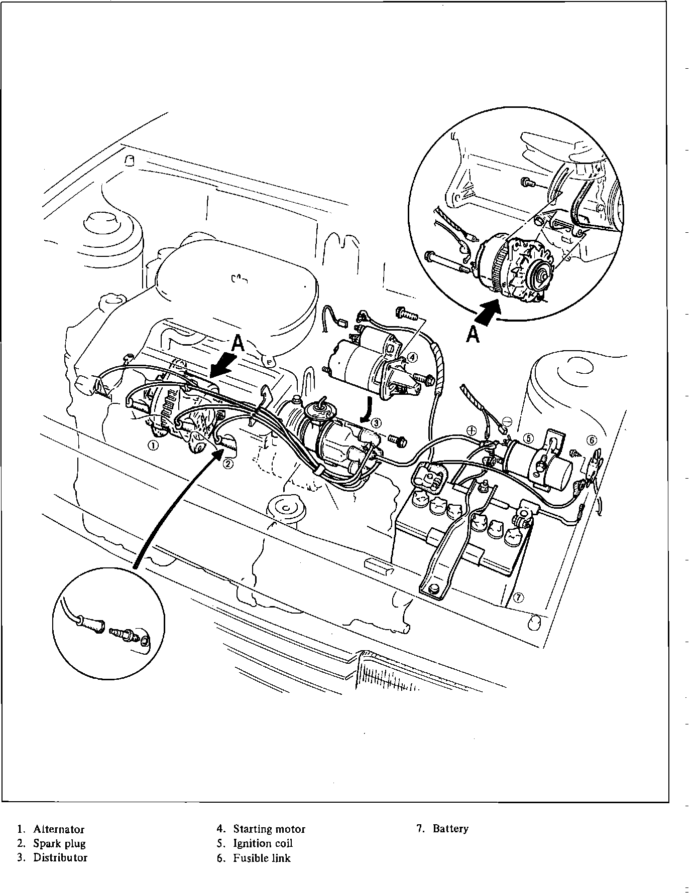
Fig. 1 Ignition system component locations: