LEMON Manuals: Even more car manuals for everyone: 1960-2025
Home >> Mazda >> 1993 >> 929 >> Repair and Diagnosis >> Engine Performance >> Vacuum Diagrams >> Introduction
April 5, 2026: LEMON Manuals is launched! Read the announcement.

Vacuum Diagrams: Introduction

This article contains underhood views or schematics of vacuum hose routing. Use these vacuum diagrams during the visual inspection in BASIC TESTING article. This will assist in identifying improperly routed vacuum hoses which cause driveability and/or computer indicated malfunctions.

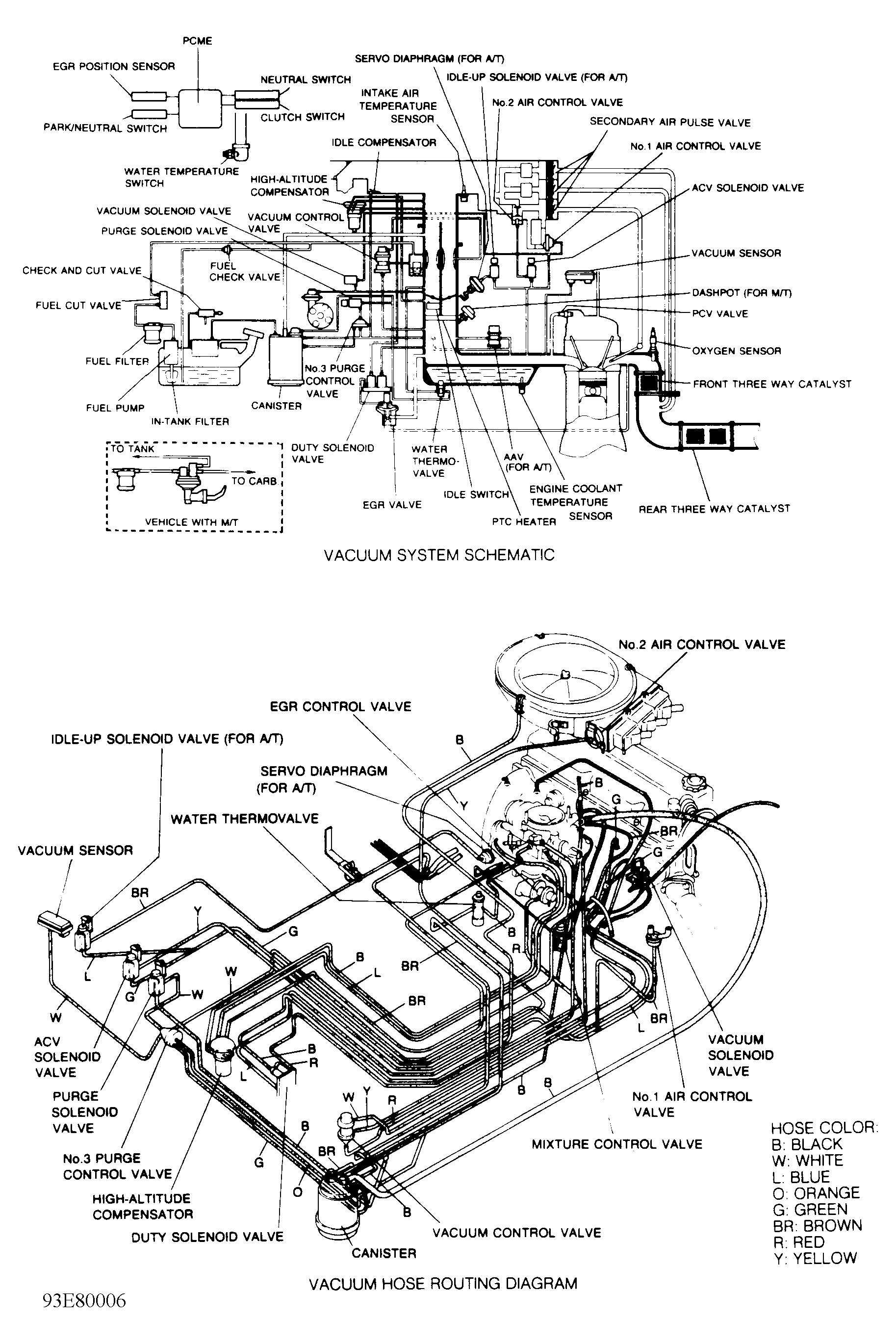
Fig 1: Vacuum System Schematic (B2200 2.2L Carbureted)
G93E80006Courtesy of MAZDA MOTORS CORP.
Fig 2: Vacuum Hose Routing Diagram (B2200 2.2L Carbureted)
G91E16687Courtesy of MAZDA MOTORS CORP.
Fig 3: Vacuum System Schematic (B2200 2.2L PFI & B2600i 2.6L)
G93F80007Courtesy of MAZDA MOTORS CORP.
Fig 4: Vacuum Hose Routing Diagram (B2200 2.2L PFI & B2600i 2.6L)
G91F16688Courtesy of MAZDA MOTORS CORP.
Fig 5: Vacuum System Schematic (Miata 1.6L)
G91H16680Courtesy of MAZDA MOTORS CORP.
Fig 6: Vacuum Hose Routing Diagram (Miata 1.6L)
G90A14811Courtesy of MAZDA MOTORS CORP.
Fig 7: Vacuum System Schematic (MPV 2.6L)
G91I16681Courtesy of MAZDA MOTORS CORP.
Fig 8: Vacuum Hose Routing Diagram (MPV 2.6L)
G91G16689Courtesy of MAZDA MOTORS CORP.
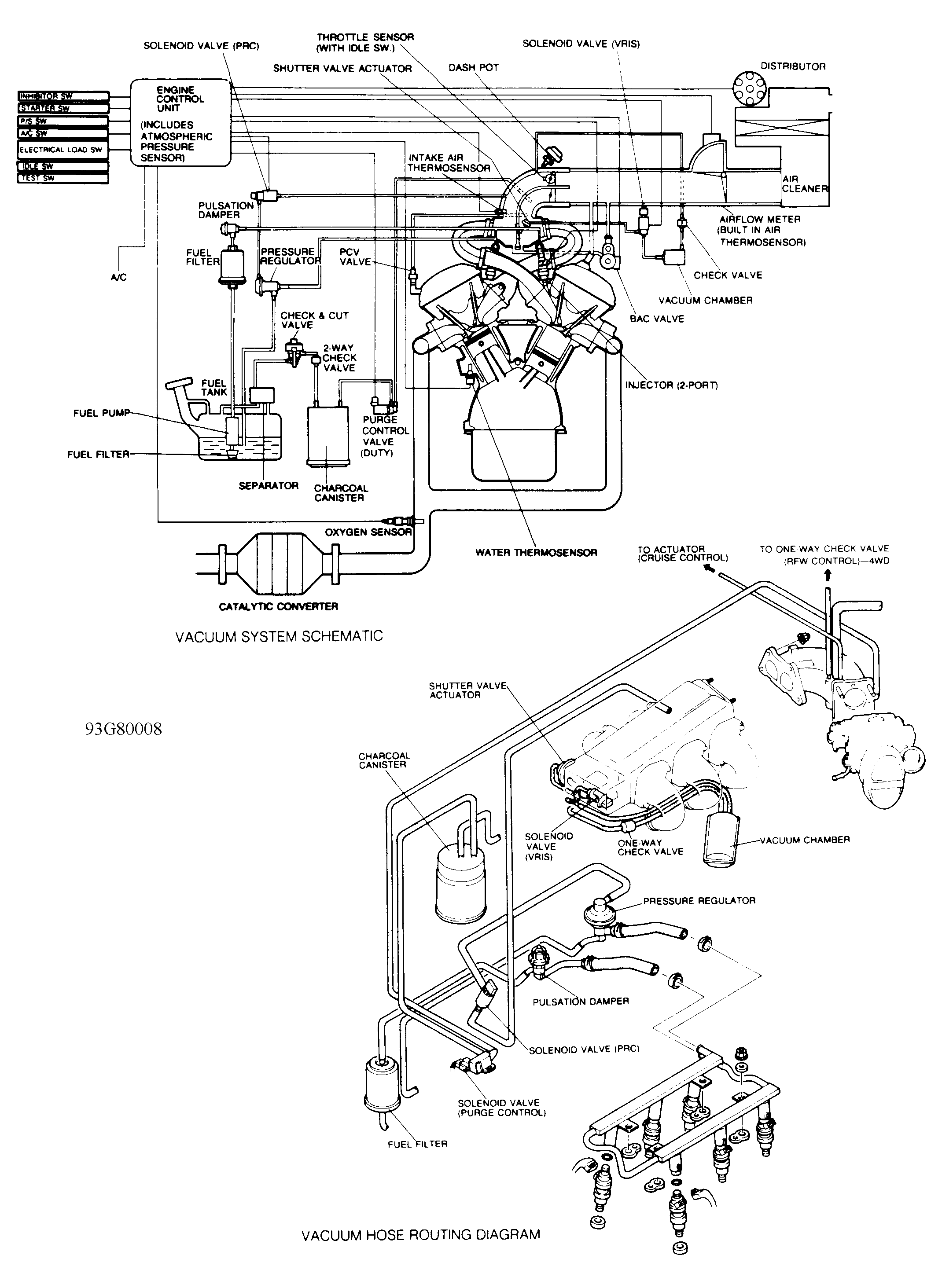
Fig 9: Vacuum System Schematic (MPV 3.0L)
G93G80008Courtesy of MAZDA MOTORS CORP.
Fig 10: Vacuum Hose Routing Diagram (MPV 3.0L)
G92E24970Courtesy of MAZDA MOTORS CORP.
Fig 11: Vacuum System Schematic (MX-3 1.6L)
G92F24971Courtesy of MAZDA MOTORS CORP.
Fig 12: Vacuum Hose Routing Diagram (MX-3 1.6L)
G92G24972Courtesy of MAZDA MOTORS CORP.
Fig 13: Vacuum System Schematic (MX-3 1.8L)
G92H24973Courtesy of MAZDA MOTORS CORP.
Fig 14: Vacuum Hose Routing Diagram (MX-3 1.8L)
G92I24974Courtesy of MAZDA MOTORS CORP.
Fig 15: Vacuum System Schematic (MX-6 2.0L & 626 2.0L)
G93H80009Courtesy of MAZDA MOTORS CORP.
Fig 16: Vacuum Hose Routing Diagram (MX-6 2.0L & 626 2.0L)
G93A80010Courtesy of MAZDA MOTORS CORP.
Fig 17: Vacuum System Schematic (MX-6 2.5L & 626 2.5L)
G93B80011Courtesy of MAZDA MOTORS CORP.
Fig 18: Vacuum Hose Routing Diagram (MX-6 2.5L & 626 2.5L)
G93C80012Courtesy of MAZDA MOTORS CORP.
Fig 19: Vacuum Hose Routing Diagram (Navajo 4.0L California)
G93D80013Courtesy of FORD MOTOR CO.
Fig 20: Vacuum Hose Routing Diagram (Navajo 4.0L Federal)
G93E80014Courtesy of FORD MOTOR CO.
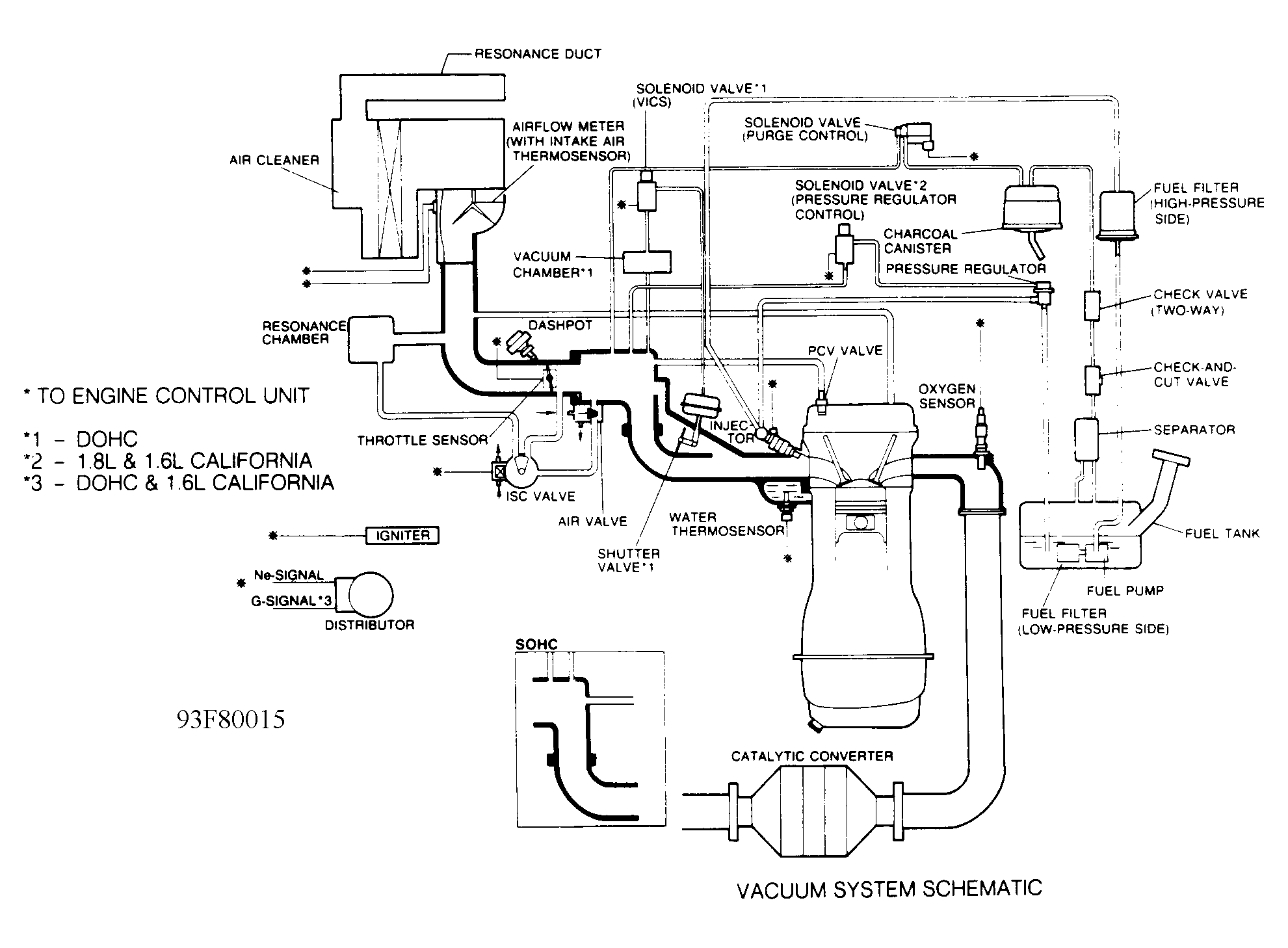
Fig 21: Vacuum System Schematic (Protege 1.8L & 323 1.6L)
G93F80015Courtesy of MAZDA MOTORS CORP.
Fig 22: Vacuum Hose Routing Diagram (Protege 1.8L & 323 1.6L)
G93G80016Courtesy of MAZDA MOTORS CORP.
Fig 23: Vacuum System Schematic (RX7 1.3L)
G93H80017Courtesy of MAZDA MOTORS CORP.
Fig 24: Vacuum Hose Routing Diagram (RX7 1.3L)
G93J80019Courtesy of MAZDA MOTORS CORP.
Fig 25: Vacuum System Schematic (929 3.0L)
G93C80020Courtesy of MAZDA MOTORS CORP.
Fig 26: Vacuum Hose Routing Diagram (929 3.0L)
G92A24976Courtesy of MAZDA MOTORS CORP.