LEMON Manuals: Even more car manuals for everyone: 1960-2025
Home >> Mazda >> 1993 >> MX-3 L4-1597cc 1.6L >> Repair and Diagnosis >> Powertrain Management >> Ignition System >> Ignition Control Module >> Description and Operation
April 5, 2026: LEMON Manuals is launched! Read the announcement.

Ignition Control Module: Description and Operation

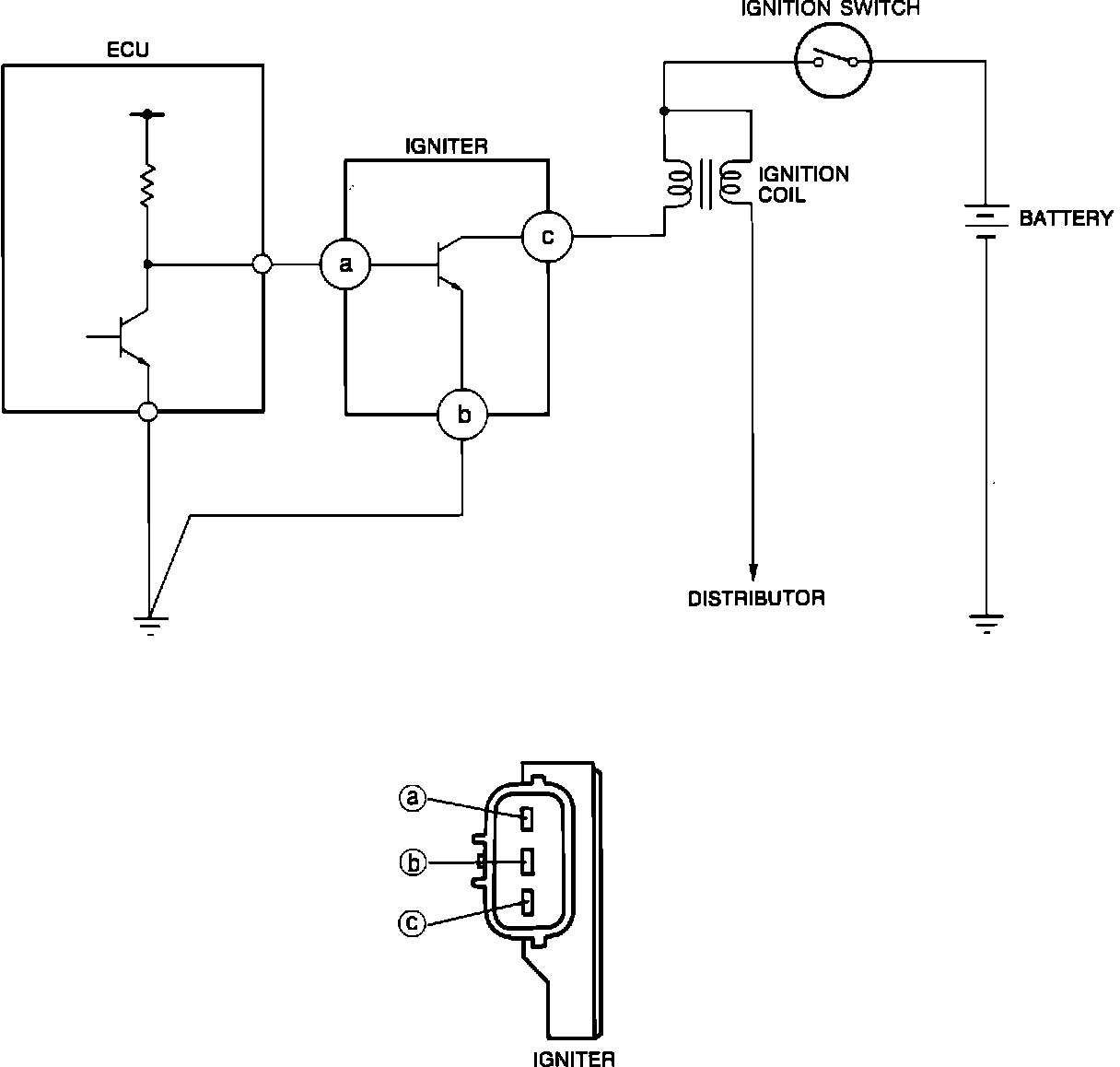
Igniter Circuit Diagram:






PURPOSE
Igniter is an ECU controlled a switching device that activates the primary ignition coil circuit.

LOCATION
Near coil on left side of engine compartment.

OPERATION
The ECU determines optimum ignition timing from various inputs and transmits a primary current OFF signal to the igniter to control ignition timing. The ECU calculates input from these devices to control ignition timing: ignition switch (START position), inhibitor switch (A/T), clutch and neutral switches (M/T), throttle sensor, air flow meter, water thermosensor, crank angle sensor, and diagnosis connector (TEN terminal for base timing adjustment).