LEMON Manuals: Even more car manuals for everyone: 1960-2025
Home >> Mazda >> 1993 >> MX-3 L4-1597cc 1.6L >> Repair and Diagnosis >> Specifications >> Mechanical Specifications >> Engine >> System Specifications >> Torque Specifications
April 5, 2026: LEMON Manuals is launched! Read the announcement.

Torque Specifications

Intake:






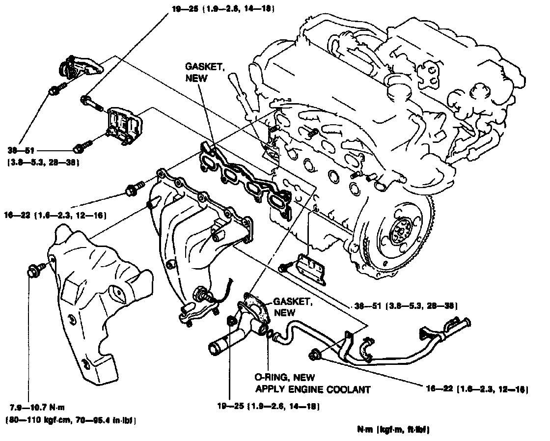
Exhaust Manifold:






Federal Models:






California Models:






Apply clean engine oil to the bolt threads and seat faces.





Tighten the cylinder head bolts in two or three steps in the order shown.
Tightening torque:
76-81 Nm (56-60 ft-lb)


Rocker Shaft Torque/Sequence (B6 FED.):






Rocker Shaft Torque/Sequence (B6 CA. & BP Engines):






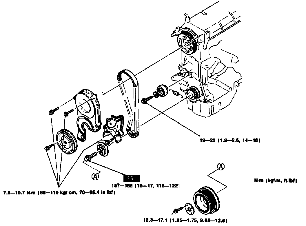
Timing Components:






Lower Engine:






Main Bolt Torque/Sequence: